GM Service Manual Online
For 1990-2009 cars only

    Object Number: 1402067  Size: SH

    Important: Inspect the oil pump and engine block oil gallery passages. These surfaces must be clear and free of debris or restrictions.

  1. Align the splined surfaces of the crankshaft sprocket and the oil pump drive gear and install the oil pump (413).
  2. Install the oil pump onto the crankshaft sprocket until the pump housing contacts the face of the engine block.
  3. Notice: Refer to Fastener Notice in the Preface section.

  4. Install the oil pump bolts (411).
  5. Tighten
    Tighten the oil pump bolts to 25 N·m (18 lb ft).


    Object Number: 260099  Size: SH
  6. Install the crankshaft oil deflector.

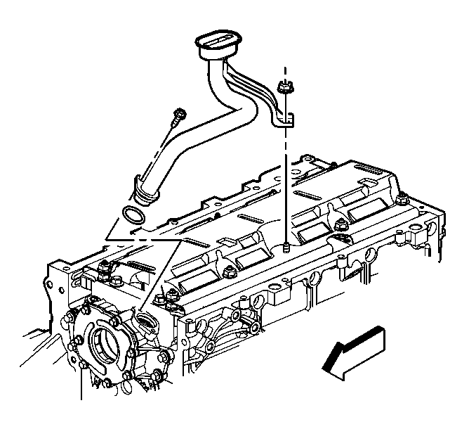
  7. Object Number: 309735  Size: SH
  8. Lubricate a NEW oil pump screen O-ring seal with clean engine oil.
  9. Install the NEW O-ring seal onto the oil pump screen.
  10. Important: 

       • Push the oil pump screen tube completely into the oil pump prior to tightening the bolt. Do not allow the bolt to pull the tube into the pump.
       • Align the oil pump screen mounting brackets with the correct crankshaft bearing cap bolt/studs.

  11. Install the oil pump screen.
  12. Install the oil pump screen bolt and the deflector nuts.
  13. Tighten

    1. Tighten the oil pump screen bolt to 12 N·m (106 lb in).
    2. Tighten the crankshaft oil deflector nuts to 25 N·m (18 lb ft).