GM Service Manual Online
For 1990-2009 cars only
Makes
🢒
Buick
🢒
1996
🢒
Century
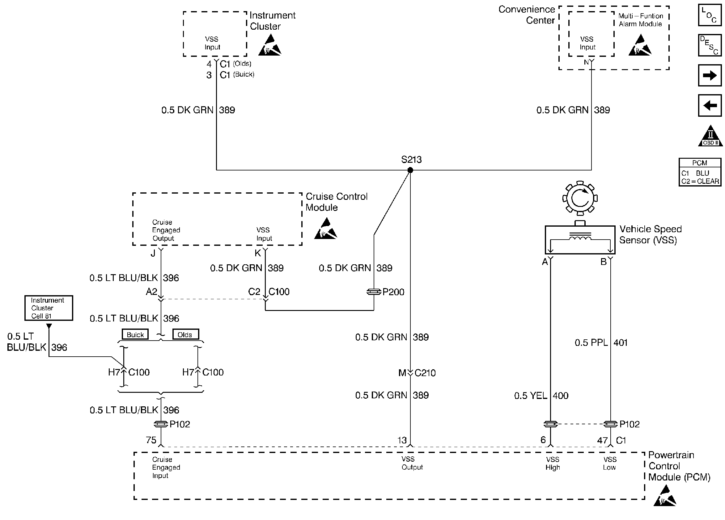
🢒 Cruise Control and Vehicle Speed Sensor Systems
Cruise Control and Vehicle Speed Sensor Systems
Cruise Control and Vehicle Speed Sensor Systems
TCC and Brake Switch Systems
Instrument Cluster, IAC, and Transmission Range Switch Systems
OBD II Symbol Description Notice
Handling ESD Sensitive Parts Notice
Handling ESD Sensitive Parts Notice
Handling ESD Sensitive Parts Notice
Handling ESD Sensitive Parts Notice