GM Service Manual Online
For 1990-2009 cars only
Makes
🢒
Buick
🢒
1996
🢒
Century
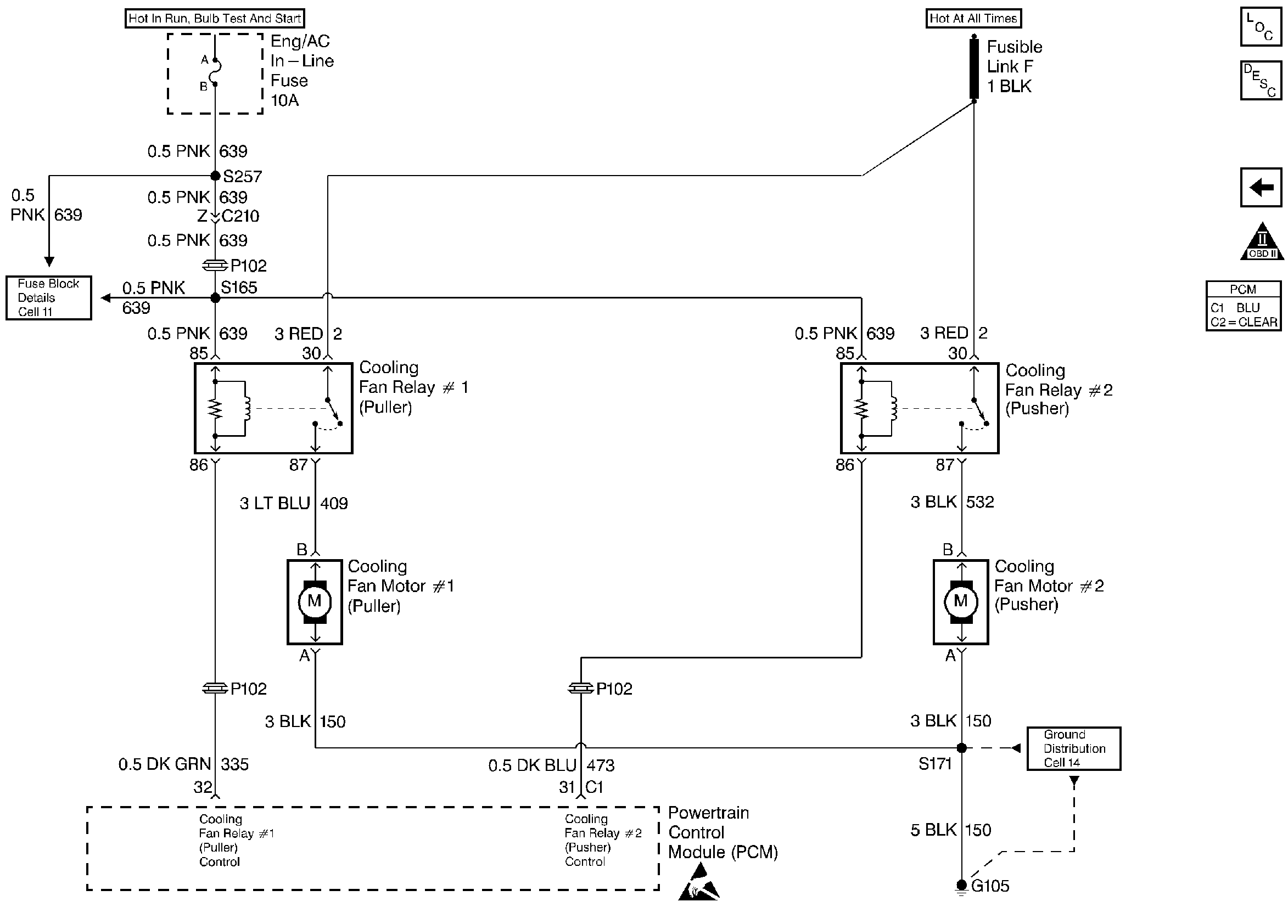
🢒 Engine Cooling Fans
Engine Cooling Fans
Engine Cooling Fans
Heater and A/C Compressor Clutch Systems
OBD II Symbol Description Notice
Handling ESD Sensitive Parts Notice