GM Service Manual Online
For 1990-2009 cars only

Refer to

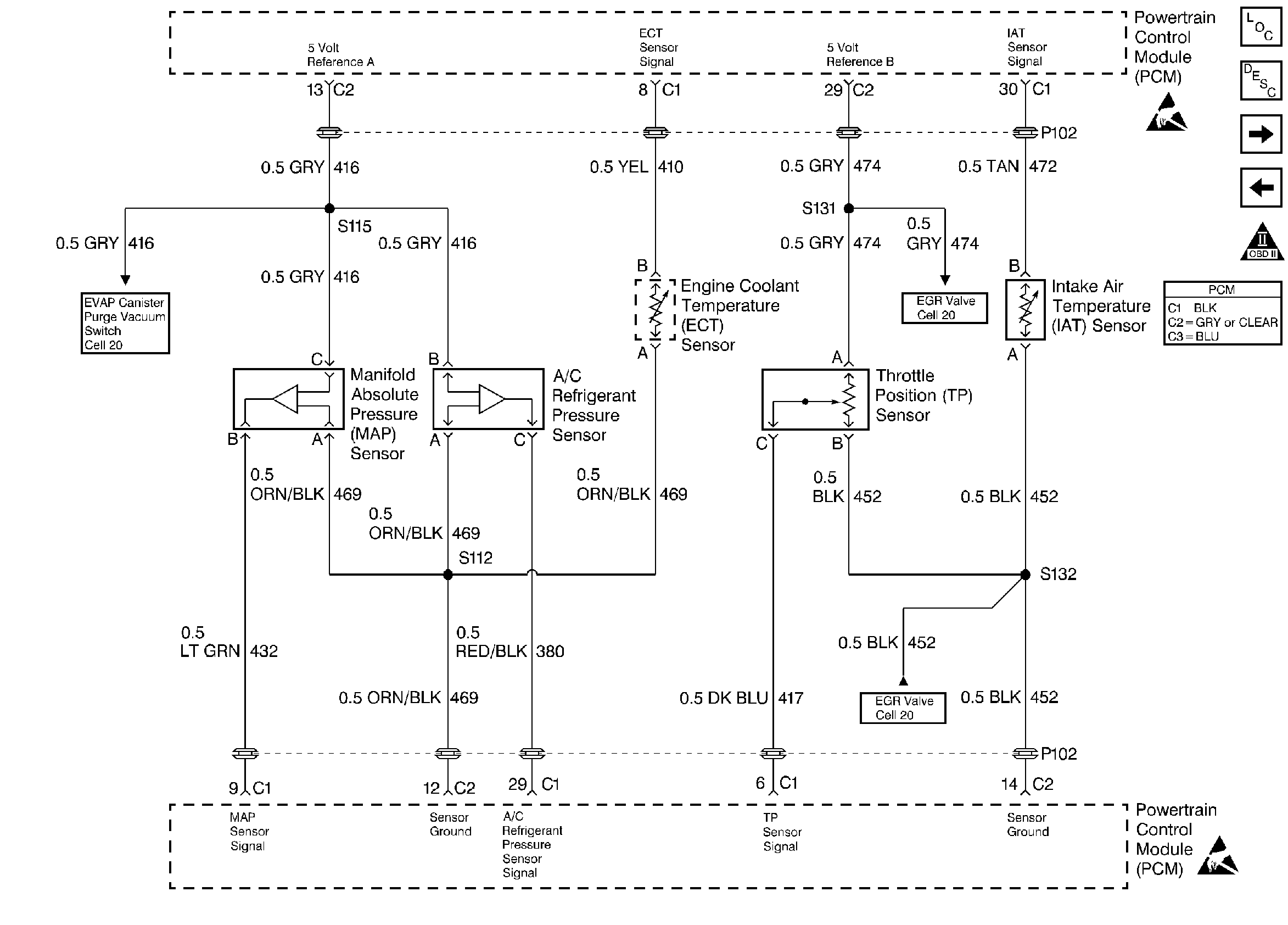
Engine Data Sensors


Object Number: 34178  Size: FS
Engine Controls Components
Information Sensors
EVAP and EGR Controls
Fuel Controls
OBD II Symbol Description Notice
Handling ESD Sensitive Parts Notice
Handling ESD Sensitive Parts Notice
and

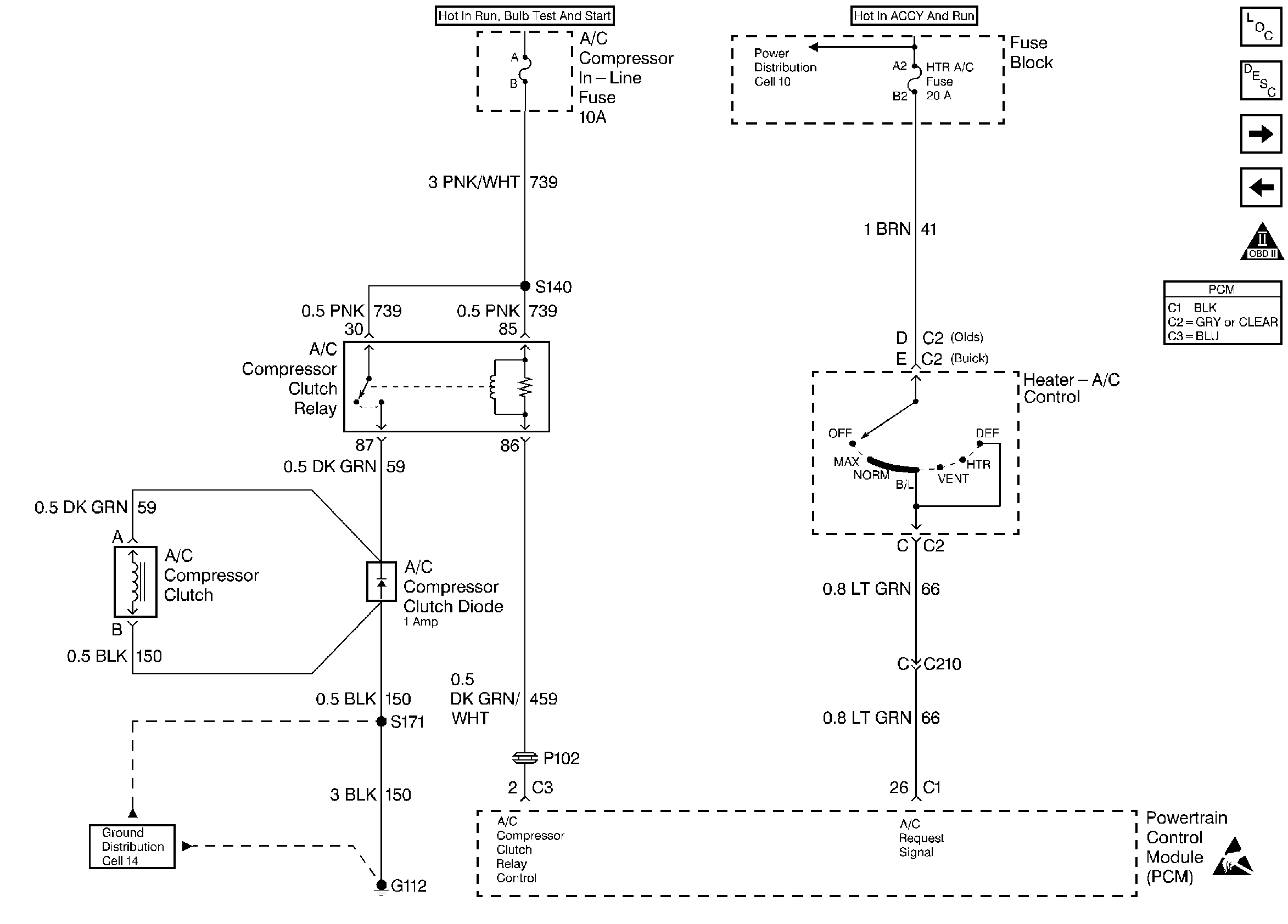
A/C Controls


Object Number: 34195  Size: FS
Engine Controls Components
Powertrain Control Module Controlled Air Conditioning
Cooling Fan Controls
Transaxle and Cruise Control Switches
OBD II Symbol Description Notice
Handling ESD Sensitive Parts Notice
for wiring view.

Circuit Description

The air conditioning (A/C) refrigerant pressure sensor responds to the changes in the A/C refrigerant high side pressure. This input indicates how much load the A/C compressor is putting on the engine, and is one of the factors used by the Powertrain Control Module (PCM) in order to determine the idle air control (IAC) position for the idle speed. The circuits consist of a 5 volt reference and a ground, both provided by the PCM, and a signal from the sensor. The signal is a voltage which is proportional to the A/C pressure. The sensor's operating range is between 0 and 459 psi. At 0 psi, the signal voltage will be about 0.1 volt, varying to about 4.9 volt at 459 psi.

Conditions for Setting the DTC

    • The A/C refrigerant sensor pressure is greater than 453 psi (4.94 V) with A/C requested
        Or
    • The A/C refrigerant sensor pressure is greater than 363 psi (4.0 V) with A/C not requested
        Or
    • The A/C refrigerant sensor pressure is less than 0 psi (0.20 V) when the Air Temperature (IAT) is greater than 0°C (32°F) and DTCs P0112 or P0113 are not set
        Or
    • The A/C refrigerant sensor pressure is less than 0 psi (0.10 V) when the Air Temperature (IAT) is greater than 0°C (32°F) and DTCs P0112 or P0113 are set.
    • Any of the above conditions met for 15 seconds.

Action Taken When the DTC Sets

    • The PCM will record the operating conditions at the time during which the diagnostic fails. This information will store in the Failure Records buffer.
    • A history DTC stores.
    • The PCM will disable the A/C compressor clutch.

Conditions for Clearing the MIL/DTC

    • A history DTC will clear after 40 consecutive warm up cycles without a fault.
    • A scan tool can clear the MIL/DTCs.

Diagnostic Aids

    • An intermittent DTC P0530 set along with a DTC P01406 indicates that the ground circuit is shorting to the 5 volt reference circuit. When this happens, the EGR Actual Position on the scan tool will display an incorrect value. Check the wiring harness for being rubbed through and shorting together or for a faulty A/C refrigerant pressure sensor.
    • DTC P0530 sets when the signal voltage falls outside the normal possible range of the sensor. If the actual pressure of the A/C system matches the scan tool readings, repair any A/C pressure problems before using this table. Refer to Air Conditioning System .
    • Any circuitry, that is suspected as causing the intermittent complaint, should be thoroughly checked for the following conditions:
       - Backed out terminals
       - Improper mating of the terminals
       - Broken locks
       - Improperly formed or damaged terminals
       - Poor terminal to wiring connections
       - Physical damage to the wiring harness

Test Description

Number(s) below refer to the step number(s) on the Diagnostic Table.

  1. The Powertrain OBD System Check prompts the technician to complete some basic checks and store the freeze frame and failure records data on the scan tool if applicable. This creates an electronic copy of the data taken when the fault occurred. The information is then stored on the scan tool for later reference.

  2. If the MAP or TP sensor DTC is set, the faulty circuit is diagnosed in these tables. Refer to theappropriate table .

  3. An open or poor connection in a shared sensor ground circuit will cause other DTC's to be set. If no other DTC's were set, the fault must be between the sensor and the circuit splice.

  4. Determines if the low voltage signal was from the sensor or the signal circuit. Jumping the signal circuit to the 5 volt reference checks the circuits, connections and the PCM.

  5. An open in a shared 5 volt reference circuit can cause other DTC's to be set. If no other DTC's were set, the circuit must be open between the sensor and the circuit splice.

  6. Replacement PCM's must be reprogrammed. Refer to latest Techline information for programming procedures.

  7. If no faults have been found at this point and no additional DTC's were set, refer to Diagnostic Aids for additional checks and information.

DTC P0530-A/C Refrigerant Pressure Sensor Circuit

Step

Action

Value(s)

Yes

No

1

Was the Powertrain On-Board Diagnostic (OBD) System Check performed?

--

Go to Step 2

Go to Powertrain On Board Diagnostic (OBD) System Check

2

  1. Turn the ignition switch ON, with the engine OFF.
  2. Install a scan tool.

Were any MAP or TP DTC's also set?

--

Go to MAP or TP DTC Tables

Go to Step 3

3

Does the A/C Highside value read greater than the specified value?

4.0 V (363 psi)

Go to Step 4

Go to Step 5

4

Disconnect the A/C pressure sensor electrical connector.

Does the A/C High side value less than the specified value?

1.0 V (76 psi)

Go to Step 6

Go to Step 11

5

Is the A/C High side value less than the specified value?

0.20 V (0 psi)

Go to Step 7

Go to Step 8

6

With a DVM connected to B +, probe the A/C refrigerant pressure sensor ground circuit.

Does the DVM measure the specified voltage?

B +

Go to Step 9

Go to Step 10

7

  1. Disconnect the A/C pressure sensor electrical connector.
  2. With a DVM connected to ground, probe the A/C refrigerant pressure sensor 5 volt reference circuit.

Does the DVM measure near the specified voltage?

5.0 V

Go to Step 12

Go to Step 13

8

  1. Start the engine.
  2. Turn the A/C selector switch OFF.

Does the A/C compressor clutch remain engaged?

--

Go to Step 14

Go to Step 25

9

Replace the A/C refrigerant pressure sensor.

Is the action complete?

--

Go to Step 25

--

10

Repair the open or poor connection in the A/C refrigerant pressure sensor ground circuit.

Is the action complete?

--

Go to Step 25

--

11

Was the voltage measured on the A/C refrigerant pressure sensor signal circuit greater than the specified value?

4.0 V-6.0 V

Go to Step 16

Go to Step 17

12

Jumper the A/C refrigerant pressure sensor 5 volt reference and signal circuit terminals together.

Does the scan tool A/C Highside value read greater than the specified value?

4.6 V (421 psi)

Go to Step 9

Go to Step 18

13

Repair the open or poor connection in the A/C refrigerant pressure sensor 5 volt reference circuit.

Is the action complete?

--

Go to Step 25

--

14

  1. Disconnect the A/C relay.
  2. With a test light connected to B +, probe the A/C relay control terminal at the relay center.

Does the test light illuminate?

--

Go to Step 19

Go to Step 20

15

Replace the PCM.

Is the action complete?

--

Go to Step 25

--

16

Check for a short to B + in the A/C refrigerant pressure sensor signal circuit and repair as necessary.

Was a repair necessary?

--

Go to Step 25

Go to Step 15

17

Check the A/C refrigerant pressure sensor signal circuit for a short the 5 volt reference circuit and repair as necessary.

--

Go to Step 25

Go to Step 15

18

With a DVM connected to B +, probe the A/C refrigerant pressure sensor signal circuit.

Does the DVM read greater than the specified value?

0.5 V

Go to step 21

Go to step 22

19

Check the A/C compressor clutch relay control circuit for a short to ground and repair as necessary.

Was a repair necessary?

--

Go to Step 25

Go to Step 15

20

Did the A/C clutch disengage when the relay was removed?

--

Go to Step 23

Go to Step 24

21

Check for a short ground or a short to the sensor ground in the A/C refrigerant pressure sensor signal circuit and repair as necessary.

Was a repair necessary?

--

Go to Step 25

Go to Step 15

22

Check for an open in the A/C refrigerant pressure sensor signal circuit and repair as necessary.

Was a repair necessary?

--

Go to Step 25

Go to Step 15

23

Replace the A/C compressor clutch relay.

Is the action complete?

--

Go to Step 25

--

24

Check for a short to B + in the A/C compressor clutch ignition feed circuit, or for a faulty A/C compressor clutch.

Is the action complete?

--

Go to Step 25

--

25

  1. Using the scan tool, clear the DTC's.
  2. Start the engine and idle at normal operating temperature
  3. Operate the vehicle within the conditions for setting the DTC as specified in the supporting text.

Does the scan tool indicate that this diagnostic has ran and passed?

--

Go to Step 26

Go to Step 2

26

Check if any additional DTC's are set.

Are any DTC's displayed that has not been diagnosed?

--

Go to applicable DTC table

System OK, Refer to Diagnostic Aids