GM Service Manual Online
For 1990-2009 cars only

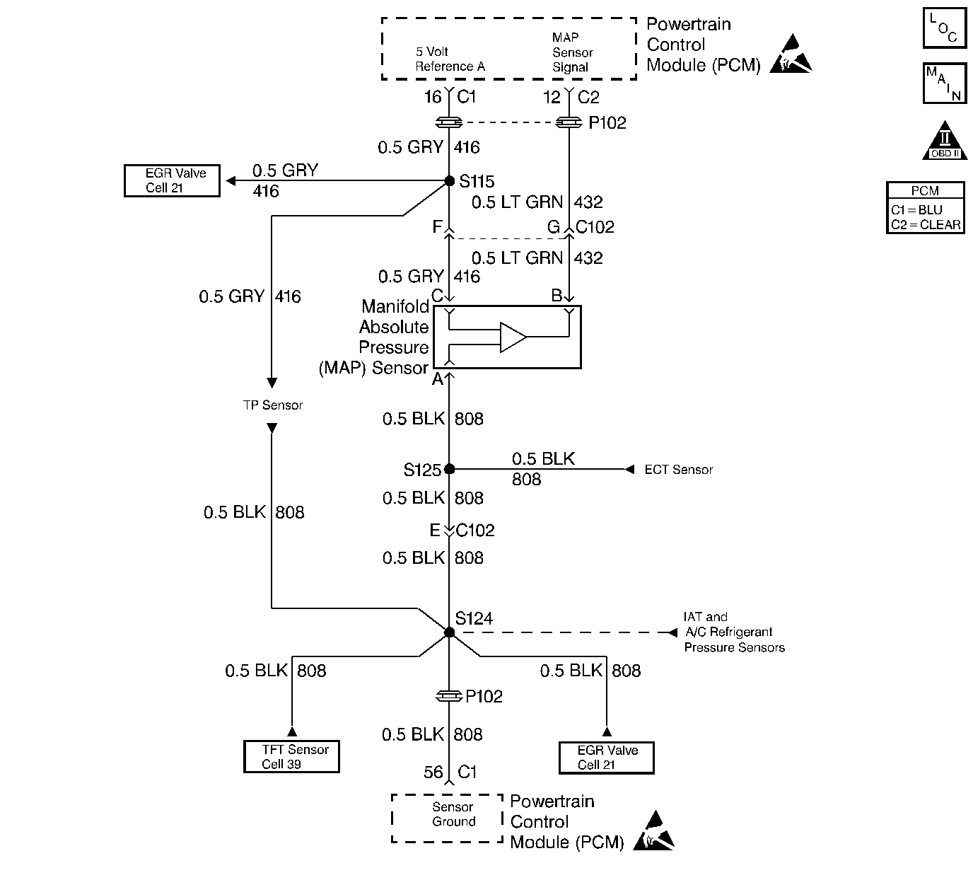
Object Number: 28298  Size: LF
Engine Controls Components
MAF, EVAP, and EGR Systems
OBD II Symbol Description Notice
Handling ESD Sensitive Parts Notice

Circuit Description

The Manifold Absolute Pressure (MAP) sensor responds to changes in intake manifold pressure (vacuum). The MAP sensor signal voltage to the PCM varies from below 2 volts at idle (high vacuum) to above 4 volts with the key ON, engine not running or at wide-open throttle (low vacuum).

The MAP sensor is used to determine manifold pressure changes while the linear EGR flow test diagnostic is being run (refer to DTC P0401), to determine engine vacuum level for some other diagnostics and to determine barometric pressure (BARO). The PCM monitors the MAP signals for voltages outside the normal range of the MAP sensor. If the PCM detects a MAP signal voltage that is excessively high, DTC P0108 will be set.

Conditions for Setting the DTC

    • No active TP sensor DTC present.
    • Engine running.
    • Throttle position below 30% if engine speed is below 3000 RPM.
    • Throttle position below 2% if engine speed is above 3000 RPM.
    • The MAP sensor signal voltage is greater than 3.5V.

Action Taken When the DTC Sets

    • The PCM will illuminate the malfunction indicator lamp (MIL) during the second consecutive trip in which the diagnostic test has been run and failed.
    • The PCM will store conditions which were present when the DTC set as Freeze Frame and Failure Records data.

Conditions for Clearing the MIL/DTC

    • The PCM will turn OFF the MIL during the third consecutive trip in which the diagnostic has been run and passed.
    • The History DTC will clear after 40 consecutive warm-up cycles have occurred without a malfunction.
    • The DTC can be cleared by using the scan tool.

Diagnostic Aids

Check for the following conditions:

    • Monitor the MAP sensor using the scan tool. If the MAP sensor does not respond to throttle changes, check the 3X circuits from the ignition control module to the PCM.
        If the 3X signal is lost the PCM will only update the MAP sensor reading once per key cycle, when the engine is first started.
        Depending on where the MAP sensor voltage (high voltage or low voltage) is when the engine is started, the high or low voltage MAP sensor DTC's will set.
    • Poor connection at PCM. Inspect harness connectors for backed out terminals, improper mating, broken locks, improperly formed or damaged terminals, and poor terminal to wire connection.
    • Damaged harness. Inspect the wiring harness for damage. If the harness appears to be OK, observe the MAP display on the scan tool while moving connectors and wiring harnesses related to the sensor. A change in the display will indicate the location of the fault.

If DTC P0108 cannot be duplicated, the information included in the Fail Records data can be useful in determining since the DTC was last set. If it is determined that the DTC occurs intermittently, performing the DTC P1108 Diagnostic Chart may isolate the cause of the fault.

Test Description

Number(s) below refer to the step number(s) on the Diagnostic Table.

  1. This vehicle is equipped with a PCM which utilizes an Electrically Erasable Programmable Read Only Memory (EEPROM). When the PCM is being replaced, the new PCM must be programmed. Refer to PCM Replacement and Programming Procedures in Powertrain Control Module (PCM) and Sensors.

Step

Action

Value(s)

Yes

No

1

Was the Powertrain On-Board Diagnostic System Check performed?

--

Go to Step 2

Go to Powertrain OBD System Check

2

  1. If the engine idle is rough, unstable or incorrect, repair the idle problem before using this chart refer to Symptoms section B.
  2. With the engine idling, note the MAP value on the scan tool Eng 1 data list.

Is the MAP voltage above the specified value?

3.5V

Go to Step 4

Go to Step 3

3

  1. Ignition ON, engine OFF, review and record scan tool Fail Records data.
  2. Operate vehicle within Fail Records conditions as noted.
  3. Using a scan tool, monitor SPECIFIC DTC info for DTC P0108.

Does scan tool indicate DTC P0108 failed?

--

Go to Step 4

Refer to Diagnostic Aids

4

  1. Disconnect the MAP sensor electrical connector.
  2. Note the MAP sensor voltage displayed on the scan tool.

Is the MAP sensor voltage at the specified value?

0V

Go to Step 5

Go to Step 6

5

Probe the sensor ground circuit with a test light to B+.

Is the test light ON?

--

Go to Step 7

Go to Step 9

6

  1. Check the MAP signal circuit for a short to voltage or a short to the 5 volt reference A circuit.
  2. If the MAP sensor signal circuit is shorted, repair circuit as necessary (refer to Engine Electrical).

Was the MAP sensor signal circuit shorted?

--

Go to Step 16

Go to Step 11

7

  1. Check for poor sensor ground terminal connection at the MAP sensor electrical connector.
  2. If a problem is found, replace faulty terminal.

Was a problem found?

--

Go to Step 16

Go to Step 8

8

Check for a plugged or leaking vacuum supply to the MAP sensor.

Is the vacuum supply OK?

--

Go to Step 12

Go to Step 15

9

  1. Check for a poor sensor ground terminal connection at the PCM.
  2. If a problem is found, replace the faulty terminal.

Did the terminal require replacement?

--

Go to Step 16

Go to Step 10

10

  1. Check continuity of the MAP sensor ground circuit.
  2. If the MAP sensor ground circuit measures over 5 ohms, repair open or poor connection (refer to Engine Electrical).

Was a condition found and corrected?

--

Go to Step 16

Go to Step 11

11

Replace the PCM.

Important: Replacement PCM must be programmed. Refer to PCM Replacement/Programming .

Is action complete?

--

Go to Step 16

--

12

  1. Ignition OFF, disconnect the PCM.
  2. Ignition ON, engine OFF.
  3. Check for a short to voltage on the 5 volt reference A circuit.
  4. If the 5 volt reference A circuit is shorted, repair it as necessary (refer to Engine Electrical).

Was the 5 volt reference A circuit shorted?

--

Go to Step 16

Go to Step 13

13

Check for poor electrical connections at the MAP sensor and replace terminals if necessary (refer to Engine Electrical).

Did any terminals require replacement?

--

Go to Step 16

Go to Step 14

14

Replace the MAP sensor.

Is Action complete?

--

Go to Step 16

--

15

Repair the faulty vacuum source.

Is action complete?

--

Go to Step 16

--

16

  1. Ignition ON, engine OFF, review and record scan tool Fail Records data.
  2. Clear DTCs.
  3. Operate vehicle within Fail Records conditions as noted.
  4. Using a scan tool, monitor SPECIFIC DTC info for DTC P0108.

Does scan tool indicate DTC P0108 failed?

--

Go to Step 2

Repair complete