GM Service Manual Online
For 1990-2009 cars only
Makes
🢒
Buick
🢒
1998
🢒
Century
🢒
Engine
🢒
Engine Electrical
🢒 Starting and Charging Schematics
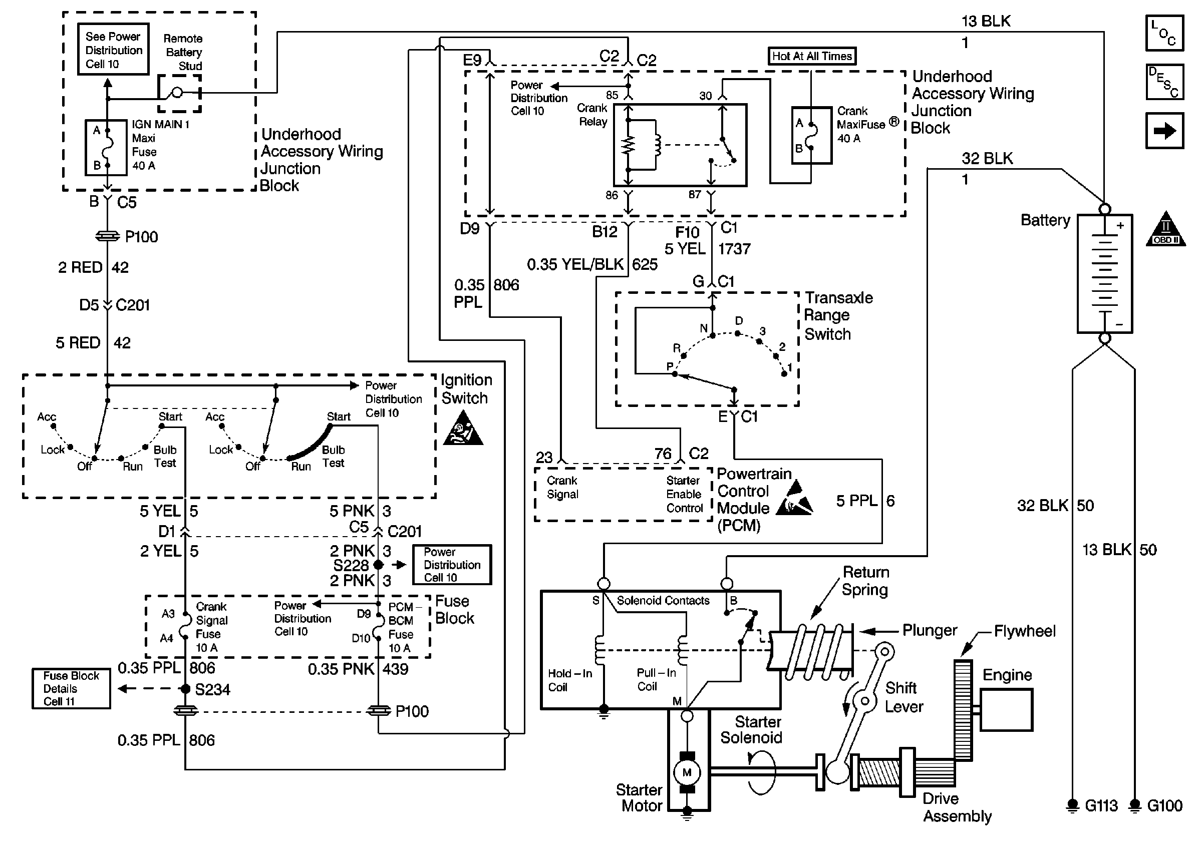
Figure
1:
Starter Schematic
Engine Electrical Components
Starting System Circuit Description
Charging Schematic
OBD II Symbol Description Notice
SIR Caution
Handling ESD Sensitive Parts Notice
Figure
2:
Charging Schematic
Engine Electrical Components
Charging System Circuit Description
Starter Schematic
OBD II Symbol Description Notice
Handling ESD Sensitive Parts Notice
Handling ESD Sensitive Parts Notice