GM Service Manual Online
For 1990-2009 cars only
Makes
🢒
Buick
🢒
1998
🢒
Century
🢒
Body and Accessories
🢒
Doors
🢒 Power Window Schematics
Figure
1:
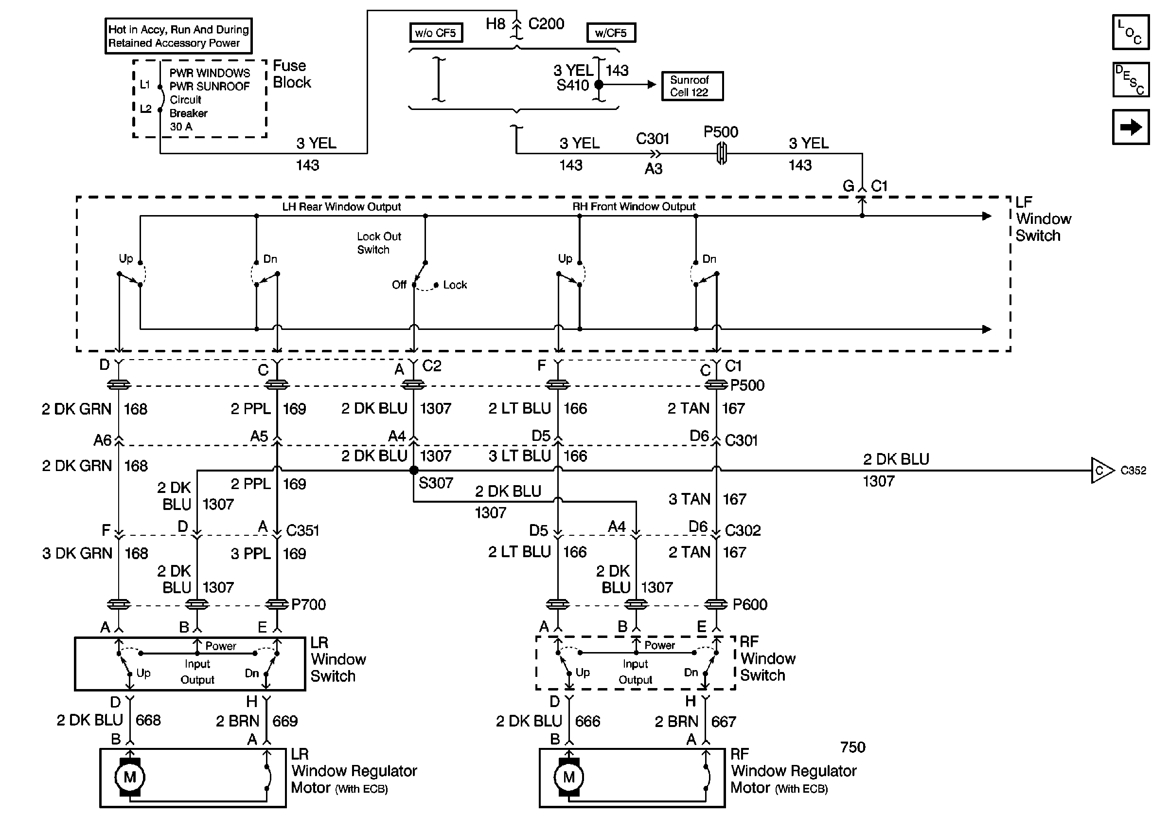
Cell 120: Window Switches/Regulator Motors
Cell 120: Window Switches/Regulator Motors
Power Door Systems Components
Power Door Systems Schematic References
Sunroof Schematics
Cell 120: Window Switches/Regulator Motors
Figure
2:
Cell 120: Window Switches/Regulator Motors
Cell 120: Window Switches/Regulator Motors
Power Door Systems Components
Power Windows Circuit Description
Cell 120: Window Switches/Regulator Motors
Interior Lights Dimming Schematics