GM Service Manual Online
For 1990-2009 cars only
Figure 1:

Cell 131: Power and BCM Module, Ground


Object Number: 507089  Size: FS
Handling ESD Sensitive Parts Notice
Ground Distribution Schematics
Power Distribution Schematics
Power Distribution Schematics
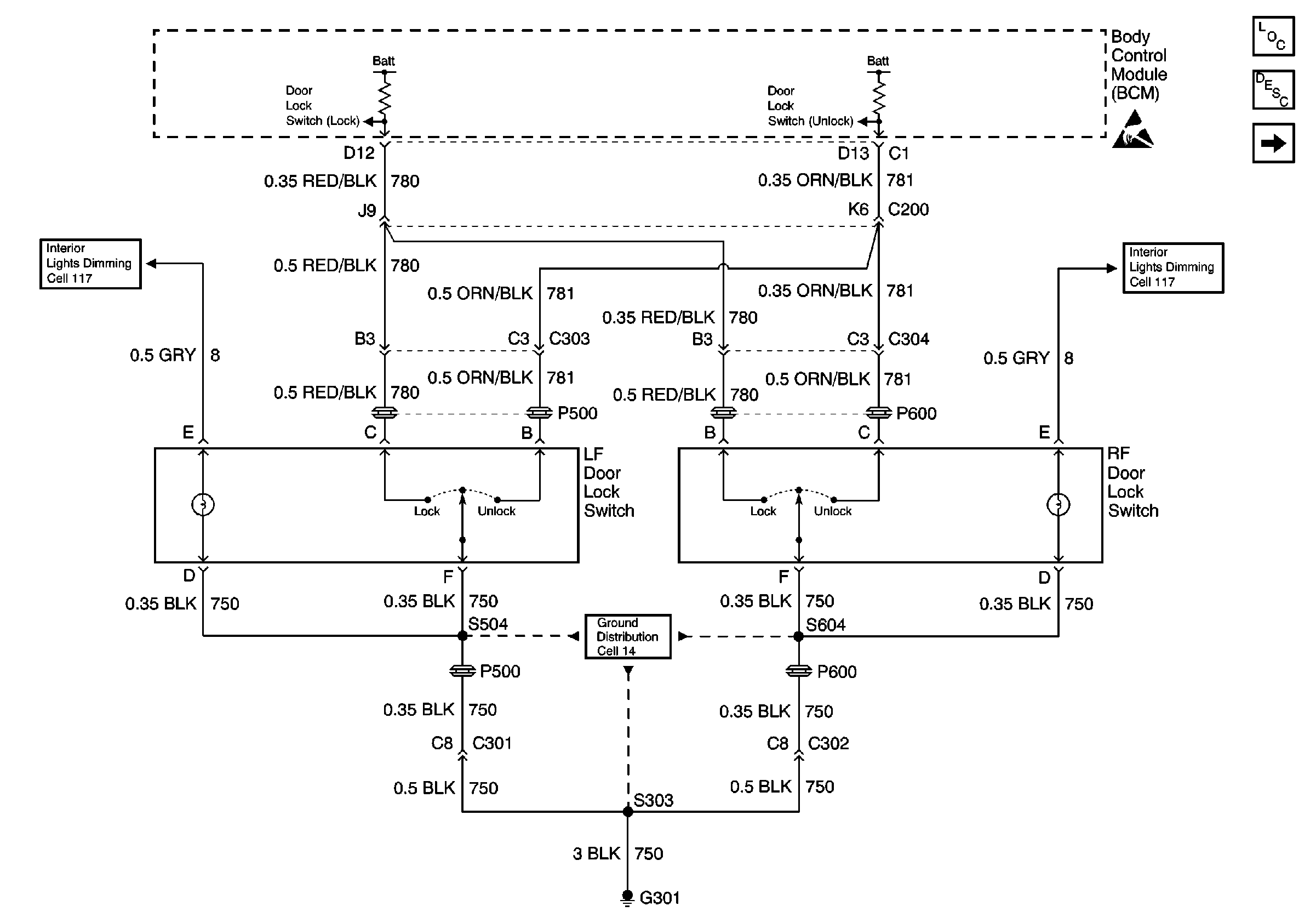
Figure 2:

Cell 131: BCM Module, Door Lock Switches


Object Number: 507091  Size: FS
Handling ESD Sensitive Parts Notice
Interior Lights Dimming Schematics
Interior Lights Dimming Schematics
Ground Distribution Schematics
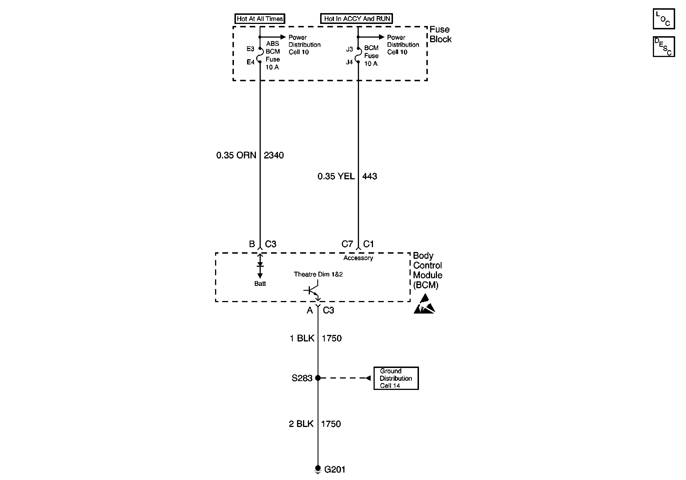
Figure 3:

Cell 131: Door Lock Relay/Motors, BCM Module


Object Number: 507092  Size: FS
Power Distribution Schematics
Ground Distribution Schematics
Handling ESD Sensitive Parts Notice
Ground Distribution Schematics