GM Service Manual Online
For 1990-2009 cars only
Makes
🢒
Buick
🢒
1998
🢒
Century
🢒
Body and Accessories
🢒
Doors
🢒 Outside Rearview Mirror Schematics
Figure
1:
Cell 147: Power, Outside Mirror Remote Control Switchs/Mirrors
Interior Lights Dimming Schematics
Ground Distribution Schematics
Power Distribution Schematics
Power Door Systems Components
Outside Mirrors Circuit Description
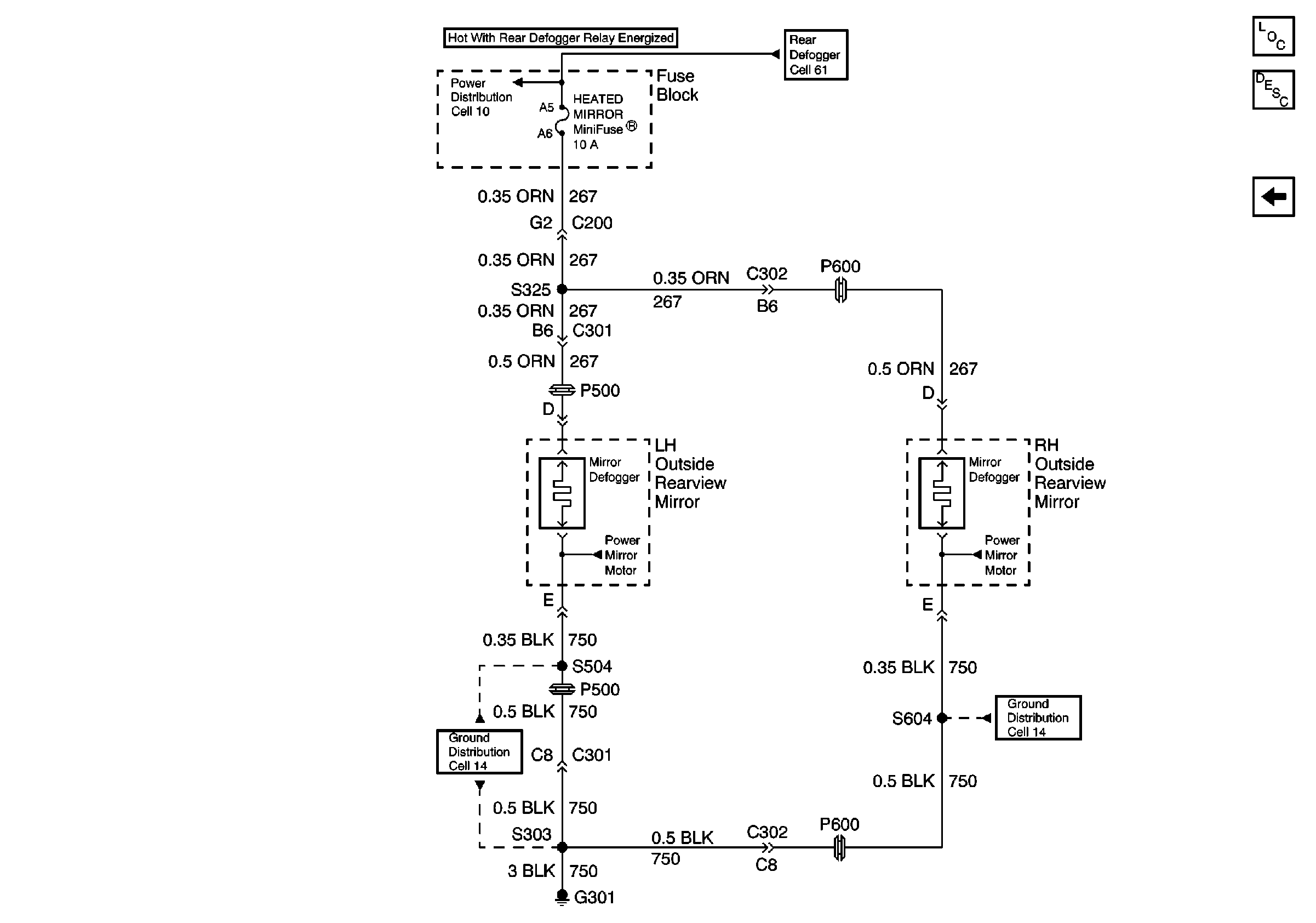
Figure
2:
Cell 147: Heated Mirror Schematic
Power Door Systems Components
Defogger Schematics
Ground Distribution Schematics
Ground Distribution Schematics
Outside Mirrors Circuit Description
Power Distribution Schematics