GM Service Manual Online
For 1990-2009 cars only
Makes
🢒
Buick
🢒
1998
🢒
Century
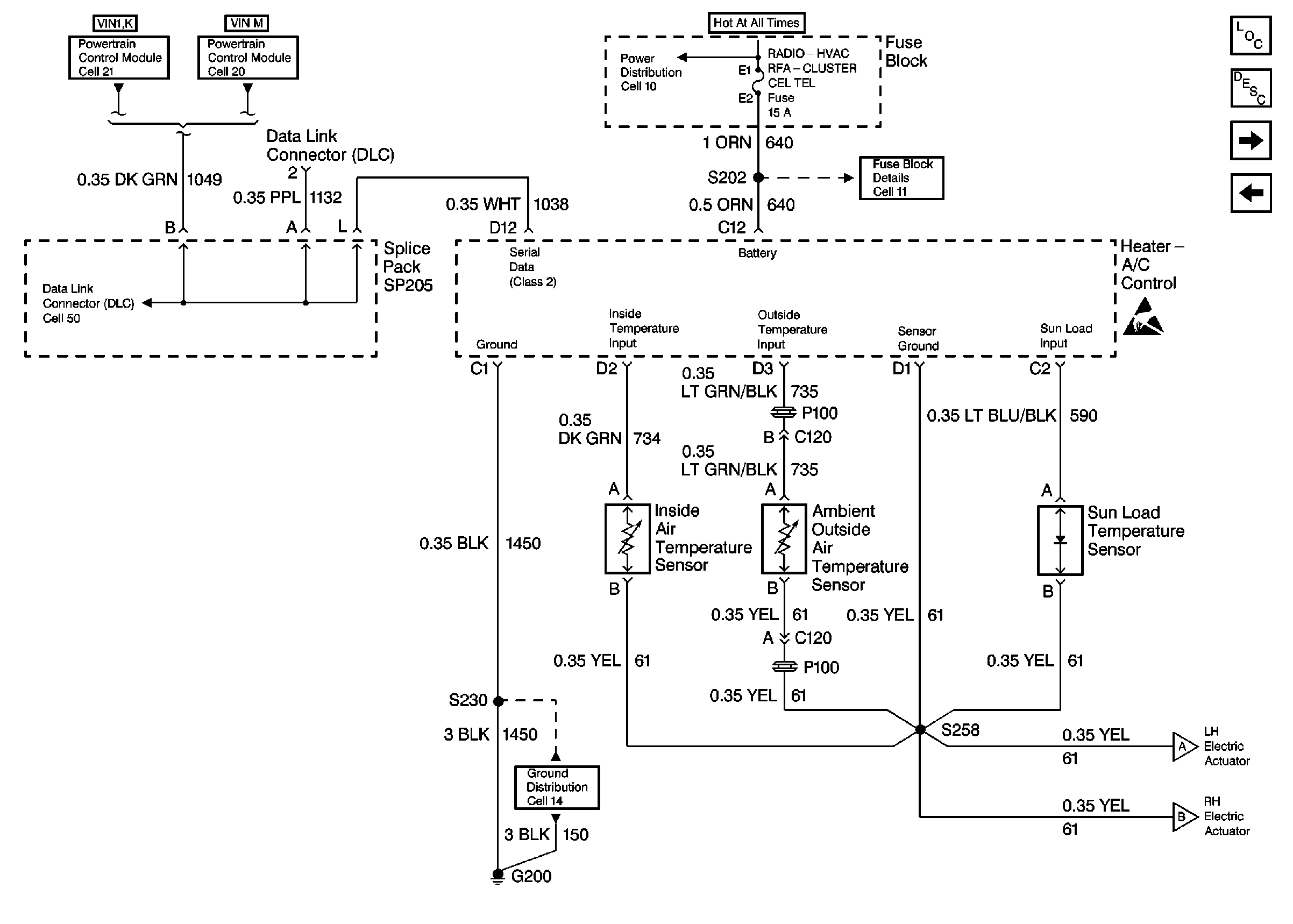
🢒 Cell 68: Heater A/C Control
Cell 68: Heater A/C Control
Cell 68: Heater A/C Control
HVAC Components
HVAC Air Delivery/Temperature Control Circuit Description
Cell 68: Electric Actuators
Cell 67
OBD II Symbol Description Notice
Fuse Block Schematics
Handling ESD Sensitive Parts Notice
Ground Distribution Schematics
Cell 68: Electric Actuators