GM Service Manual Online
For 1990-2009 cars only
Figure 1:

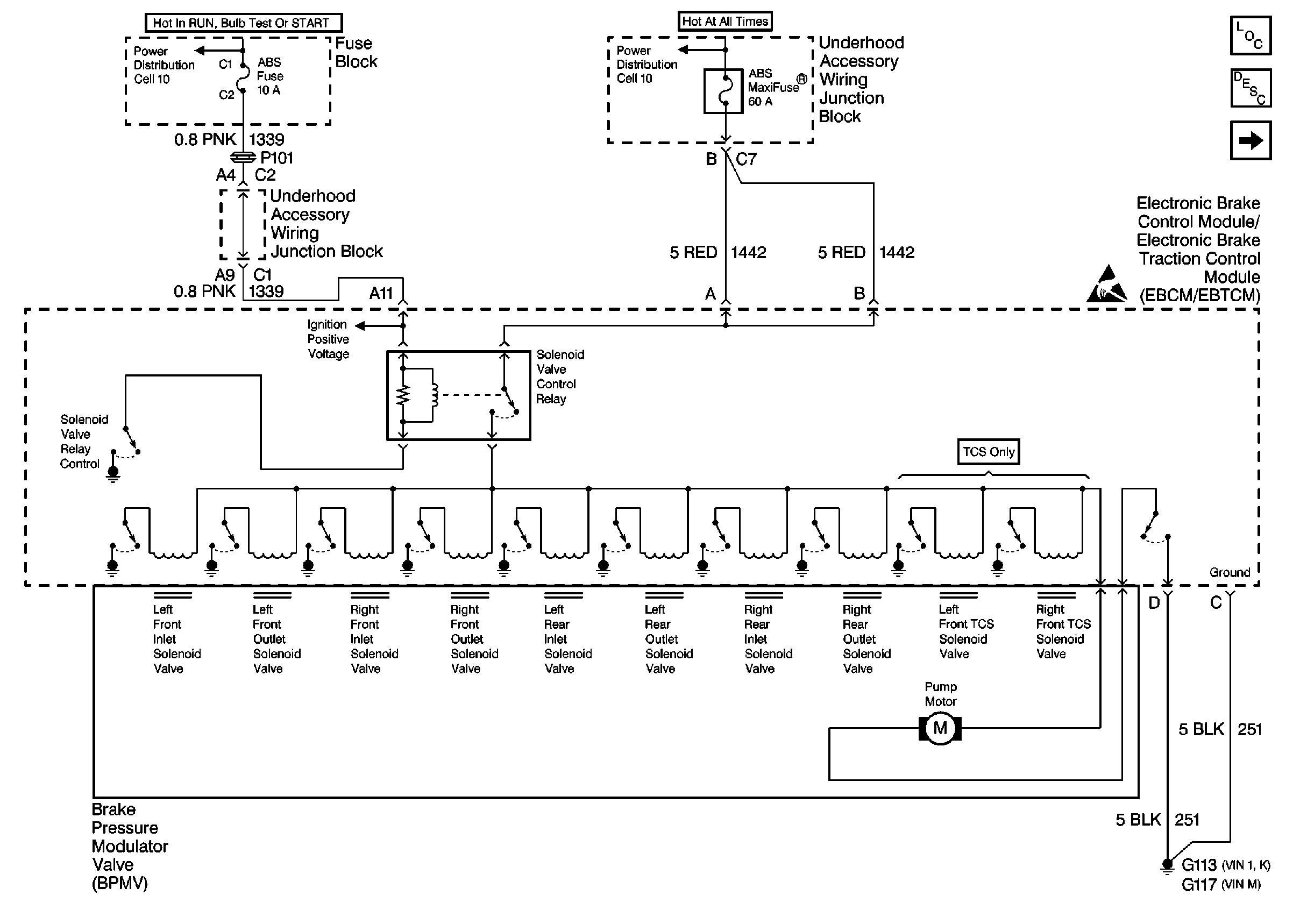
Cell 44: Power, Ground, BPMV, and EBCM/EBTCM


Object Number: 349035  Size: FS
Cell 10: Ignition Switch
Cell 10: EBCM/EBTCM
ABS Components
ABS Description
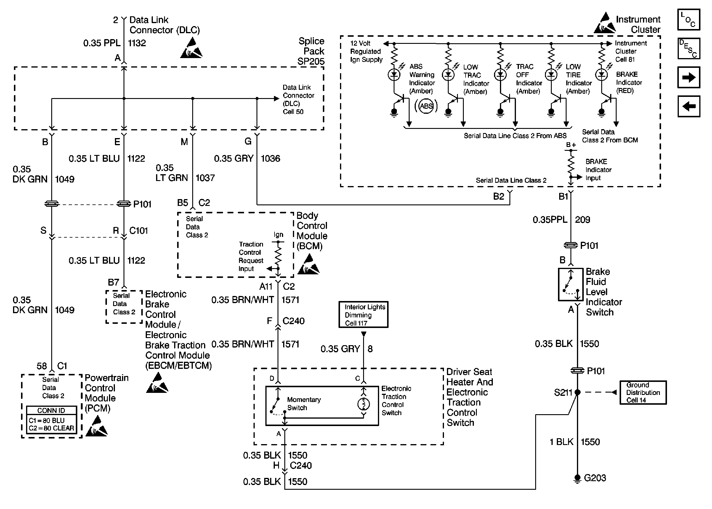
Cell 44: Serial Data, SP205, PCM, BCM, Instrument Cluster, and EBCM/EBTCM
Handling ESD Sensitive Parts Notice
Figure 2:

Cell 44: Serial Data, SP205, PCM, BCM, Instrument Cluster, and EBCM/EBTCM


Object Number: 349037  Size: FS
Handling ESD Sensitive Parts Notice
Handling ESD Sensitive Parts Notice
Handling ESD Sensitive Parts Notice
Handling ESD Sensitive Parts Notice
Handling ESD Sensitive Parts Notice
Cell 117: Dimming Head/Foglamp Switch
Cell 50: Class 2 Serial Data Link
Cell 14: G203 (1 of 2)
Cell 81: PCM, Engine Coolant Level Indicator Module, Windshield Washer Solvent Level Switch
ABS Components
ABS Description
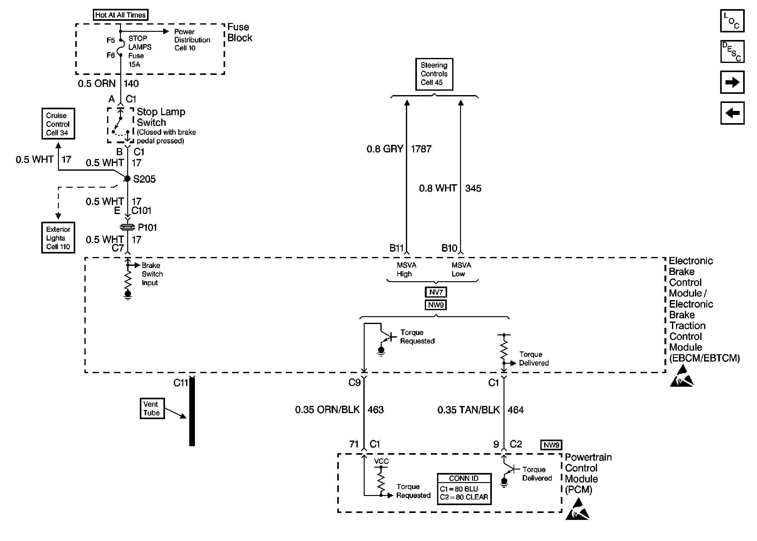
Cell 44: Stop Lamp Switch Input, MSVA, and Torque Circuits
Cell 44: Power, Ground, BPMV, and EBCM/EBTCM
Figure 3:

Cell 44: Stop Lamp Switch Input, MSVA, and Torque Circuits


Object Number: 349041  Size: FS
Cell 34
Cell 110: Turn Signal Switch, CHMSL Lamp
Cell 11: HIGH BLOWER, HAZARD, STOP LAMPS, DOOR LOCKS, POWER MIRRORS, RH HEATED SEAT AND LH HEATED SEAT Fuses
Cell 45: MSVA Actuator, Serial Data, SP205, and EBCM/EBTCM
Handling ESD Sensitive Parts Notice
Handling ESD Sensitive Parts Notice
ABS Components
ABS Description
Cell 44: Wheel Speed Sensors, and EBCM/EBTCM
Cell 44: Serial Data, SP205, PCM, BCM, Instrument Cluster, and EBCM/EBTCM
Figure 4:

Cell 44: Wheel Speed Sensors, and EBCM/EBTCM


Object Number: 349043  Size: FS
ABS Components
ABS Description
Cell 44: Stop Lamp Switch Input, MSVA, and Torque Circuits
Notice Twisted Wires
Handling ESD Sensitive Parts Notice