GM Service Manual Online
For 1990-2009 cars only
Makes
🢒
Buick
🢒
1999
🢒
Century
🢒
Steering
🢒
Variable Effort Steering
🢒 Steering Assist Schematics
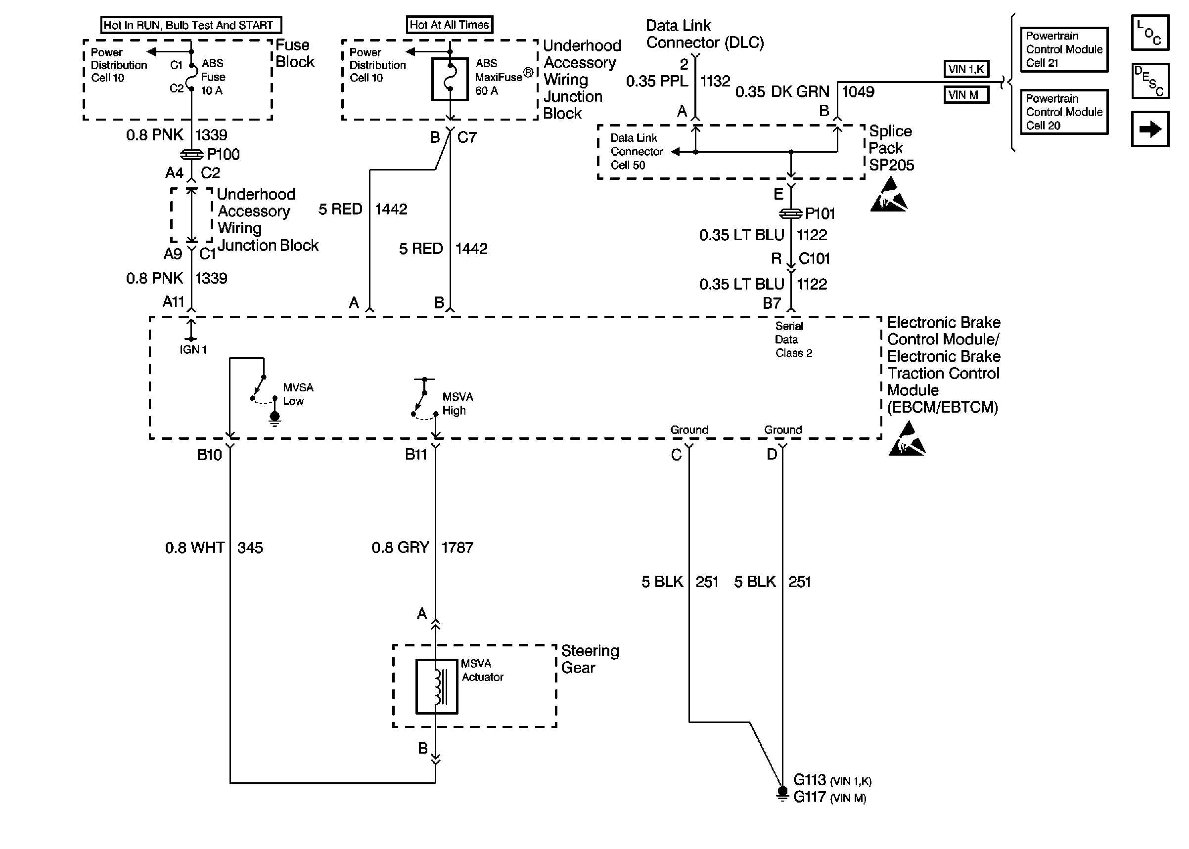
Figure
1:
Cell 45: MSVA Actuator, Serial Data, SP205, and EBCM/EBTCM
Cell 10: Ignition Switch
Cell 10: EBCM/EBTCM
Cell 50: Class 2 Serial Data Link
Handling ESD Sensitive Parts Notice
Handling ESD Sensitive Parts Notice
Cell 14: G301 (2 of 2)
Cell 20: Power, Ground, MIL and DLC
Steering Controls Components
Variable Effort Steering System Operation
Cell 45: Wheel Speed Sensors
Figure
2:
Cell 45: Wheel Speed Sensors
Steering Controls Components
Variable Effort Steering System Operation
Cell 45: MSVA Actuator, Serial Data, SP205, and EBCM/EBTCM
Notice Twisted Wires
Handling ESD Sensitive Parts Notice