GM Service Manual Online
For 1990-2009 cars only
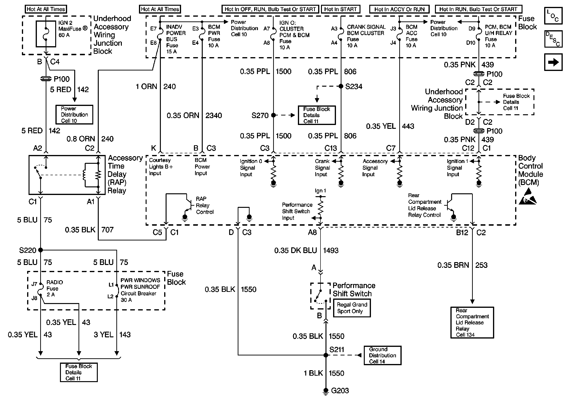
Figure 1:

Cell 51: Power and Ground Distribution, RAP Relay, and Performance Shift Switch.


Object Number: 385089  Size: FS
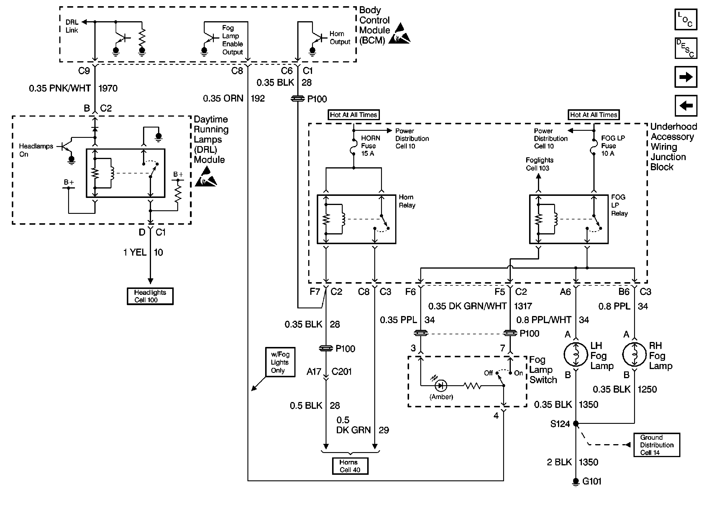
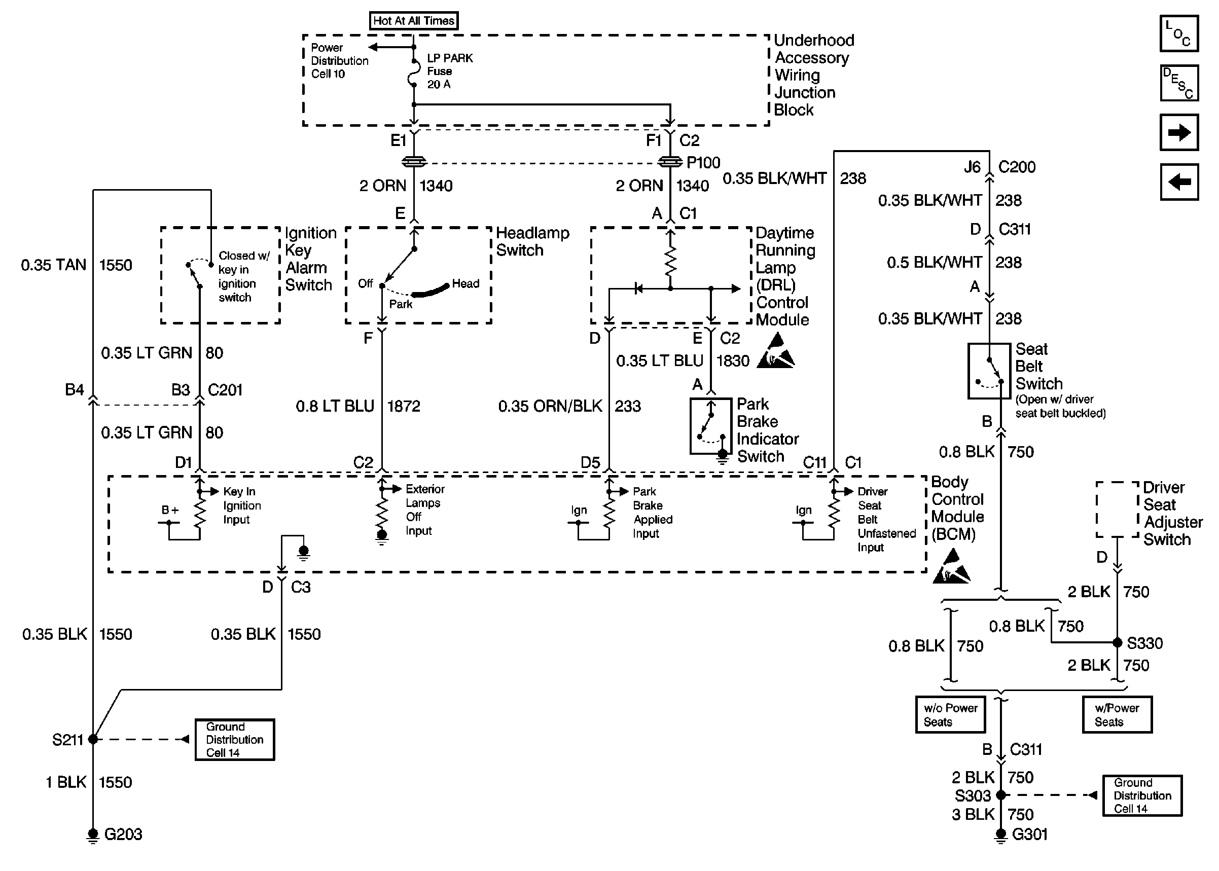
Figure 2:

Cell 51: Daytime Running Lights, Fog Lights and Horns


Object Number: 385092  Size: FS
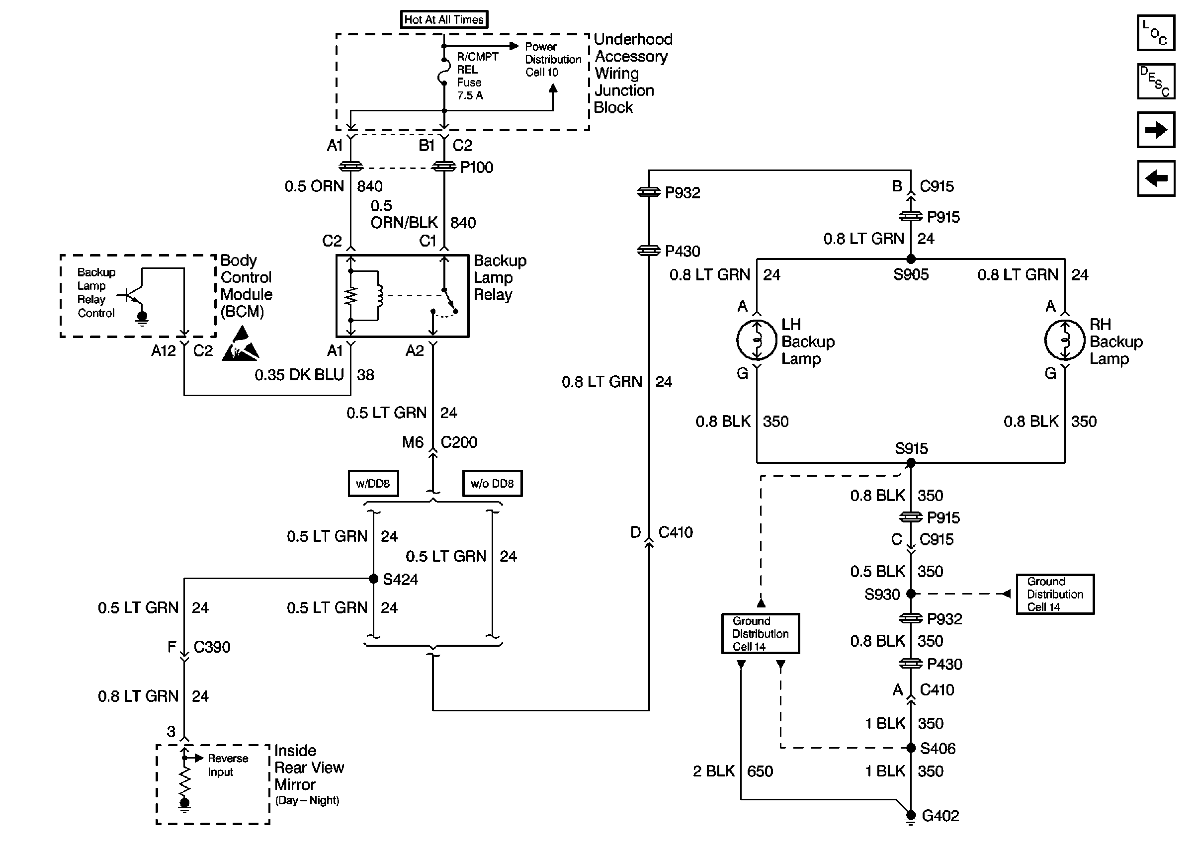
Figure 3:

Cell 51: Backup Lamps


Object Number: 385095  Size: FS
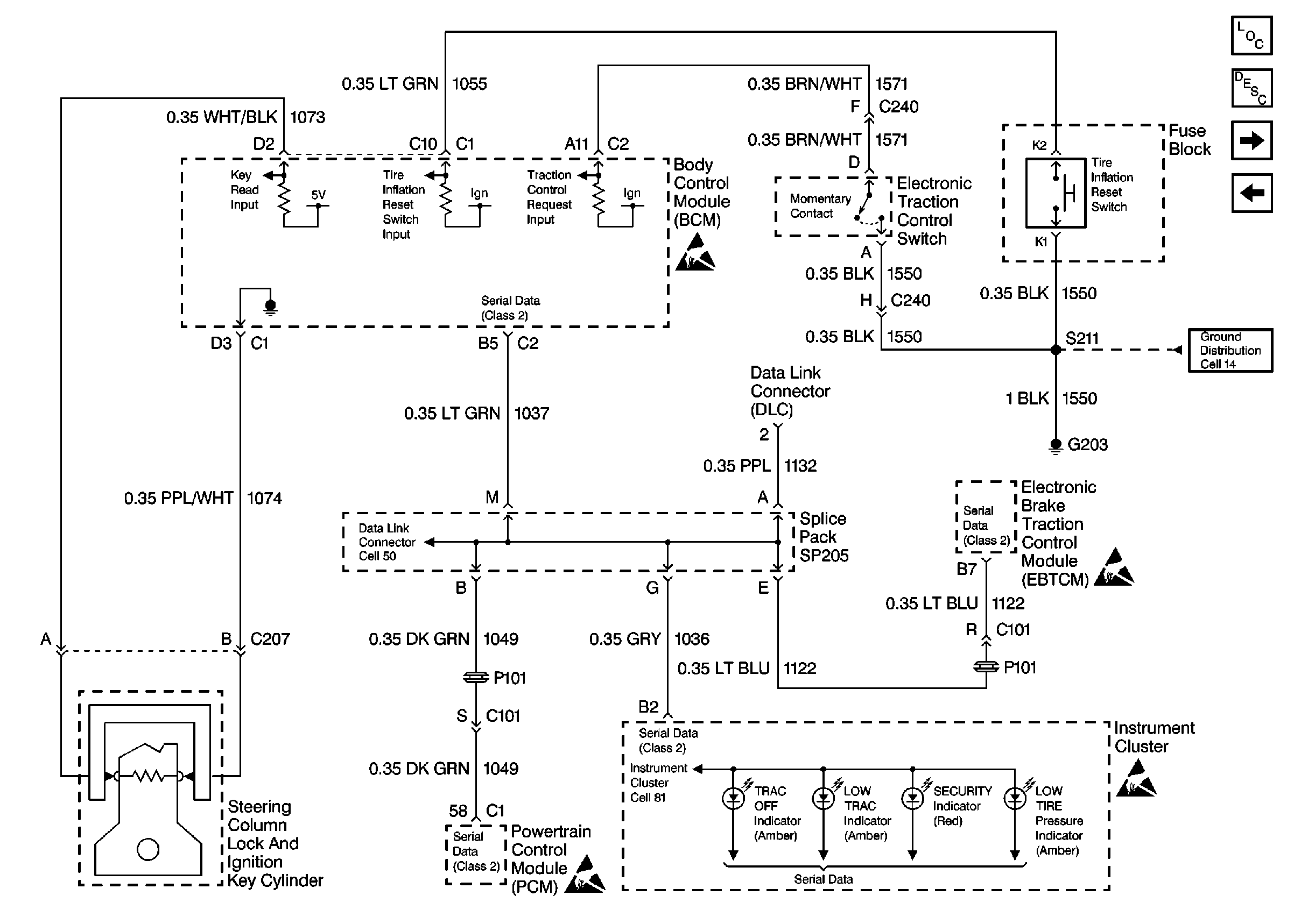
Figure 4:

Cell 51: Electronic Traction Control Switch, Tire Inflation Reset Switch, Class 2 Serial Data, and PASS-Key®


Object Number: 385098  Size: FS
Figure 5:

Cell 51: Audible Warning Inputs


Object Number: 385100  Size: FS
Figure 6:

Cell 51: Interior Lights Control Inputs


Object Number: 385105  Size: FS
Figure 7:

Cell 51: Interior Lights Control -- Inadvertent Battery Rundown Protection and Theater Dimming 1 Ground Output


Object Number: 385108  Size: FS
Figure 8:

Cell 51: Interior Lights Theater Dimming 2 Output Control


Object Number: 385111  Size: FS
Figure 9:

Cell 51: Automatic Door Locks Inputs


Object Number: 385112  Size: FS
Figure 10:

Cell 51: Automatic Door Locks Outputs


Object Number: 385116  Size: FS