GM Service Manual Online
For 1990-2009 cars only
Makes
🢒
Buick
🢒
1999
🢒
Century
🢒
Body and Accessories
🢒
Horns
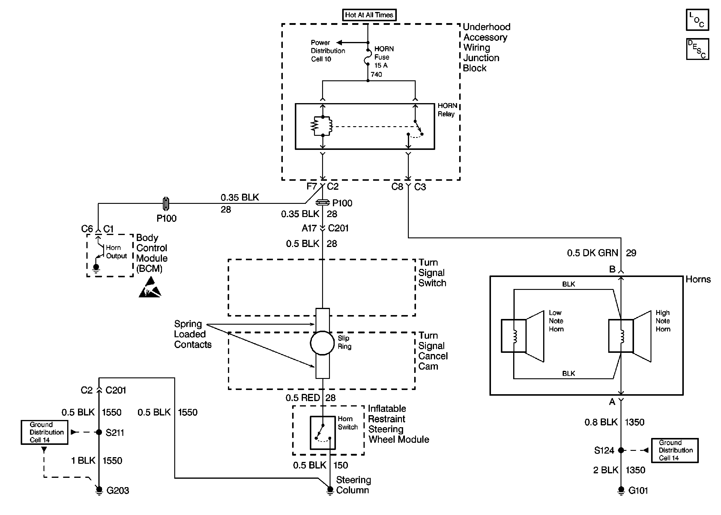
🢒 Horn Schematics
Cell 40
Horns Components
Cell 11: R/CMPT REL, ECM, GEN, F/PMP, FOG LP, A/C CLU, and HORN Fuses
Handling Electrostatic Discharge Sensitive Parts Notice
Cell 14: G203 (1 of 2)
Cell 14: G101
Horns Circuit Description