GM Service Manual Online
For 1990-2009 cars only
Makes
🢒
Buick
🢒
1999
🢒
Century
🢒
Body and Accessories
🢒
Stationary Windows
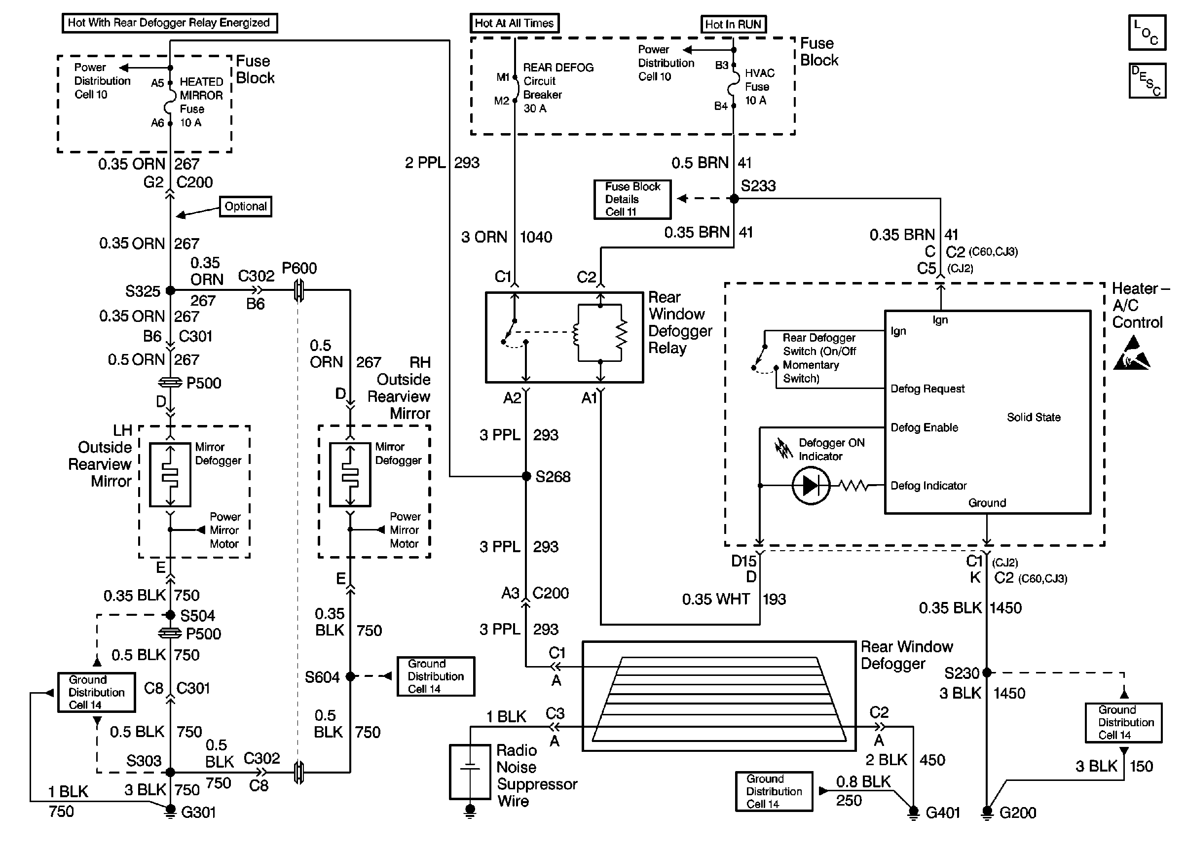
🢒 Defogger Schematics
Cell 61
Rear Window Defogger Circuit Description
Ground Distribution Schematics
Ground Distribution Schematics
Ground Distribution Schematics
Ground Distribution Schematics
Fuse Block Schematics
Power Distribution Schematics
Power Distribution Schematics
Handling ESD Sensitive Parts Notice