GM Service Manual Online
For 1990-2009 cars only
Makes
🢒
Buick
🢒
1999
🢒
Century
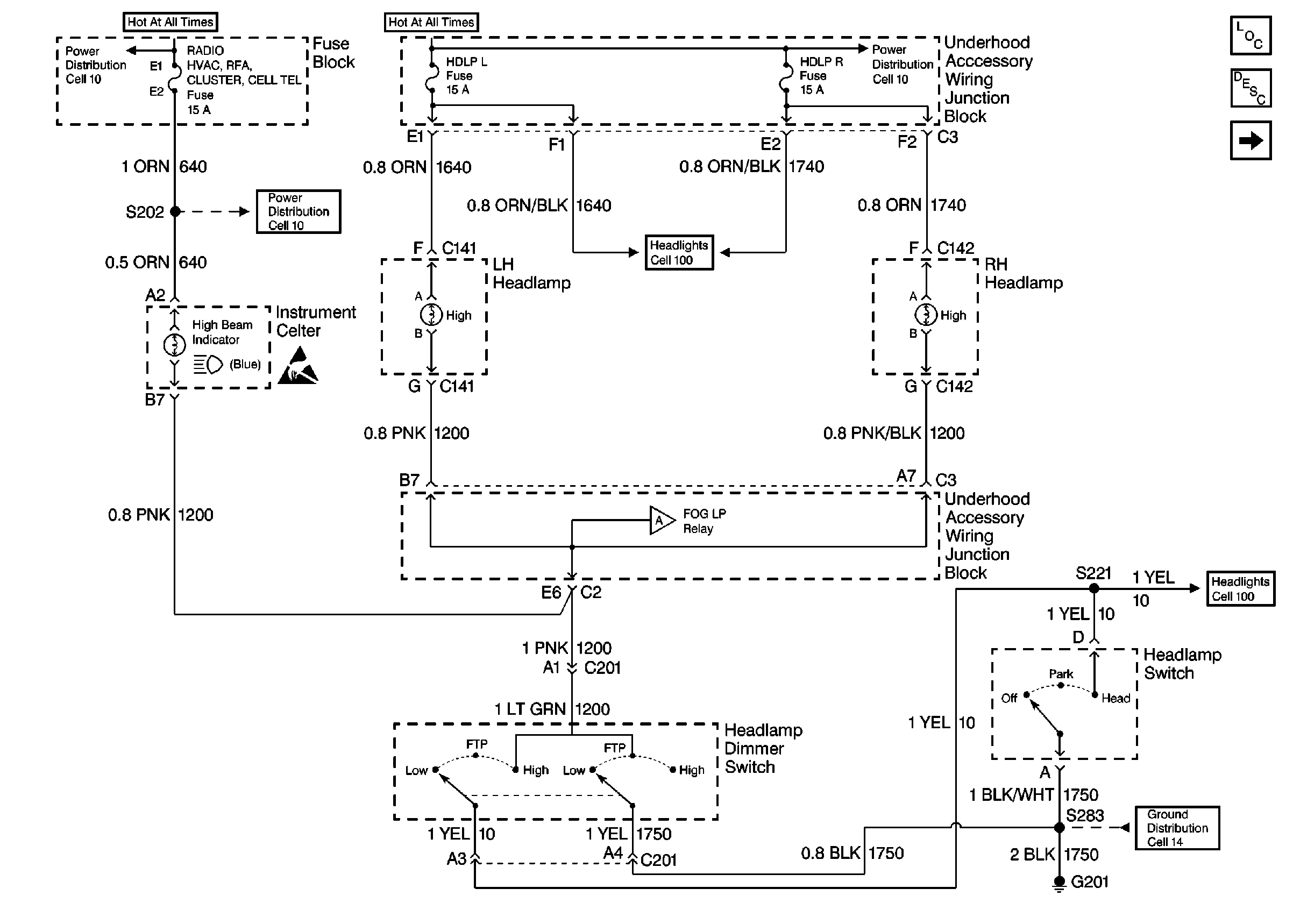
🢒 Cell 103: Headlamps, Headlamp/Dimmer Switch
Cell 103: Headlamps, Headlamp/Dimmer Switch
Cell 103: Headlamps, Headlamp/Dimmer Switch
Cell 11: LOW BLOWER, CRUISE and HVAC Fuses
Cell 11: LOW BLOWER, CRUISE and HVAC Fuses
Handling ESD Sensitive Parts Notice
Cell 11: LP PARK, HDLP L and HDLP R Fuses
DRL Control Module, Park Brake Indicator Switch
Cell 103: Foglamp Switch, BCM, Foglamps
Fog Lights Circuit Description
Cell 103: Foglamp Switch, BCM, Foglamps
DRL Control Module, Park Brake Indicator Switch
Cell 14: G201
Lighting Systems Components