GM Service Manual Online
For 1990-2009 cars only

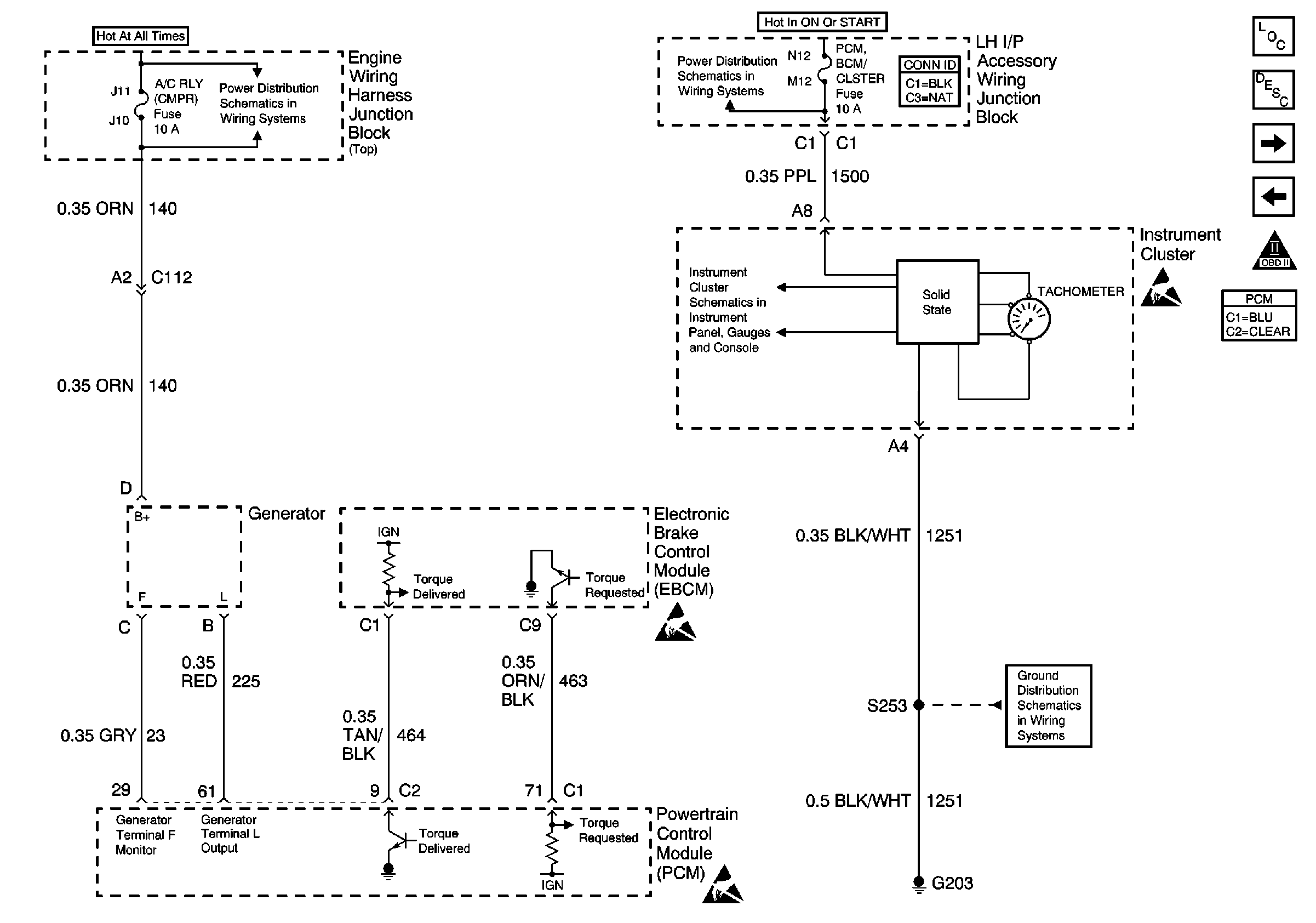
Refer to Engine Controls Schematic

EBCM, Generator, PCM, Tachometer


Object Number: 488676  Size: FS
EXT LTS, A/C RLY (CMPR) and PCM Fuses
Power, DLC, BCM, PCM, SP205, G203
PCM BCM/CLSTR, PWR MIR, CLSTR/BCM Fuses, RETAINED ACCSRY PWR CIRCUIT Breaker, HEADLAMP and RETAINED ACCSRY PWR Relays
Handling ESD Sensitive Parts Notice
Handling ESD Sensitive Parts Notice
Handling ESD Sensitive Parts Notice
G203 (2 of 3)
Engine Controls Components
Powertrain Control Module Description
Automatic Transaxle Position Encoder, Crank Relay
VSS, Cruise
OBD II Symbol Description Notice
.

Circuit Description

The PCM controls the pulse frequency in relationship to engine RPM, and sends the information Class II to the Instrument Cluster.

Diagnostic Aids

Refer to Diagnostic Starting Point - Instrument Panel, Gages and Console in Instrument Panel, Gauges and Console for additional diagnostic information.

Inspect for the following conditions:

Many situations may lead to an intermittent condition. Perform each inspection or test as directed.

Important: :  Remove any debris from the connector surfaces before servicing a component. Inspect the connector gaskets when diagnosing or replacing a component. Ensure that the gaskets are installed correctly. The gaskets prevent contaminate intrusion.

    • Loose terminal connection
       -  Use a corresponding mating terminal to test for proper tension. Refer to Testing for Intermittent Conditions and Poor Connections , and to Connector Repairs in Wiring Systems for diagnosis and repair.
       -  Inspect the harness connectors for backed out terminals, improper mating, broken locks, improperly formed or damaged terminals, and faulty terminal to wire connection. Refer to Testing for Intermittent Conditions and Poor Connections , and to Connector Repairs in Wiring Systems for diagnosis and repair.
    • Damaged harness--Inspect the wiring harness for damage. If the harness inspection does not reveal a problem, observe the display on the scan tool while moving connectors and wiring harnesses related to the sensor. A change in the scan tool display may indicate the location of the fault. Refer to Wiring Repairs in Wiring Systems for diagnosis and repair.
    •  Inspect the powertrain control module (PCM) and the engine grounds for clean and secure connections. Refer to Wiring Repairs in Wiring Systems for diagnosis and repair.

If the condition is determined to be intermittent, reviewing the Snapshot or Freeze Frame/Failure Records may be useful in determining when the DTC or condition was identified.

Tachometer Control Circuit

Step

Action

Values

Yes

No

1

Did you perform the Diagnostic System Check - Instrument Cluster?

--

Go to Step 2

Go to Diagnostic Starting Point - Instrument Panel, Gages and Console in Instrument Panel, Gauges and Console

2

Did you perform the Powertrain On Board Diagnostic (OBD) System Check?

--

Go to Step 3

Go to Powertrain On Board Diagnostic (OBD) System Check

3

Are there any IP Cluster, BCM, PCM or UXXXX DTCs set?

--

Go to applicable DTCs

Go to Step 4

4

  1. Install the scan tool.
  2. Start the engine.
  3. Observe the engine RPM on the scan tool.

Does the scan tool RPM match the Instrument Cluster?

--

Go to Diagnostic Aids

Go to Step 5

5

  1. Verify proper operation of scan tool.
  2. Connect scan tool to another vehicle and observe the RPM.

Does the scan tool match vehicle RPM?

--

Go to Step 6

Go to Scan Tool Does Not Power Up or Scan Tool Does Not Communicate with Class 2 Device in Data Link Communications

6

With the engine still running, observe 24X CKP sensor on the scan tool.

Does the scan tool indicate correct engine speed up to 1600 RPM?

--

Go to Tachometer Inaccurate , or Tachometer Inoperative in Instrument Panel, Gauges, and Console

Go to Step 7

7

Inspect for the following circuit conditions:

    • An open/short in the Class II Serial Data circuit
    • An open/short in the following areas:
       -  IC circuit
       -  Bypass circuit
       -  3X Reference High circuit
       -  3X Reference Low circuit
    • An open/short in 24X CKP sensor circuits

Did you find and correct the condition?

--

System OK

Go to DTC P0336 Crankshaft Position (CKP) Sensor Circuit