GM Service Manual Online
For 1990-2009 cars only
Figure 1:

G101


Object Number: 589224  Size: FS
Power and Grounding Components
G100, G113 and G113
Figure 2:

G100, G113 and G113


Object Number: 589227  Size: FS
Power and Grounding Components
G113 and G117
G101
G113 and G117
Figure 3:

G113 and G117


Object Number: 589231  Size: FS
Power and Grounding Components
G200
G100, G113 and G113
G100, G113 and G113
Figure 4:

G200


Object Number: 589234  Size: FS
Power and Grounding Components
G200 cont.
G113 and G117
G200 cont.
G200 cont.
G200 cont.
Figure 5:

G200 cont.


Object Number: 589237  Size: FS
Power and Grounding Components
G201
G200
G200
G200
G200
Figure 6:

G201


Object Number: 589239  Size: FS
Power and Grounding Components
G203
G200 cont.
Figure 7:

G203


Object Number: 589242  Size: FS
Power and Grounding Components
G203 cont.
G201
G203 cont.
Figure 8:

G203 cont.


Object Number: 589251  Size: FS
Power and Grounding Components
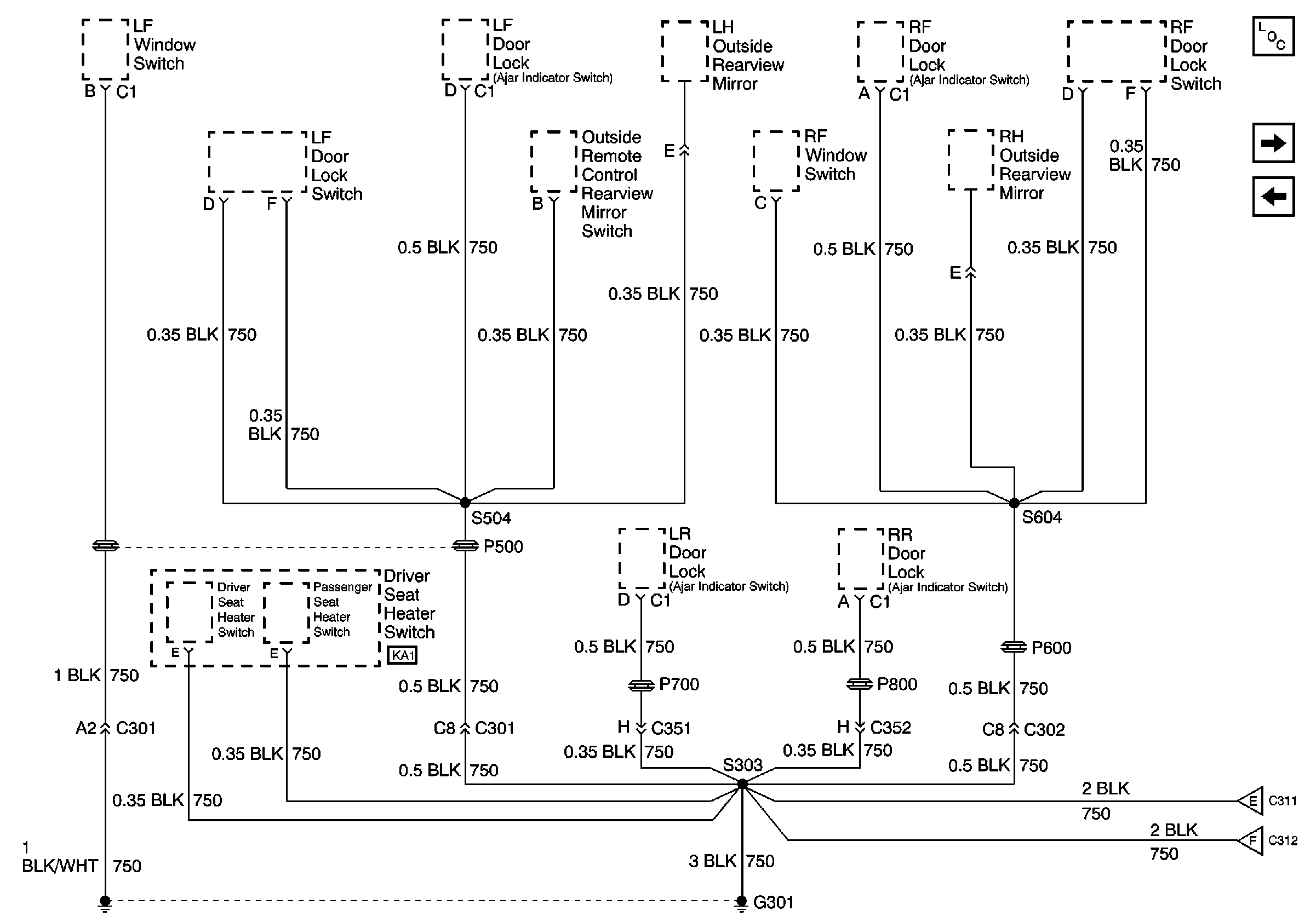
G301
G203
G203
Figure 9:

G301


Object Number: 589254  Size: FS
Power and Grounding Components
G301 cont.
G203 cont.
G301 cont.
G301 cont.
Figure 10:

G301 cont.


Object Number: 589255  Size: FS
Power and Grounding Components
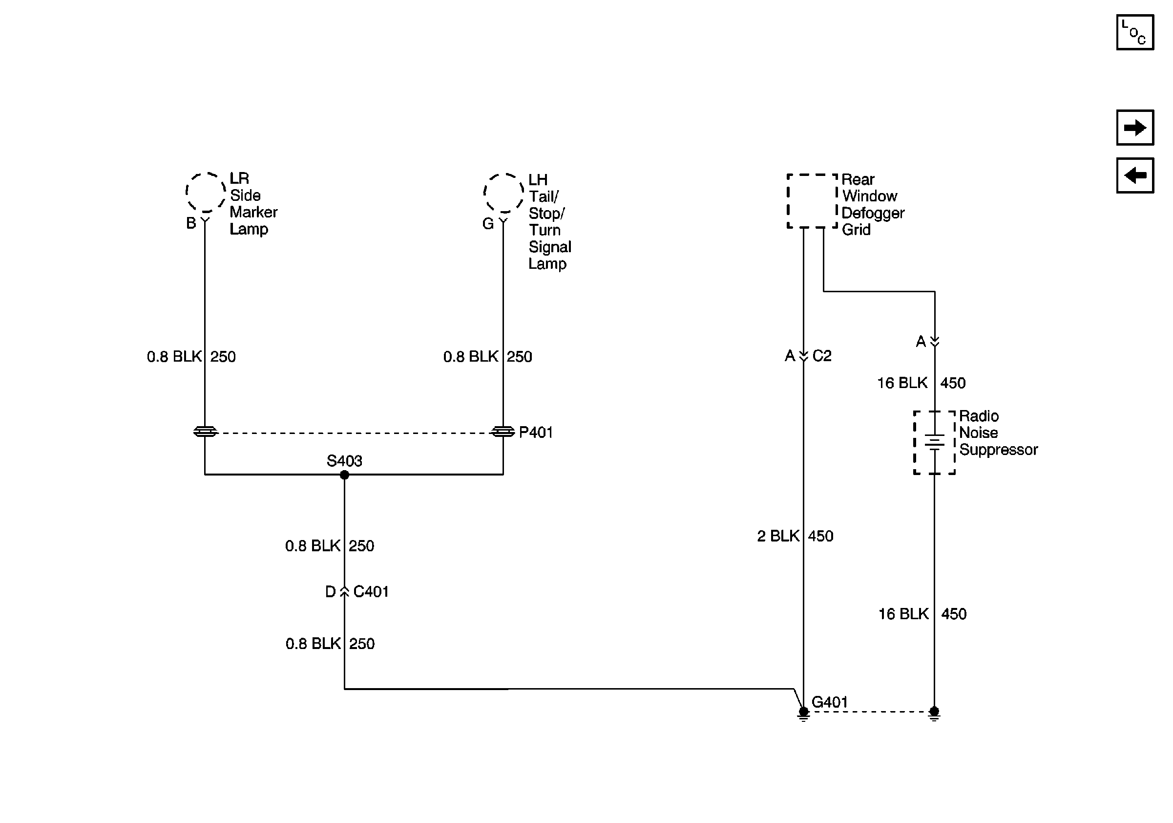
G401
G301
G301
G301
Figure 11:

G401


Object Number: 589257  Size: FS
Power and Grounding Components
G402
G301 cont.
Figure 12:

G402


Object Number: 589259  Size: FS
Power and Grounding Components
G402 cont.
G401
G402 cont.
Figure 13:

G402 cont.


Object Number: 589260  Size: FS
Power and Grounding Components
G402
G402