GM Service Manual Online
For 1990-2009 cars only
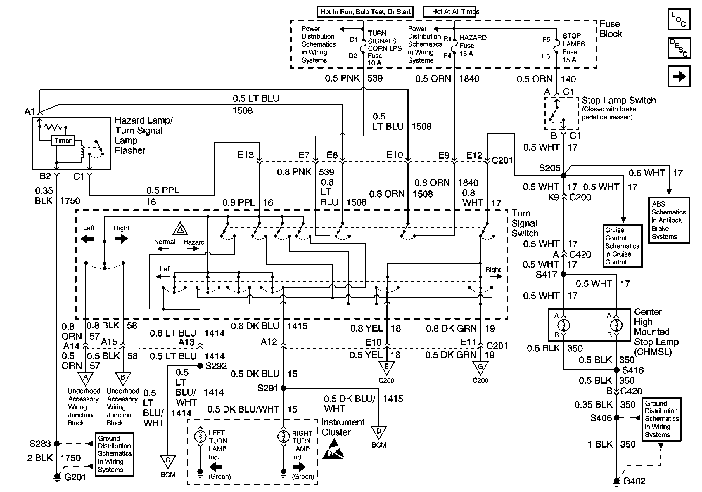
Figure 1:

Hazard Lamp/ Turn Signal Lamp Flasher, Turn Signal Switch, CHMSL and Stop Lamp Switch


Object Number: 595016  Size: FS
Park/Turn Signal, Cornering and Side Marker Lamps
Park/Turn Signal, Cornering and Side Marker Lamps
G201
BCM
UAWJB, Ignition Switch, and Fuse Block
Battery, UAWJB, Fuse Block, Headlamp Switch, Parklamp and Headlamp Relay
Handling ESD Sensitive Parts Notice
Side Marker, Tail/Stop/Turn Signal, Park, and License Lamps
Side Marker, Tail/Stop/Turn Signal, Park, and License Lamps
BCM
Cruise Control Schematics
Antilock Brake System Schematics
G402
Lighting Systems Components
Exterior Lights Circuit Description
BCM, Headlamp Switch, Park Lamp Relay, Headlamp Relay and Ambient Light SenSor
Figure 2:

BCM, Headlamp Switch, Park Lamp Relay, Headlamp Relay and Ambient Light Sensor


Object Number: 595020  Size: FS
Battery, UAWJB, Fuse Block, Headlamp Switch, Parklamp and Headlamp Relay
Park/Turn Signal, Cornering and Side Marker Lamps
Side Marker, Tail/Stop/Turn Signal, Park, and License Lamps
PARK BRAKE, TRANS/TRLR, POWER WDO/LKS, ABS Fuses
Handling ESD Sensitive Parts Notice
G201
Lighting Systems Components
Exterior Lights Circuit Description
BCM
Hazard Lamp/ Turn Signal Lamp Flasher, Turn Signal Switch, CHMSL And Stop Lamp Switch
Figure 3:

BCM


Object Number: 595022  Size: FS
Battery, UAWJB, Fuse Block, Headlamp Switch, Parklamp and Headlamp Relay
Battery, UAWJB, Fuse Block, Headlamp Switch, Parklamp and Headlamp Relay
Hazard Lamp/ Turn Signal Lamp Flasher, Turn Signal Switch, CHMSL And Stop Lamp Switch
Park/Turn Signal, Cornering and Side Marker Lamps
Hazard Lamp/ Turn Signal Lamp Flasher, Turn Signal Switch, CHMSL And Stop Lamp Switch
Park/Turn Signal, Cornering and Side Marker Lamps
UAWJB, Ignition Switch, and Fuse Block
UAWJB, Ignition Switch, and Fuse Block
Handling ESD Sensitive Parts Notice
Lighting Systems Components
Exterior Lights Circuit Description
Side Marker, Tail/Stop/Turn Signal, Park, and License Lamps
BCM, Headlamp Switch, Park Lamp Relay, Headlamp Relay and Ambient Light SenSor
Figure 4:

Side Marker, Tail/Stop/Turn Signal, Park, and License Lamps


Object Number: 595025  Size: FS
Front Park Lamps, Tail Lamps, License Lamps, and Panel Dimming Fuses
BCM, Headlamp Switch, Park Lamp Relay, Headlamp Relay and Ambient Light SenSor
Hazard Lamp/ Turn Signal Lamp Flasher, Turn Signal Switch, CHMSL And Stop Lamp Switch
G402
G402
Hazard Lamp/ Turn Signal Lamp Flasher, Turn Signal Switch, CHMSL And Stop Lamp Switch
Lighting Systems Components
Exterior Lights Circuit Description
Park/Turn Signal, Cornering and Side Marker Lamps
BCM
Figure 5:

Park/Turn Signal, Cornering and Side Marker Lamps


Object Number: 595027  Size: FS
Hazard Lamp/ Turn Signal Lamp Flasher, Turn Signal Switch, CHMSL And Stop Lamp Switch
BCM
BCM
BCM, Headlamp Switch, Park Lamp Relay, Headlamp Relay and Ambient Light SenSor
Hazard Lamp/ Turn Signal Lamp Flasher, Turn Signal Switch, CHMSL And Stop Lamp Switch
G101
Front Park Lamps, Tail Lamps, License Lamps, and Panel Dimming Fuses
Lighting Systems Components
Exterior Lights Circuit Description
Side Marker, Tail/Stop/Turn Signal, Park, and License Lamps