GM Service Manual Online
For 1990-2009 cars only

Removal Procedure

Tools Required

J 39232 Wiper Transmission Separator


    Object Number: 306506  Size: SH
  1. Remove the wiper arms from the wiper transmission drive shafts. Refer to Windshield Wiper Arm Replacement .
  2. Remove the air inlet grille panel from the vehicle. Refer to Air Inlet Grille Panel Replacement in Body Front End.
  3. Remove the connector from the wiper motor.
  4. Remove the wiper transmission from the wiper motor crank arm using the J 39232 .

  5. Object Number: 334235  Size: SH
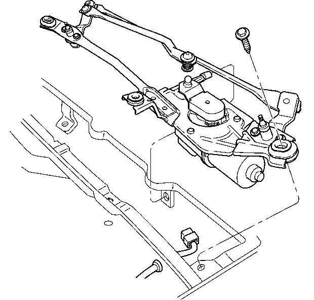
  6. Remove three screws and the wiper drive system module from the vehicle.

  7. Object Number: 334250  Size: SH
  8. Remove the wiper motor crank arm from the wiper motor.
  9. 6.1. Remove the rubber boot from the wiper motor crank arm.
    6.2. Loosen the screw.
    6.3. Tap on the screw with a soft-faced mallet while holding up on the wiper motor crank arm until the wiper motor crank arm is loose on wiper motor.
    6.4. Remove the screw and wiper motor crank arm from wiper motor.

Installation Procedure

Tools Required

J 39529 Wiper Transmission Installer


    Object Number: 334250  Size: SH
  1. Install the wiper motor crank arm on the wiper motor.
  2. 1.1. Install the connector to the wiper motor.
    1.2. Turn the ignition switch to the ACCY position.
    1.3. Set the wiper switch to the PULSE position. The wiper motor should be operating.
    1.4. Turn the ignition off when the wiper motor is in the innerwipe position and not moving.
    1.5. Disconnect the connector from the wiper motor.
    1.6. Install the wiper motor crank arm on the wiper motor while maintaining a 4-8 mm (0.157-0.314 in) gap between wiper motor crank arm and bracket tab.

    Notice: Use the correct fastener in the correct location. Replacement fasteners must be the correct part number for that application. Fasteners requiring replacement or fasteners requiring the use of thread locking compound or sealant are identified in the service procedure. Do not use paints, lubricants, or corrosion inhibitors on fasteners or fastener joint surfaces unless specified. These coatings affect fastener torque and joint clamping force and may damage the fastener. Use the correct tightening sequence and specifications when installing fasteners in order to avoid damage to parts and systems.

    1.7. Install the screw.
    1.8. Measure the gap between wiper motor crank arm and bracket tab. If the gap is not 4-8 mm (0.157-0.314 in), remove the crank arm and repeat installation.

    Tighten
    Tighten the screw to 16 N·m (142 lb in).

    1.9. Install the rubber boot onto the wiper motor crank arm.

    Object Number: 334235  Size: SH
  3. Install the wiper drive system module on the vehicle with three screws.
  4. Tighten
    Tighten the screws to 10 N·m (88 lb in).


    Object Number: 306515  Size: SH
  5. Install the wiper transmission on the wiper motor crank arm using the J 39529 .
  6. Install the connector onto the wiper motor.
  7. Install the air inlet grille panel on the vehicle. Refer to Air Inlet Grille Panel Replacement in Body Front End.
  8. Install the wiper arms onto the wiper transmission drive shaft. Refer to Windshield Wiper Arm Replacement .
  9. Operate the wipers and inspect for proper operation.