GM Service Manual Online
For 1990-2009 cars only
Makes
🢒
Buick
🢒
2000
🢒
Century
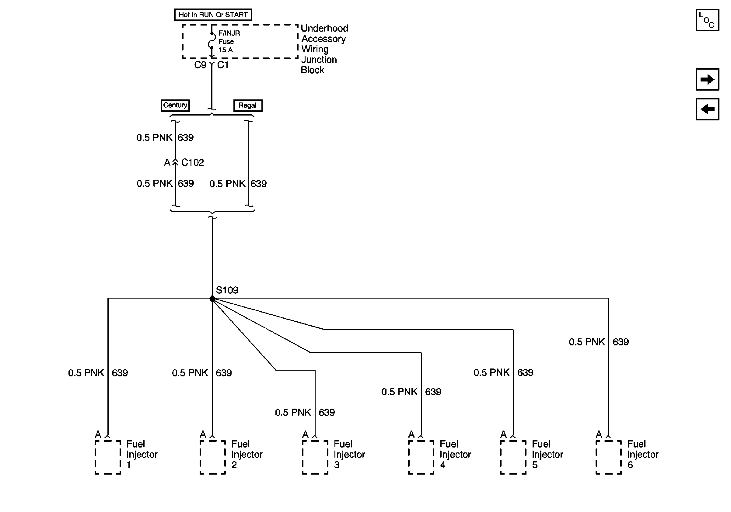
🢒 UAWJB, Fuel Injectors
UAWJB, Fuel Injectors
UAWJB, Fuel Injectors
Power and Grounding Components
Fuse Block Outside Rearview Mirror, Cluster, BCM, PCM, and BTSI Fuse
UAWJB, Automatic Transaxle, ICM, HO2S1 and HO2S2