GM Service Manual Online
For 1990-2009 cars only
Makes
🢒
Buick
🢒
2000
🢒
Century
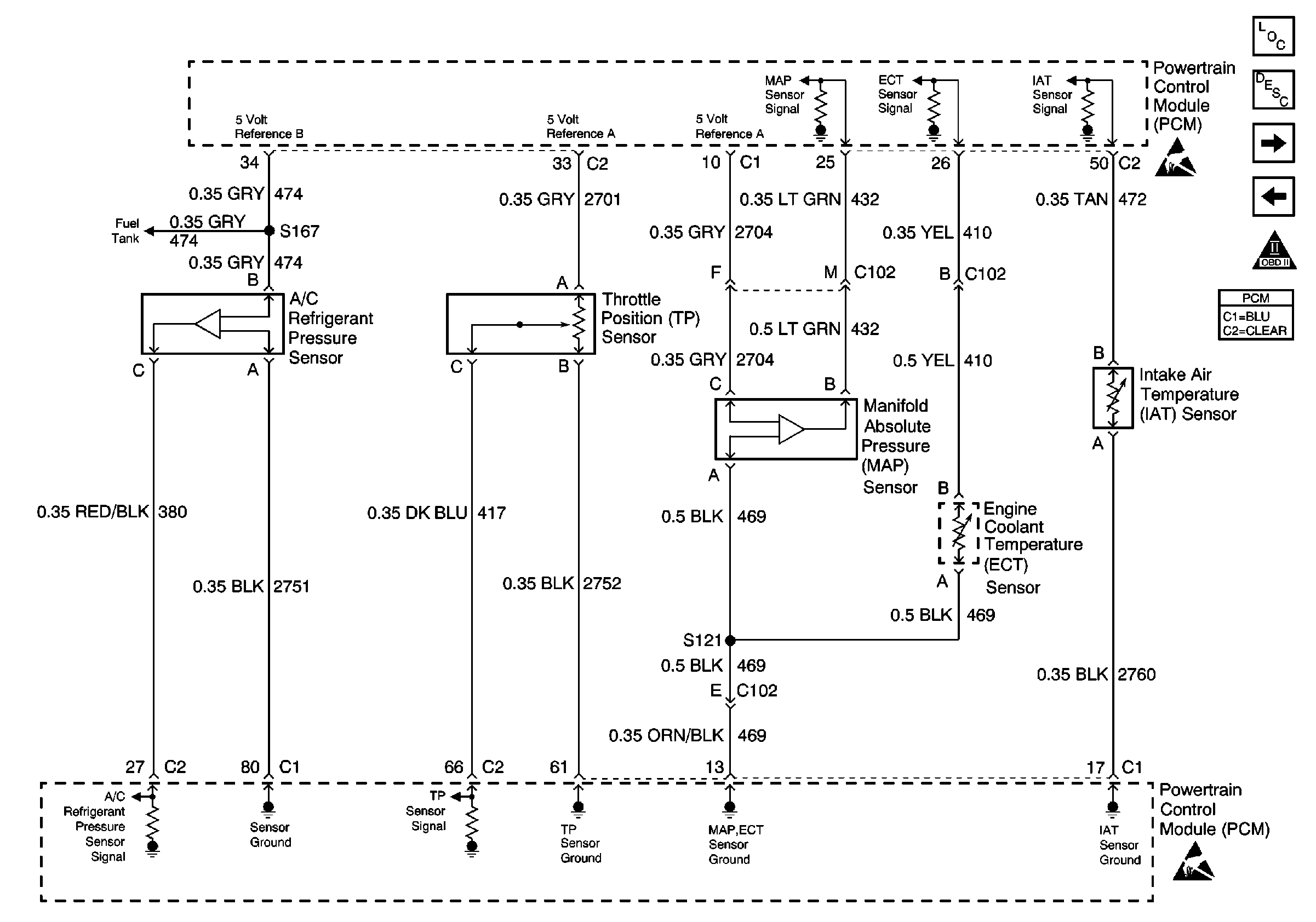
🢒 A/C, Throttle Position, Manifold Absolute Pressure, Engine CoolANT Temperature and Intake Air Temperature Sensors
A/C, Throttle Position, Manifold Absolute Pressure, Engine CoolANT Temperature and Intake Air Temperature Sensors
A/C, Throttle Position, Manifold Absolute Pressure, Engine Coolant Temperature and Intake Air Temperature Sensors
Fuel Tank Inputs
Handling ESD Sensitive Parts Notice
Handling ESD Sensitive Parts Notice
Engine Controls Component Views
Powertrain Control Module Description
Heated Oxygen Sensors
Fuel Injectors Input
OBD II Symbol Description Notice