GM Service Manual Online
For 1990-2009 cars only
Makes
🢒
Buick
🢒
2001
🢒
Century
🢒
Body and Accessories
🢒
Lighting Systems
🢒 Headlights/Daytime Running Lights (DRL) Schematics
Figure
1:
Headlamps and Headlamp Dimmer Switch
Master Electrical Component List
Exterior Lighting Systems Description and Operation
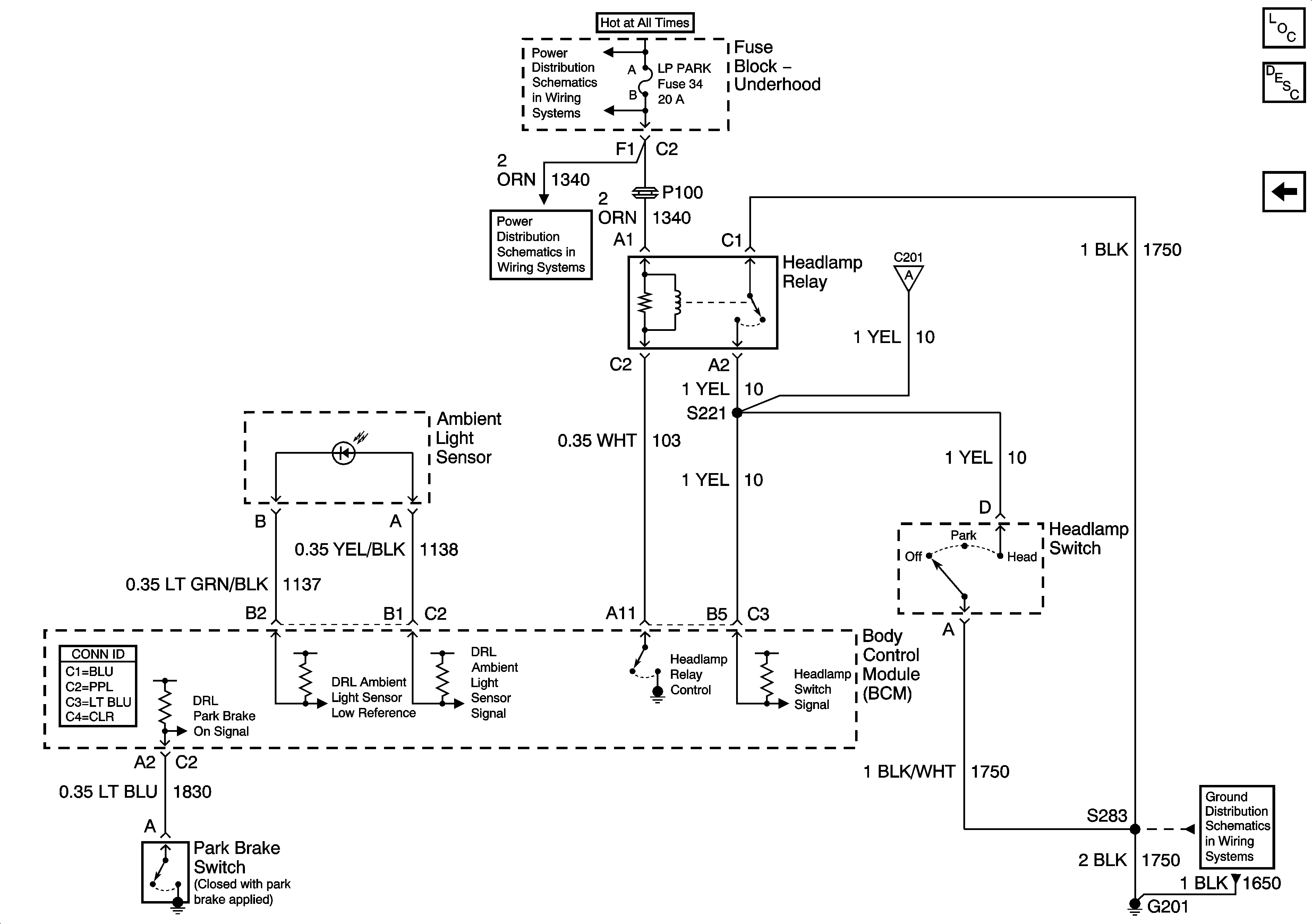
Headlamp Relay, Ambient Light Sensor, and Park Brake Switch
Headlamp Relay, Ambient Light Sensor, and Park Brake Switch
Power Bussing for Fuse Block Underhood Page 1 of 2
Fog Lamp Relay
G201
Figure
2:
Headlamp Relay, Ambient Light Sensor, and Park Brake Switch
Master Electrical Component List
Exterior Lighting Systems Description and Operation
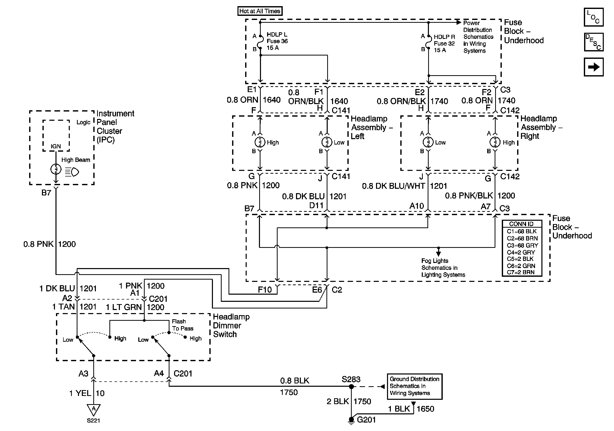
Headlamps and Headlamp Dimmer Switch
Power Bussing for Fuse Block Underhood Page 1 of 2
Lighting, Power Windows
Headlamps and Headlamp Dimmer Switch
G201