GM Service Manual Online
For 1990-2009 cars only
Makes
🢒
Buick
🢒
2001
🢒
Century
🢒
Body and Accessories
🢒
Horns
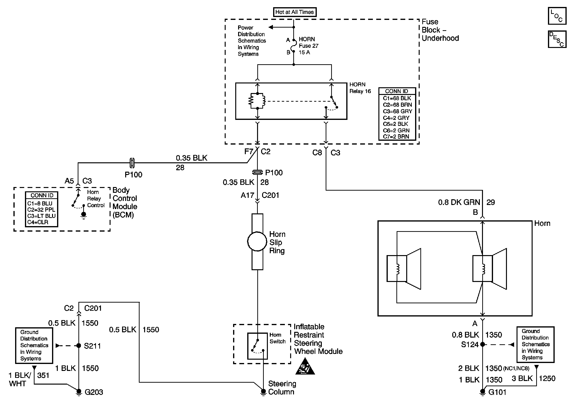
🢒 Horn Schematics
Master Electrical Component List
Horns System Description and Operation
Power Bussing for Fuse Block Underhood Page 1 of 2
G203, Page 1 of 2
SIR Caution
G101