GM Service Manual Online
For 1990-2009 cars only
Makes
🢒
Buick
🢒
2001
🢒
Century
🢒
Body and Accessories
🢒
Doors
🢒 Door Lock/Indicator Schematics
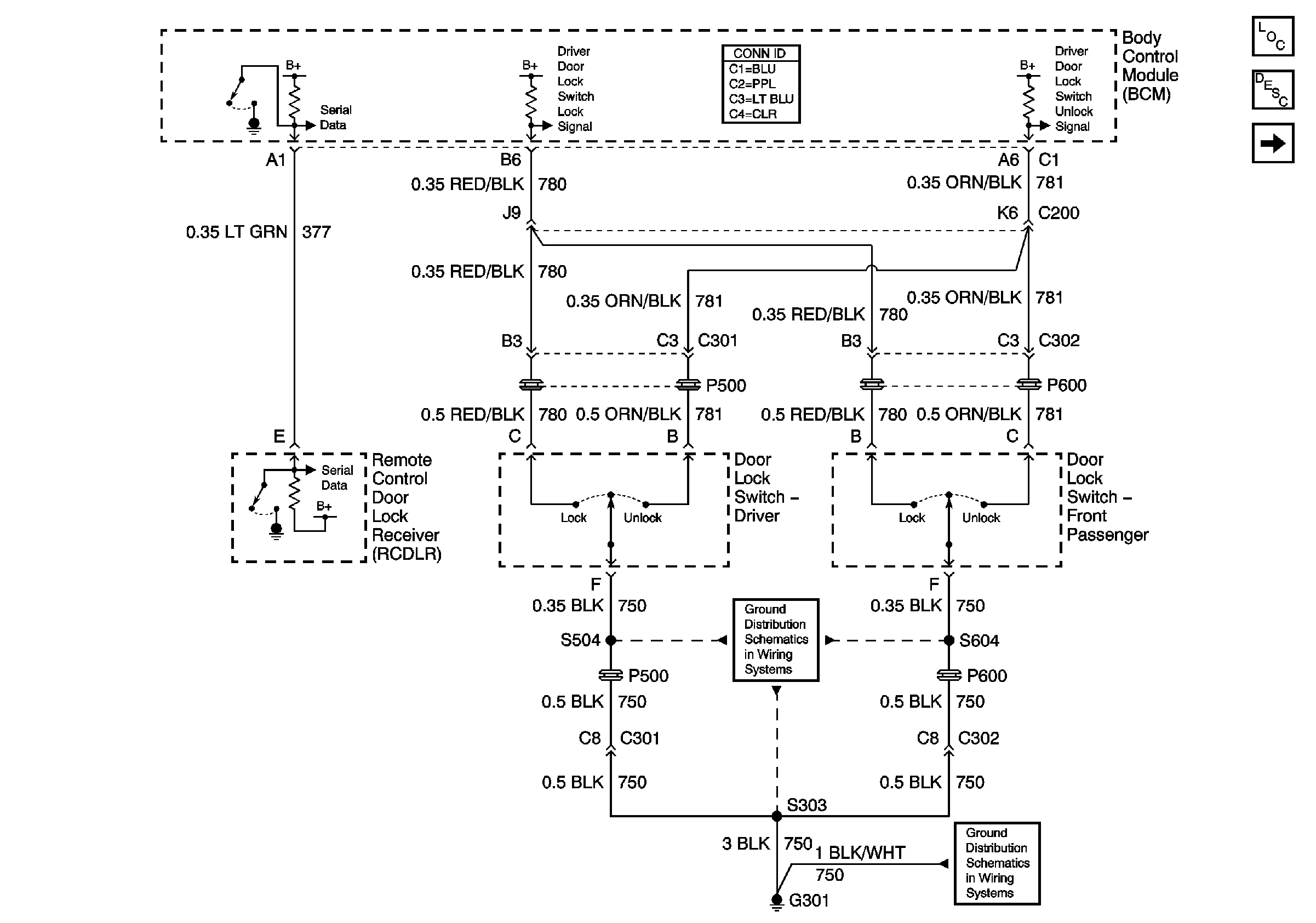
Figure
1:
Switches
Master Electrical Component List
Power Door Locks Description and Operation
Actuators
G301, Page 1 of 2
G301, Page 1 of 2
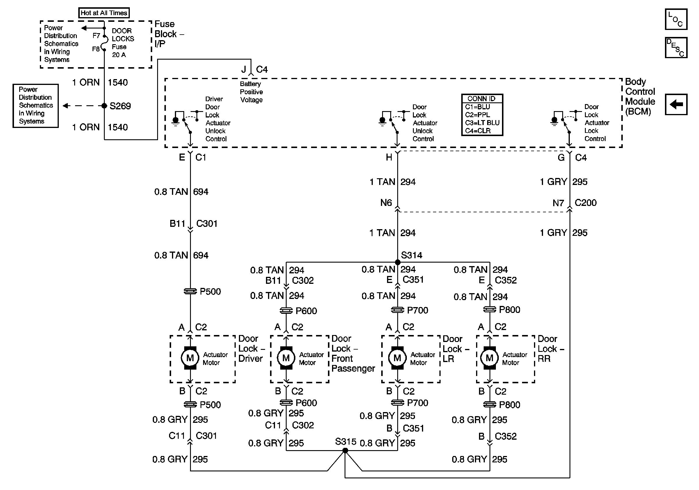
Figure
2:
Actuators
Master Electrical Component List
Power Door Locks Description and Operation
Switches
Batt 2
Batt 2