GM Service Manual Online
For 1990-2009 cars only
Makes
🢒
Buick
🢒
2001
🢒
Century
🢒
Body and Accessories
🢒
Seats
🢒 Heated Seats Schematics
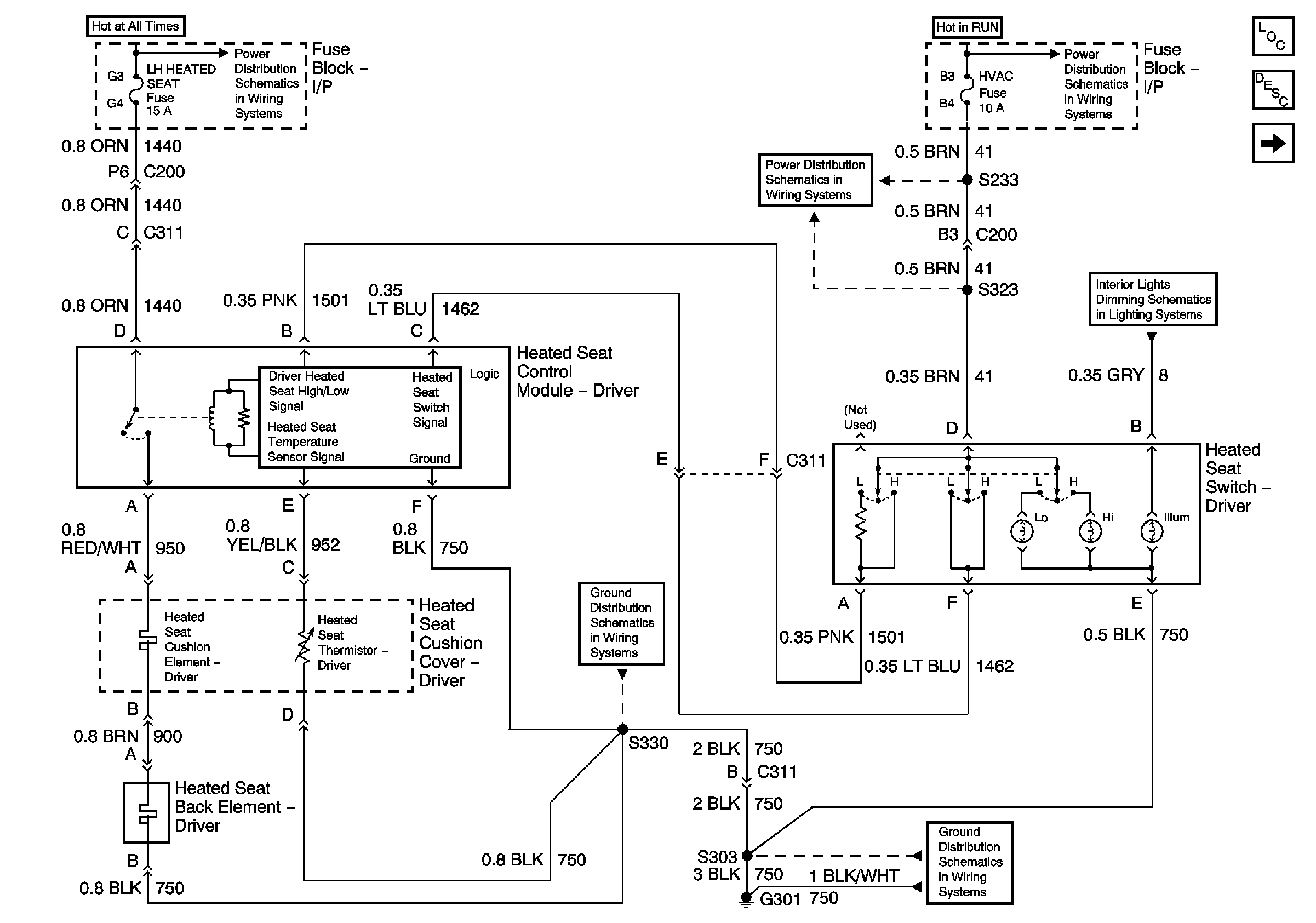
Figure
1:
Driver
Master Electrical Component List
Heated Seats Description and Operation
Passenger
Batt 3
Blower, Cruise, HVAC
IGN 2
Door and Seat Switches
G301, Page 2 of 2
G301, Page 1 of 2
Figure
2:
Passenger
Master Electrical Component List
Heated Seats Description and Operation
Driver
Batt 3
Blower, Cruise, HVAC
IGN 2
Door and Seat Switches
G301, Page 2 of 2
G301, Page 1 of 2