GM Service Manual Online
For 1990-2009 cars only
Makes
🢒
Buick
🢒
2001
🢒
Century
🢒
Body and Accessories
🢒
Wiring Systems
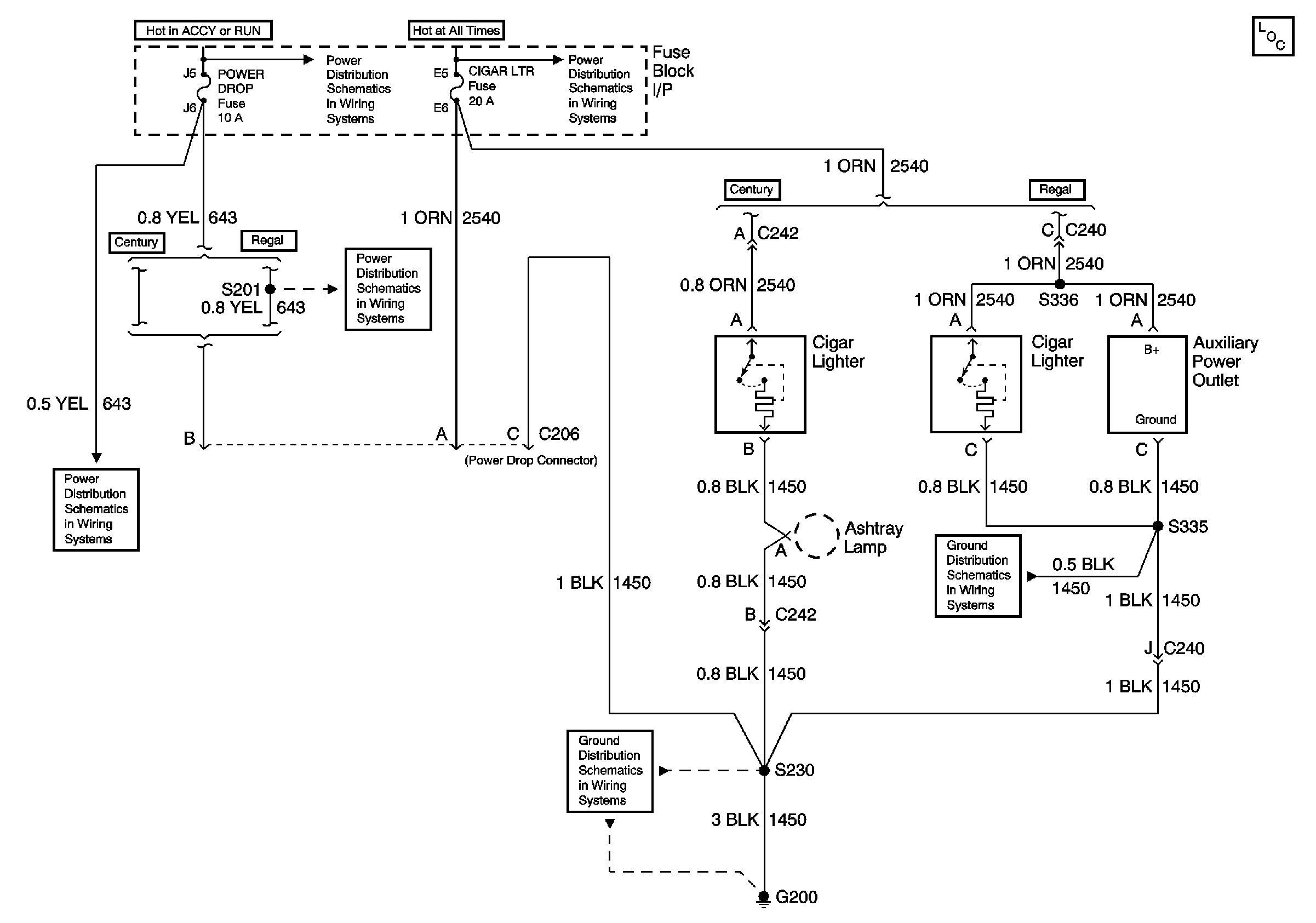
🢒 Cigar Lighter/Power Outlet Schematics
Master Electrical Component List
BCM, Power Drop, SW. Switchs
Batt 1 Fuse
BCM, Power Drop, SW. Switchs
G200, Page 1 of 2
G200, Page 2 of 2