GM Service Manual Online
For 1990-2009 cars only
Makes
🢒
Buick
🢒
2001
🢒
Century
🢒 Roof
Roof
Master Electrical Component List
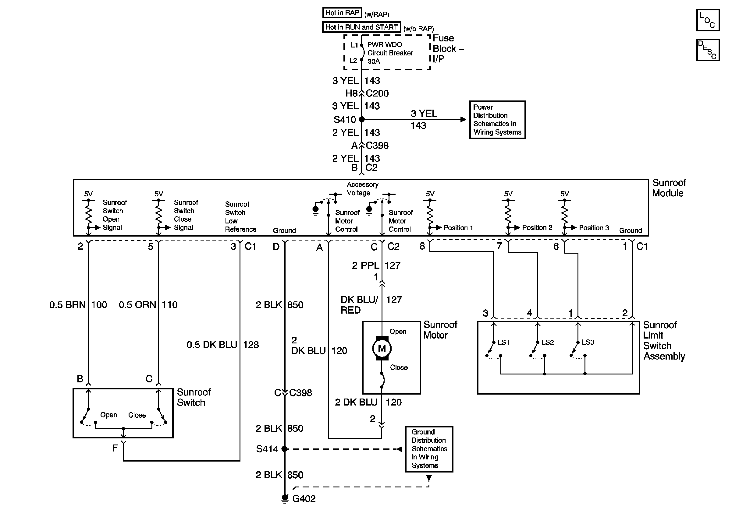
Sunroof Description and Operation
Lighting, Power Windows
G402, Page 1 of 2