GM Service Manual Online
For 1990-2009 cars only
Makes
🢒
Buick
🢒
2002
🢒
Century
🢒
Engine
🢒
Engine Electrical
🢒 Starting and Charging Schematics
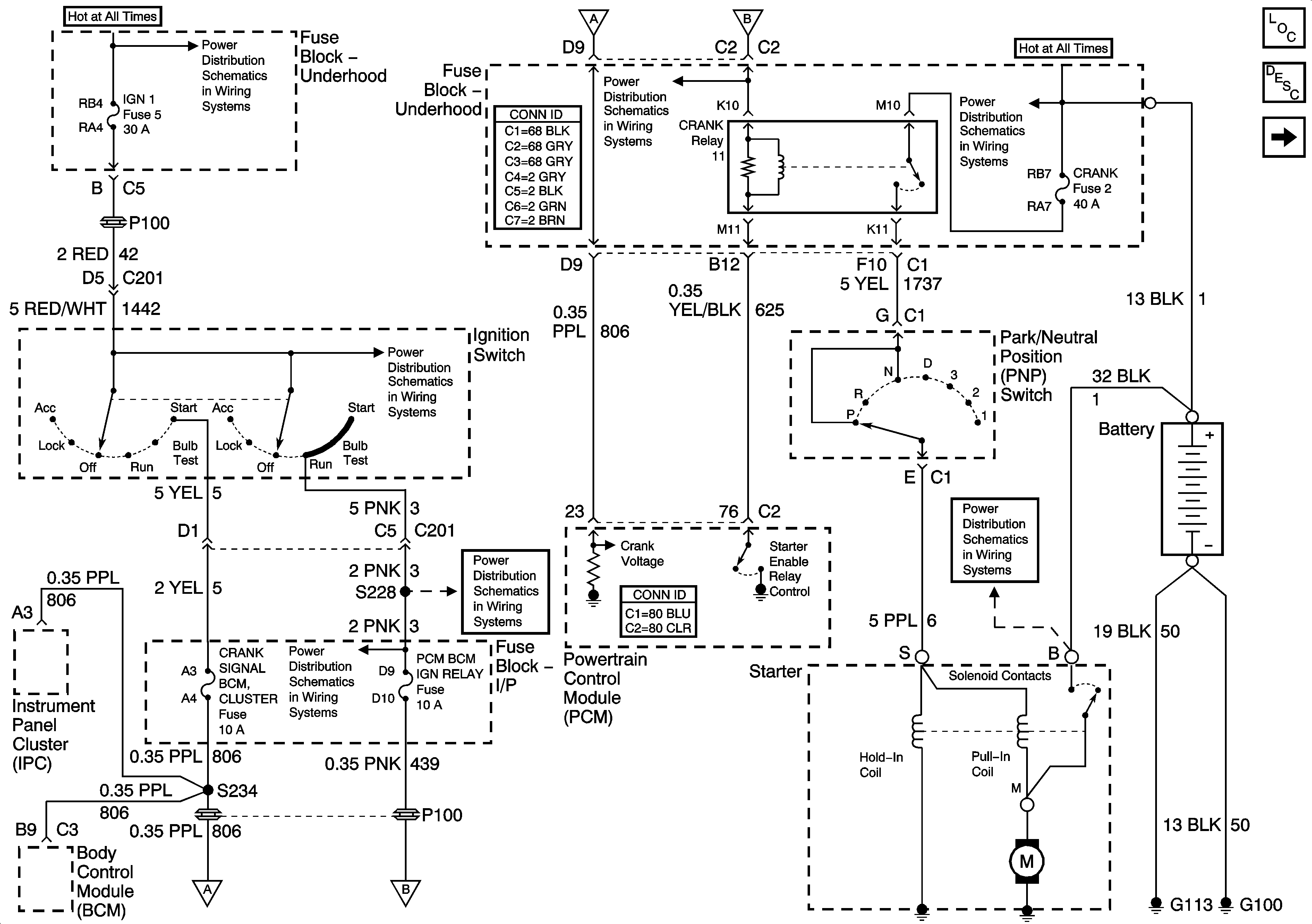
Figure
1:
Starting
Master Electrical Component List
New Product Information
Charging
Fuse Block Underhood Power Bussing (Page 1 of 2)
PCM, BCM, Cluster, Turn, SDM
Fuse Block Underhood Power Bussing (Page 1 of 2)
Power Distribution Schematics (IGN 1)
Power Distribution Schematics (IGN 1)
Fuse Block Underhood Power Bussing (Page 1 of 2)
Power Distribution Schematics (IGN 1)
Figure
2:
Charging
Master Electrical Component List
Charging System Description and Operation
Starting
Fuse Block Underhood Power Bussing (Page 1 of 2)
Data Link Connector (DLC)