GM Service Manual Online
For 1990-2009 cars only
Makes
🢒
Buick
🢒
2002
🢒
Century
🢒
Body and Accessories
🢒
Doors
🢒 Outside Rearview Mirror Schematics
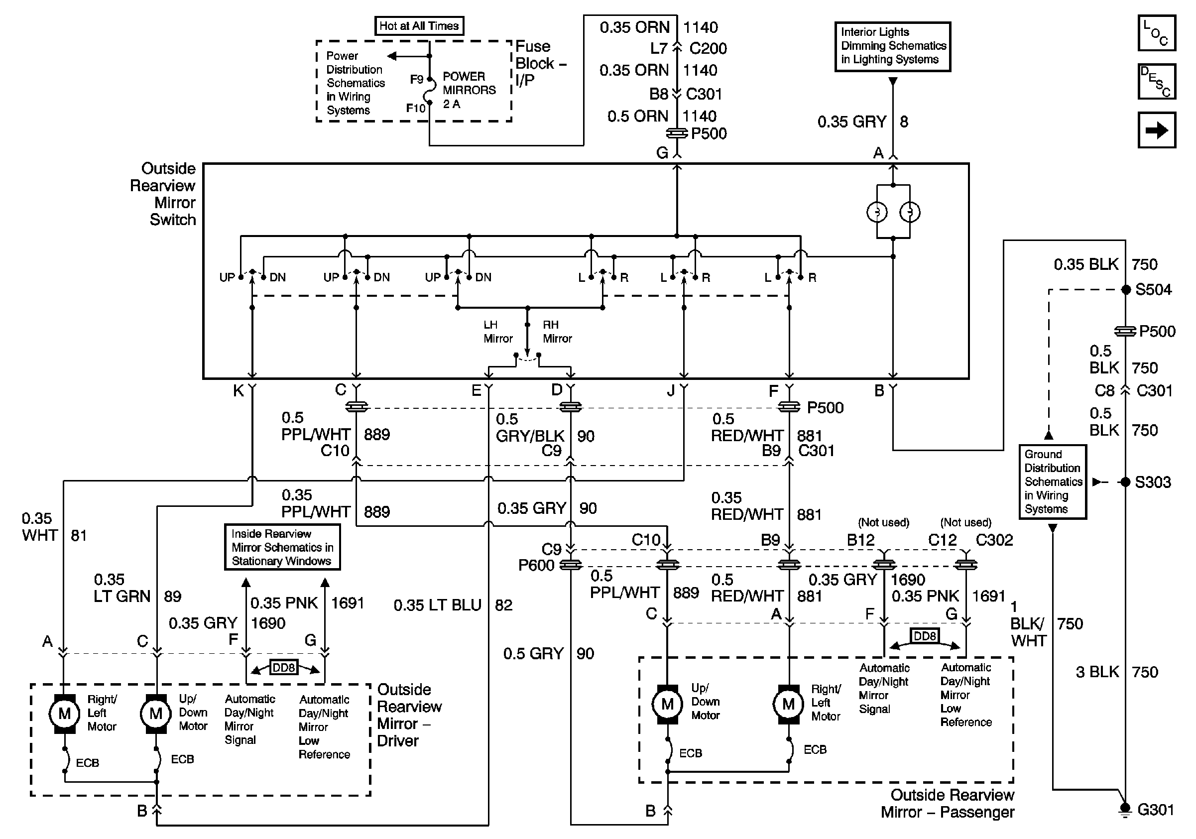
Figure
1:
Power Mirrors
Master Electrical Component List
Outside Mirror Description and Operation
Heated Mirrors
Batt 2
Door and Seat Switches
Century
G301 (Page 1 of 2)
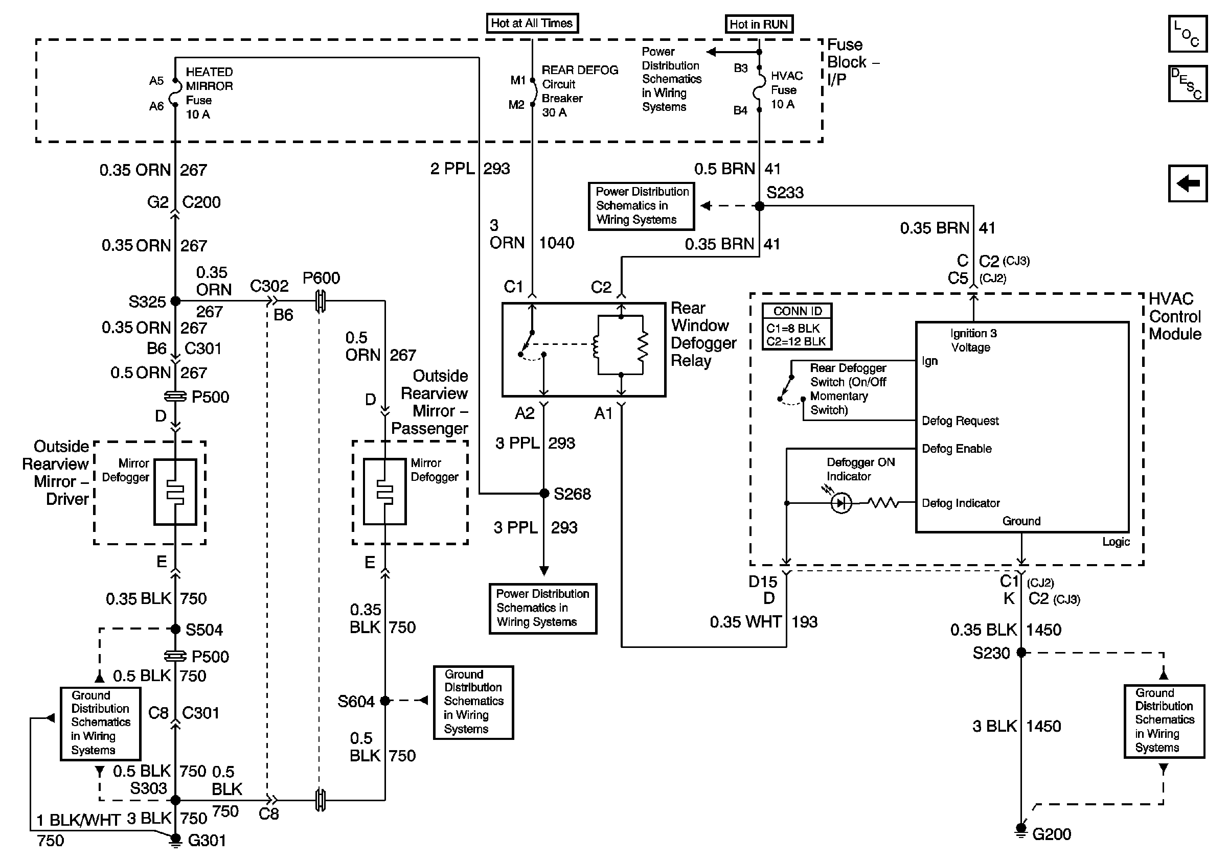
Figure
2:
Heated Mirrors
Master Electrical Component List
Outside Mirror Description and Operation
Power Mirrors
G301 (Page 1 of 2)
G301 (Page 1 of 2)
Batt 3
Blower, Cruise, HVAC
Blower, Cruise, HVAC
G200 (Page 1 of 2)