GM Service Manual Online
For 1990-2009 cars only
Makes
🢒
Buick
🢒
2002
🢒
Century
🢒
Body and Accessories
🢒
Lighting Systems
🢒 Headlights/Daytime Running Lights (DRL) Schematics
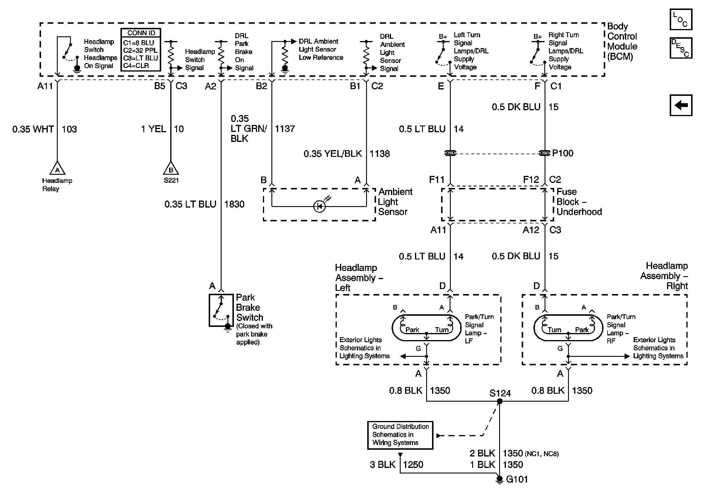
Figure
1:
Headlamps
Master Electrical Component List
Exterior Lighting Systems Description and Operation
Headlamp Relay, Ambient Light Sensor, and Park Brake Switch
Fuse Block Underhood Power Bussing (Page 1 of 2)
Headlamp Relay, Ambient Light Sensor, and Park Brake Switch
Headlamp Relay, Ambient Light Sensor, and Park Brake Switch
G201
Fog Lights
Lighting, Power Windows
Lighting, Power Windows
Figure
2:
Daytime Running Lamps (DRL)
Master Electrical Component List
Exterior Lighting Systems Description and Operation
Headlamps and Headlamp Dimmer Switch
Headlamps and Headlamp Dimmer Switch
Headlamps and Headlamp Dimmer Switch
Front Turn Lamps and Cornering Lamps
Front Turn Lamps and Cornering Lamps
G101