GM Service Manual Online
For 1990-2009 cars only
Makes
🢒
Buick
🢒
2002
🢒
Century
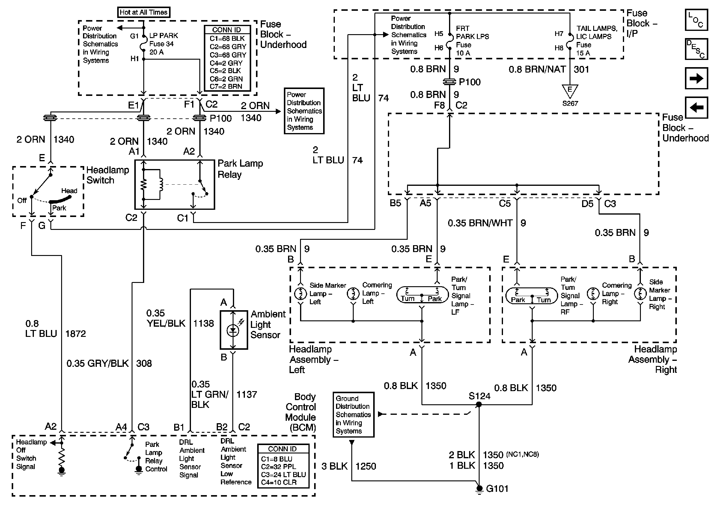
🢒 Front Park Lamps
Front Park Lamps
Front Park Lamps
Master Electrical Component List
Exterior Lighting Systems Description and Operation
Rear Park Lamps and License Lamps
Front Turn Lamps and Cornering Lamps
Fuse Block Underhood Power Bussing (Page 1 of 2)
Lighting, Power Windows
Rear Park Lamps and License Lamps
G101