GM Service Manual Online
For 1990-2009 cars only
Makes
🢒
Buick
🢒
2002
🢒
Century
🢒 Horns
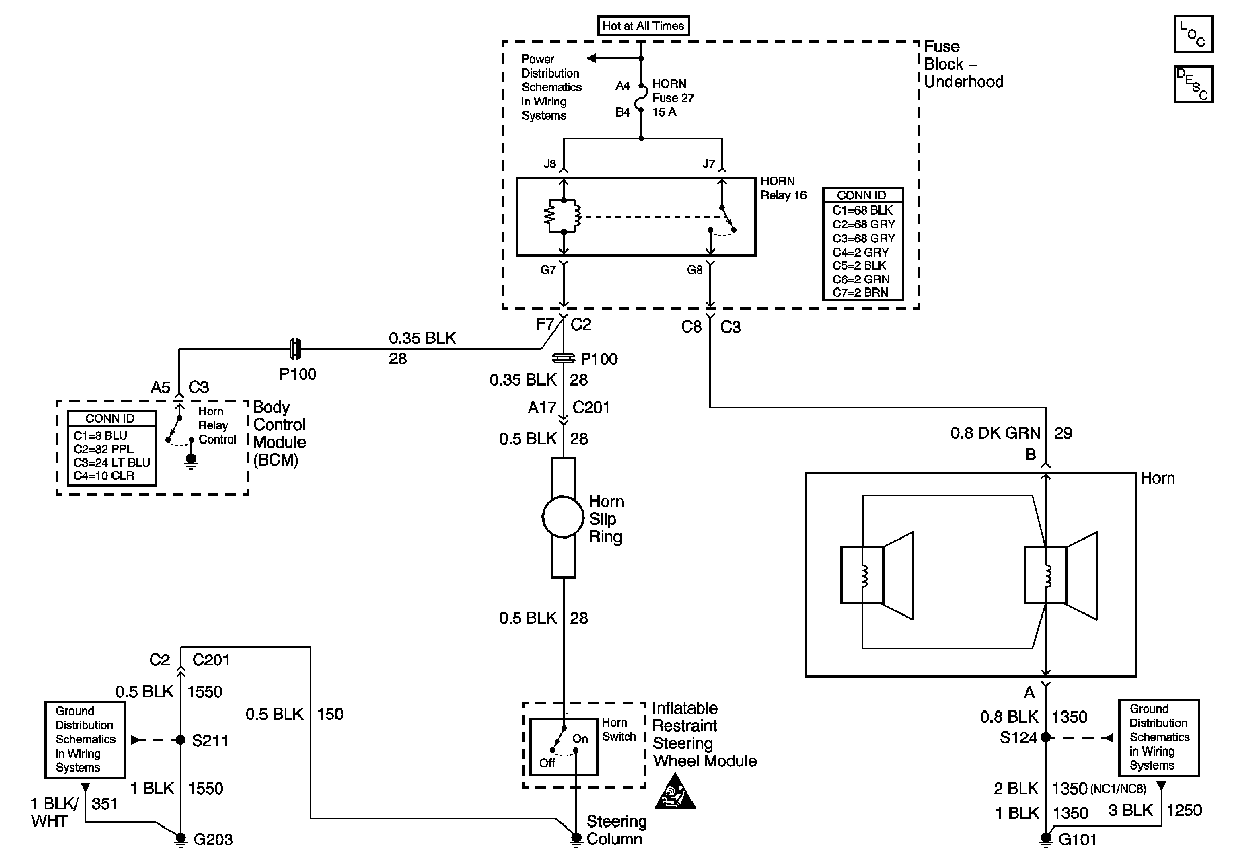
Horns
Master Electrical Component List
Horns System Description and Operation
Fuse Block Underhood Power Bussing (Page 1 of 2)
G203 (Page 1 of 2)
SIR Caution
G101