GM Service Manual Online
For 1990-2009 cars only
Figure 1:

Fuse Block - Underhood B+ Buss


Object Number: 854478  Size: FS
Master Electrical Component List
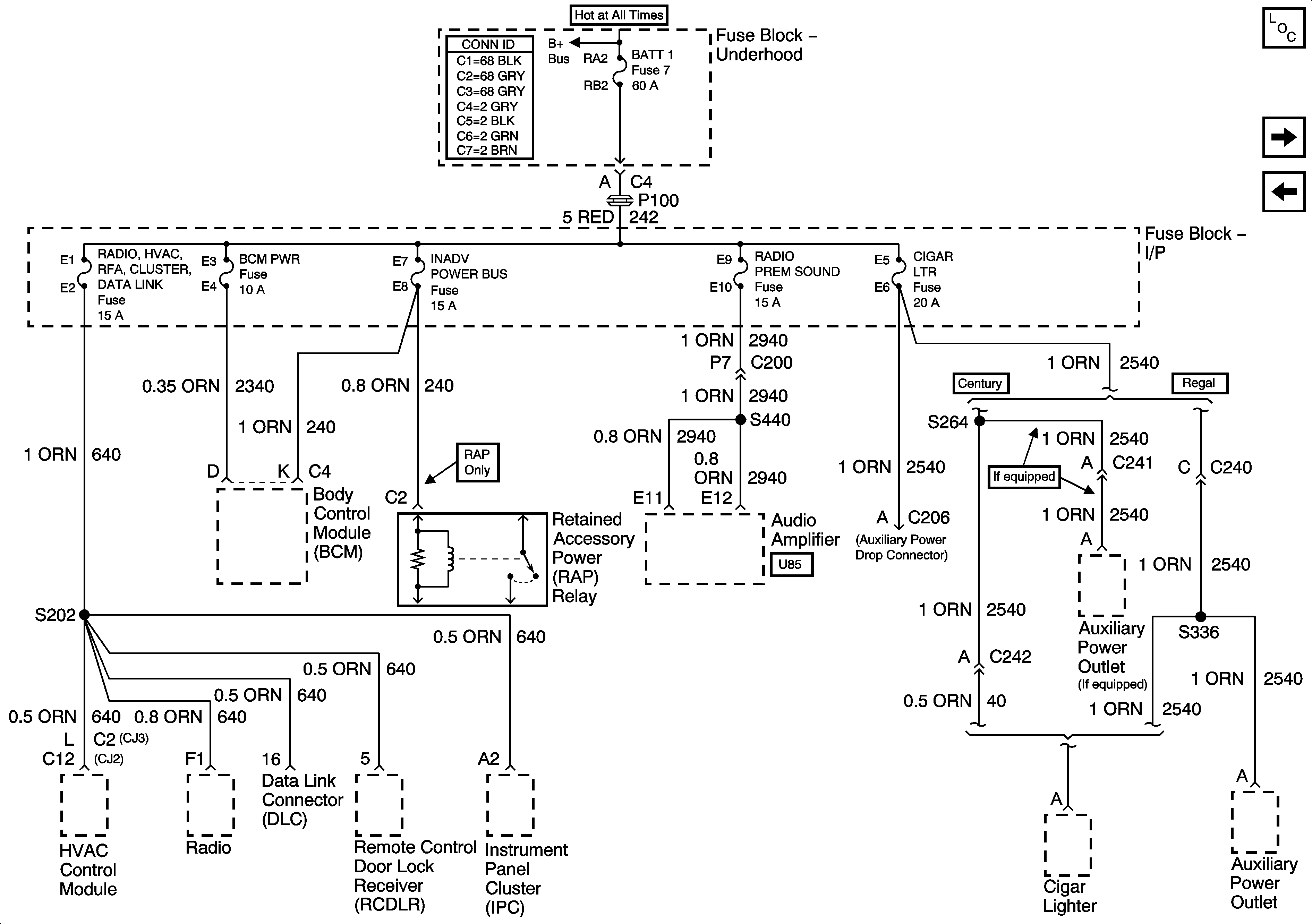
Fuse Block-Underhood Batt 1 Fuse, Fuse Block-I/P RADIO, HVAC, RFA CLUSTER, DATA LINK, BCM PWR, INADV POWER BUS, RADIO PREM SOUND, and CIGAR LTR Fuses
Figure 2:

Fuse Block - Underhood BATT 1 Fuse, Fuse Block -- I/P RADIO, HVAC, RFA, CLUSTER, DATA LINK, BCM PWR, INADV POWER BUS, RADIO PREM SOUND, and CIGAR LTR Fuses


Object Number: 1016049  Size: FS
Master Electrical Component List
Fuse Block-Underhood Batt 2 Fuse, Fuse Block-I/P HIGH BLOWER, HAZARD, STOP LAMPS, DOOR LOCKS, and POWER MIRRORS Fuses
Fuse Block-Underhood B+ Buss
Fuse Block-Underhood B+ Buss
Figure 3:

Fuse Block - Underhood BATT 2 Fuse, Fuse Block - I/P HIGH BLOWER, HAZARD, STOP LAMPS, DOOR LOCKS, and POWER MIRRORS Fuses


Object Number: 797841  Size: FS
Master Electrical Component List
Fuse Block-Underhood Batt 3 Fuse, Fuse Block-I/P ONSTAR, LH HEATED SEAT, RH HEATED SEAT, Fuses, REAR DEFOG and POWER SEAT Circuit Breakers
Fuse Block-Underhood Batt 1 Fuse, Fuse Block-I/P RADIO, HVAC, RFA CLUSTER, DATA LINK, BCM PWR, INADV POWER BUS, RADIO PREM SOUND, and CIGAR LTR Fuses
Fuse Block-Underhood B+ Buss
Figure 4:

Fues Block - Underhood BATT 3 Fuse , Fuse Block - I/P ONSTAR, HEATED SEAT Fuses, REAR DEFOG, and POWER SEAT Circuit Breakers


Object Number: 874866  Size: FS
Master Electrical Component List
Fuse Block-Underhood IGN 1 Fuse
Fuse Block-Underhood Batt 2 Fuse, Fuse Block-I/P HIGH BLOWER, HAZARD, STOP LAMPS, DOOR LOCKS, and POWER MIRRORS Fuses
Fuse Block-Underhood B+ Buss
Figure 5:

Fuse Block - Underhood IGN 1 Fuse


Object Number: 869388  Size: FS
Master Electrical Component List
Fuse Block-Underhood IGN 2 Fuse
Fuse Block-Underhood Batt 3 Fuse, Fuse Block-I/P ONSTAR, LH HEATED SEAT, RH HEATED SEAT, Fuses, REAR DEFOG and POWER SEAT Circuit Breakers
Fuse Block-Underhood B+ Buss
Figure 6:

Fuse Block - Underhood IGN 2 Fuse


Object Number: 797879  Size: FS
Master Electrical Component List
Fuse Block-Underhood F/INJR Fuse
Fuse Block-Underhood IGN 1 Fuse
Fuse Block-Underhood B+ Buss
Figure 7:

Fuse Block - Underhood F/INJR Fuse


Object Number: 797880  Size: FS
Master Electrical Component List
Fuse Block-Underhood TRANS, ELEK, IGN, OXY SEN Fuses
Fuse Block-Underhood IGN 2 Fuse
Fuse Block-Underhood B+ Buss
Figure 8:

Fuse Block - Underhood TRANS, ELEK IGN, and OXY SEN Fuses


Object Number: 1205832  Size: FS
Master Electrical Component List
Fuse Block-Underhood ENG EMIS Fuse
Fuse Block-Underhood F/INJR Fuse
Fuse Block-Underhood B+ Buss
Figure 9:

Fuse Block - Underhood ENG EMIS Fuse


Object Number: 874872  Size: FS
Master Electrical Component List
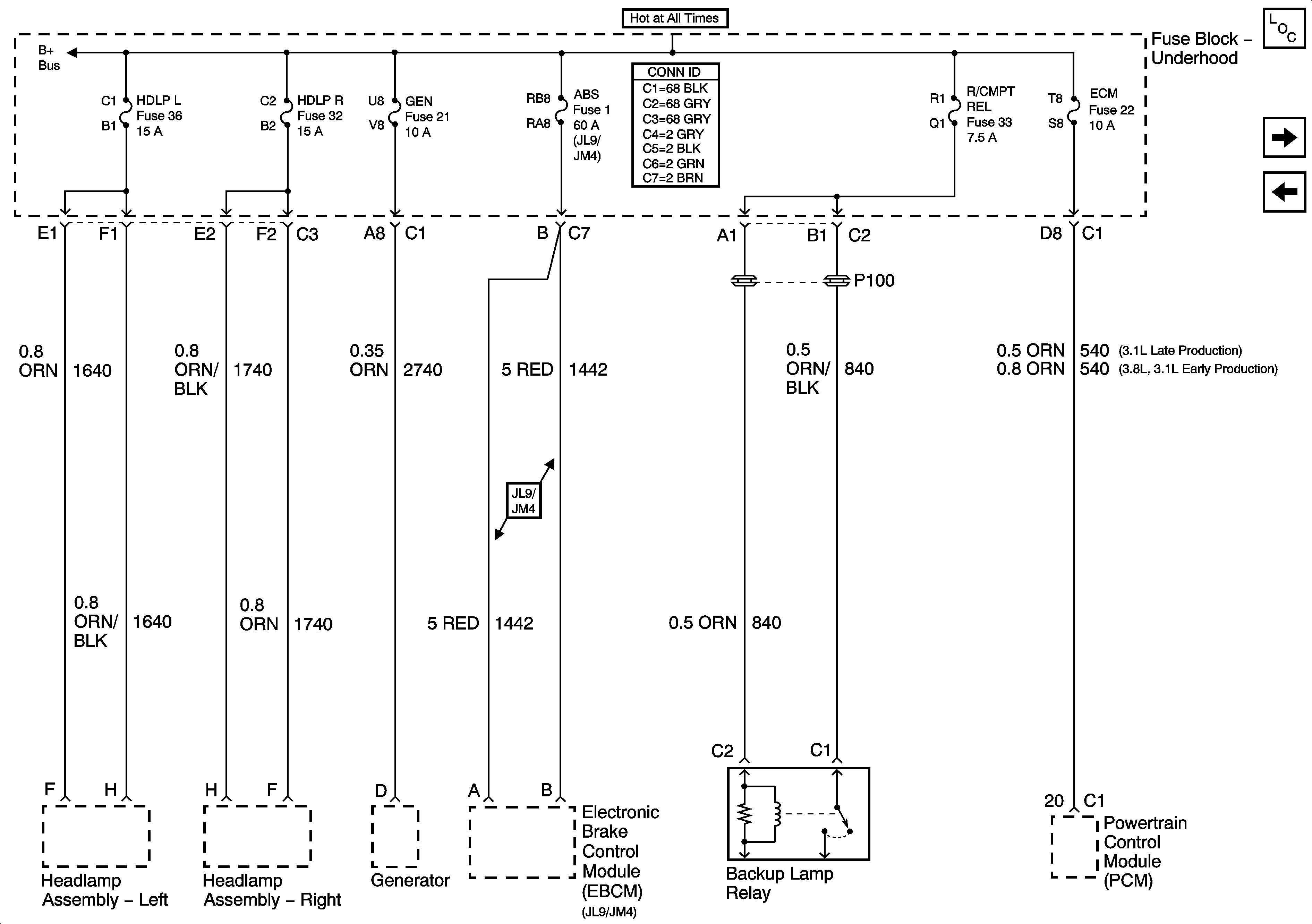
Fuse Block-Underhood HDLP,GEN,ABS,R/CMPT REL,ECM Fuses
Fuse Block-Underhood TRANS, ELEK, IGN, OXY SEN Fuses
Fuse Block-Underhood B+ Buss
Figure 10:

Fuse Block - Underhood HDLP, GEN, ABS, R/CMPT REL, and ECM Fuses


Object Number: 854480  Size: FS
Master Electrical Component List
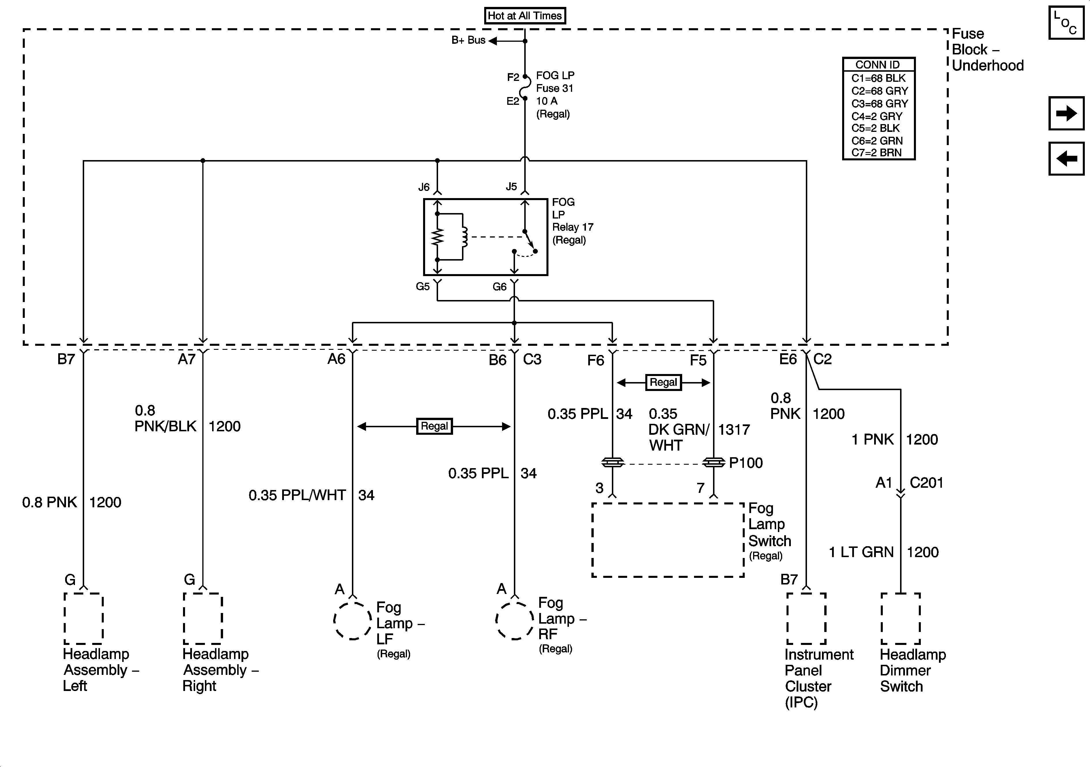
Fuse Block-Underhood FOG LP Fuse, FOG LP Relay
Fuse Block-Underhood ENG EMIS Fuse
Fuse Block-Underhood B+ Buss
Figure 11:

Fuse Block - Underhood FOG LP Fuse and FOG LP Relay


Object Number: 1203456  Size: FS
Master Electrical Component List
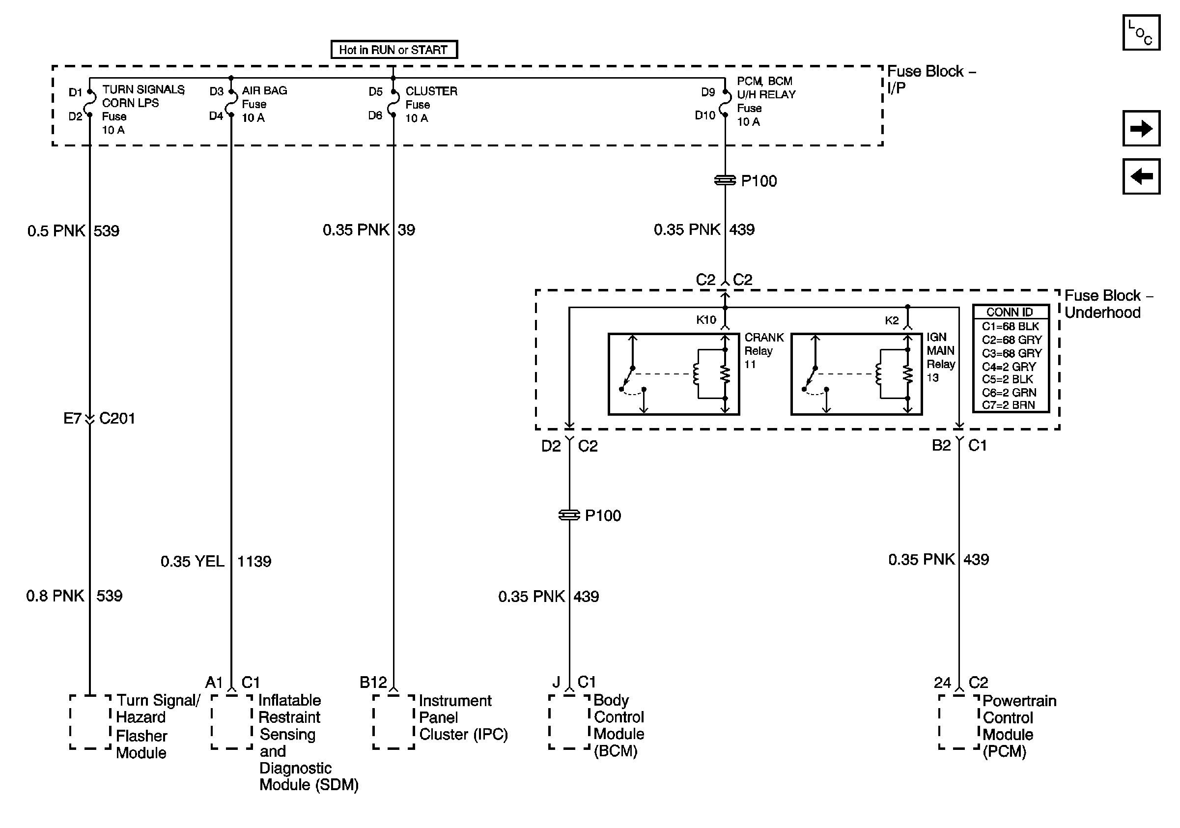
Fuse Block-I/P Turn Signals,Corn Lps,Air Bag,Cluster,PCM,BCM U/H Relay Fuses,Fuse Block-U/H Crank, IGN Main Relays
Fuse Block-Underhood HDLP,GEN,ABS,R/CMPT REL,ECM Fuses
Fuse Block-Underhood B+ Buss
Figure 12:

Fuse Block - I/P TURN SIGNALS, CORN LPS, AIR BAG, CLUSTER, PCM, and BCM U/H RELAY Fuses, Fuse Block - Underhood CRANK and IGN MAIN Relays


Object Number: 874876  Size: FS
Master Electrical Component List
Fuse Block-I/P CRANK SIGNAL, BCM, CLUSTER, IGN 0:CLUSTER, PCM and BCM, and PARK LOCK Fuses
Fuse Block-Underhood FOG LP Fuse, FOG LP Relay
Figure 13:

Fuse Block - I/P CRANK SIGNAL, BCM, CLUSTER, IGN 0: CLUSTER, PCM, BCM, and PARK LOCK Fuses


Object Number: 869389  Size: FS
Master Electrical Component List
Fuse Block-I/P ABS, and BTSI PARK LOCK Fuses
Fuse Block-I/P Turn Signals,Corn Lps,Air Bag,Cluster,PCM,BCM U/H Relay Fuses,Fuse Block-U/H Crank, IGN Main Relays
Figure 14:

Fuse Block - I/P ABS, and BTSI PARK LOCK Fuses


Object Number: 854486  Size: FS
Master Electrical Component List
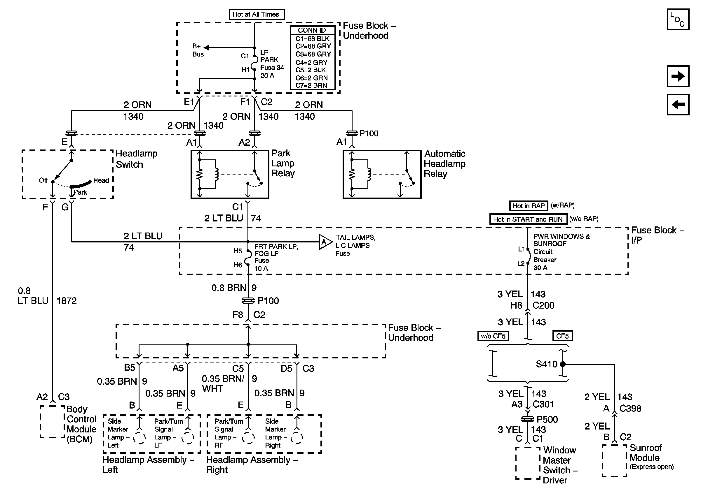
Fuse Block-Underhood LP PARK Fuse, Fuse Block-I/P FRT PARK LP, FOG LP, Fuse, and PWR WINDOWS, SUNROOF Circuit Breaker
Fuse Block-I/P CRANK SIGNAL, BCM, CLUSTER, IGN 0:CLUSTER, PCM and BCM, and PARK LOCK Fuses
Figure 15:

Fuse Block - Underhood LP PARK Fuse, Fuse Block - I/P FRT PARK LP, FOG LP Fuse and PWR WINDOWS and SUNROOF Circuit Breaker


Object Number: 869392  Size: FS
Master Electrical Component List
Fuse Block-I/P TAIL LAMPS, LIC LAMPS, and PANEL DIMMING Fuses
Fuse Block-I/P ABS, and BTSI PARK LOCK Fuses
Fuse Block-Underhood B+ Buss
Fuse Block-I/P TAIL LAMPS, LIC LAMPS, and PANEL DIMMING Fuses
Figure 16:

Fuse Block - I/P TAIL LAMPS, LIC LAMPS, and PANEL DIMMING Fuses


Object Number: 797896  Size: FS
Master Electrical Component List
Fuse Block-I/P WIPER, BCM ACC, POWER DROP, RADIO, and STRG WHL CONT Fuses
Fuse Block-Underhood LP PARK Fuse, Fuse Block-I/P FRT PARK LP, FOG LP, Fuse, and PWR WINDOWS, SUNROOF Circuit Breaker
Fuse Block-Underhood LP PARK Fuse, Fuse Block-I/P FRT PARK LP, FOG LP, Fuse, and PWR WINDOWS, SUNROOF Circuit Breaker
Fuse Block-Underhood B+ Buss
Fuse Block-I/P WIPER, BCM ACC, POWER DROP, RADIO, and STRG WHL CONT Fuses
Figure 17:

Fuse Block - I/P WIPER, BCM ACC, POWER DROP, RADIO, and STRG WHL CONT Fuses


Object Number: 797898  Size: FS
Master Electrical Component List
Fuse Block-I/P LOW BLOWER, CRUISE, and HVAC Fuses
Fuse Block-I/P TAIL LAMPS, LIC LAMPS, and PANEL DIMMING Fuses
Fuse Block-I/P TAIL LAMPS, LIC LAMPS, and PANEL DIMMING Fuses
SIR Caution for Zoning
Figure 18:

Fuse Block - I/P LOW BLOWER, CRUISE, and HVAC Fuses


Object Number: 874864  Size: FS
Master Electrical Component List
Fuse Block-I/P WIPER, BCM ACC, POWER DROP, RADIO, and STRG WHL CONT Fuses