GM Service Manual Online
For 1990-2009 cars only
Figure 1:

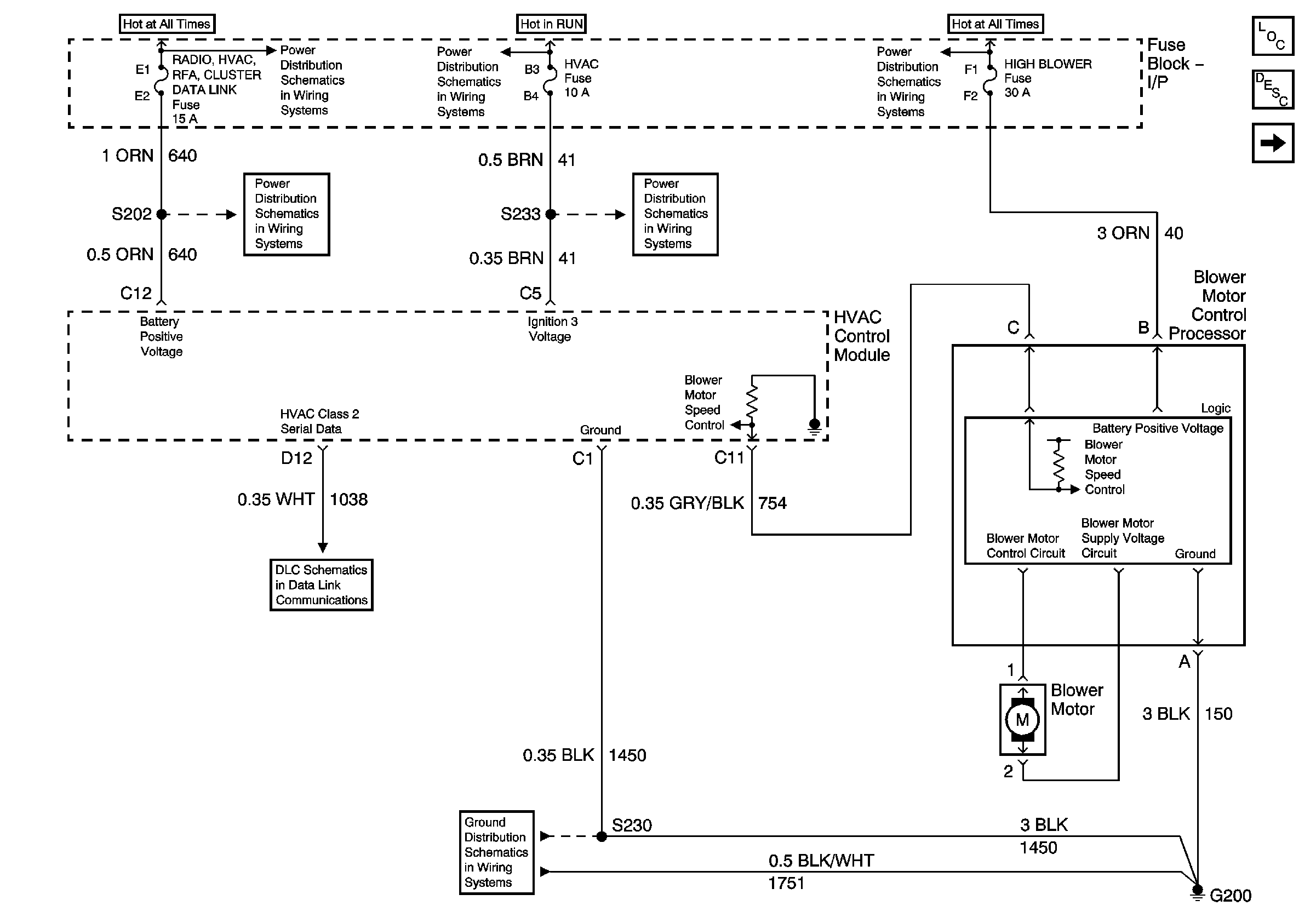
Blower Controls


Object Number: 903094  Size: FS
Master Electrical Component List
Air Delivery Description and Operation
Compressor Controls
Fuse Block-Underhood Batt 1 Fuse, Fuse Block-I/P RADIO, HVAC, RFA CLUSTER, DATA LINK, BCM PWR, INADV POWER BUS, RADIO PREM SOUND, and CIGAR LTR Fuses
Fuse Block-I/P LOW BLOWER, CRUISE, and HVAC Fuses
Fuse Block-Underhood Batt 2 Fuse, Fuse Block-I/P HIGH BLOWER, HAZARD, STOP LAMPS, DOOR LOCKS, and POWER MIRRORS Fuses
Fuse Block-Underhood Batt 1 Fuse, Fuse Block-I/P RADIO, HVAC, RFA CLUSTER, DATA LINK, BCM PWR, INADV POWER BUS, RADIO PREM SOUND, and CIGAR LTR Fuses
Fuse Block-I/P LOW BLOWER, CRUISE, and HVAC Fuses
Data Link Connector (DLC) Schematics
G200, Page 1 of 2
Figure 2:

Compressor Controls


Object Number: 798493  Size: FS
Master Electrical Component List
Air Temperature Description and Operation
Air Temperature and Sunload Sensors
Blower Controls
Fuse Block-I/P Turn Signals,Corn Lps,Air Bag,Cluster,PCM,BCM U/H Relay Fuses,Fuse Block-U/H Crank, IGN Main Relays
Fuse Block-I/P Turn Signals,Corn Lps,Air Bag,Cluster,PCM,BCM U/H Relay Fuses,Fuse Block-U/H Crank, IGN Main Relays
G100, G113, and G171
G100, G113, and G171
Data Link Connector (DLC) Schematics
Fuse Block-Underhood B+ Buss
G100, G113, and G171
EVAP Controls and FTP Sensor
Fuel Controls - EVAP and FTP
G100, G113, and G171
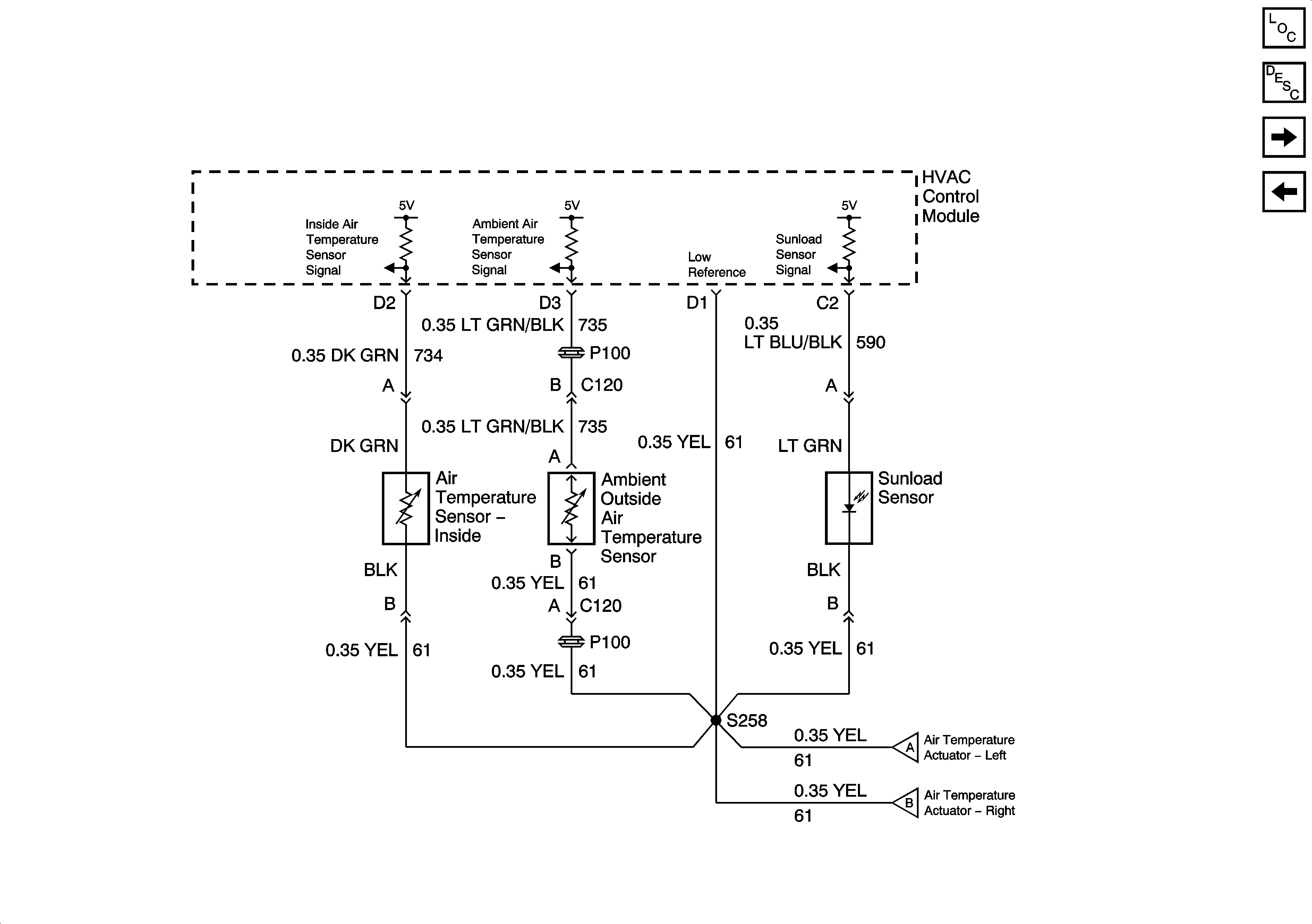
Figure 3:

Air Temperature and Sunload Sensors


Object Number: 1031685  Size: FS
Master Electrical Component List
Air Temperature Description and Operation
Air Delivery and Temperature Controls
Compressor Controls
Air Delivery and Temperature Controls
Air Delivery and Temperature Controls
Figure 4:

Air Delivery/Temperature Controls


Object Number: 697065  Size: FS
Master Electrical Component List
Air Temperature Description and Operation
Vacuum Solenoids
Air Temperature and Sunload Sensors
Fuse Block-I/P LOW BLOWER, CRUISE, and HVAC Fuses
Fuse Block-I/P LOW BLOWER, CRUISE, and HVAC Fuses
Air Temperature and Sunload Sensors
Air Temperature and Sunload Sensors
Figure 5:

Vacuum Solenoids


Object Number: 818811  Size: FS
Master Electrical Component List
Air Temperature Description and Operation
Air Delivery and Temperature Controls
Fuse Block-I/P LOW BLOWER, CRUISE, and HVAC Fuses
Fuse Block-I/P LOW BLOWER, CRUISE, and HVAC Fuses