GM Service Manual Online
For 1990-2009 cars only
Makes
🢒
Buick
🢒
2003
🢒
Century
🢒
Body and Accessories
🢒
Entertainment
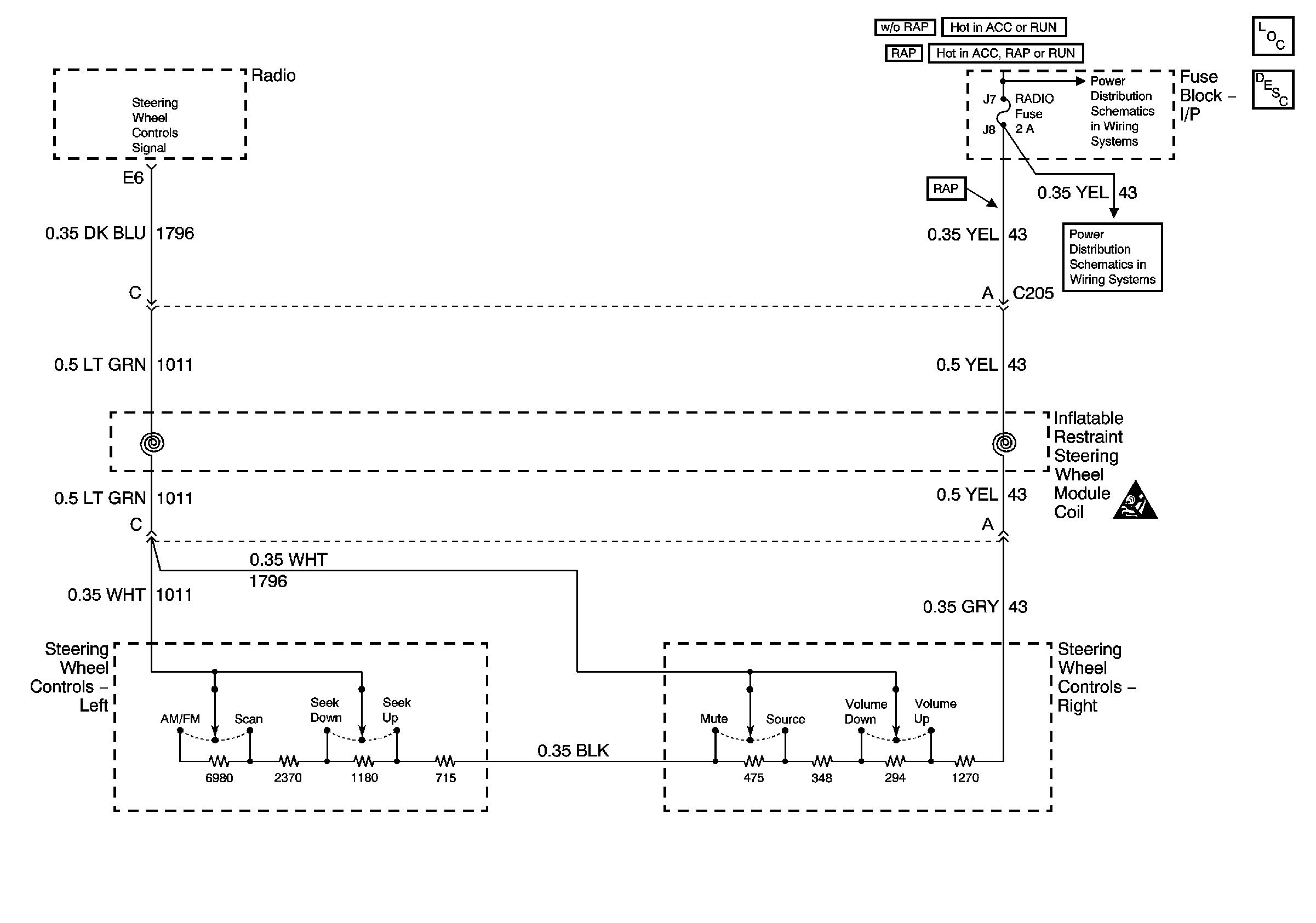
🢒 Steering Wheel Controls Schematics
Master Electrical Component List
Radio/Audio System Description and Operation
Fuse Block-Underhood IGN 2 Fuse
Fuse Block-I/P WIPER, BCM ACC, POWER DROP, RADIO, and STRG WHL CONT Fuses
SIR Caution for Zoning