GM Service Manual Online
For 1990-2009 cars only
Makes
🢒
Buick
🢒
2003
🢒
Century
🢒
Body and Accessories
🢒
Seats
🢒 Power Seats Schematics
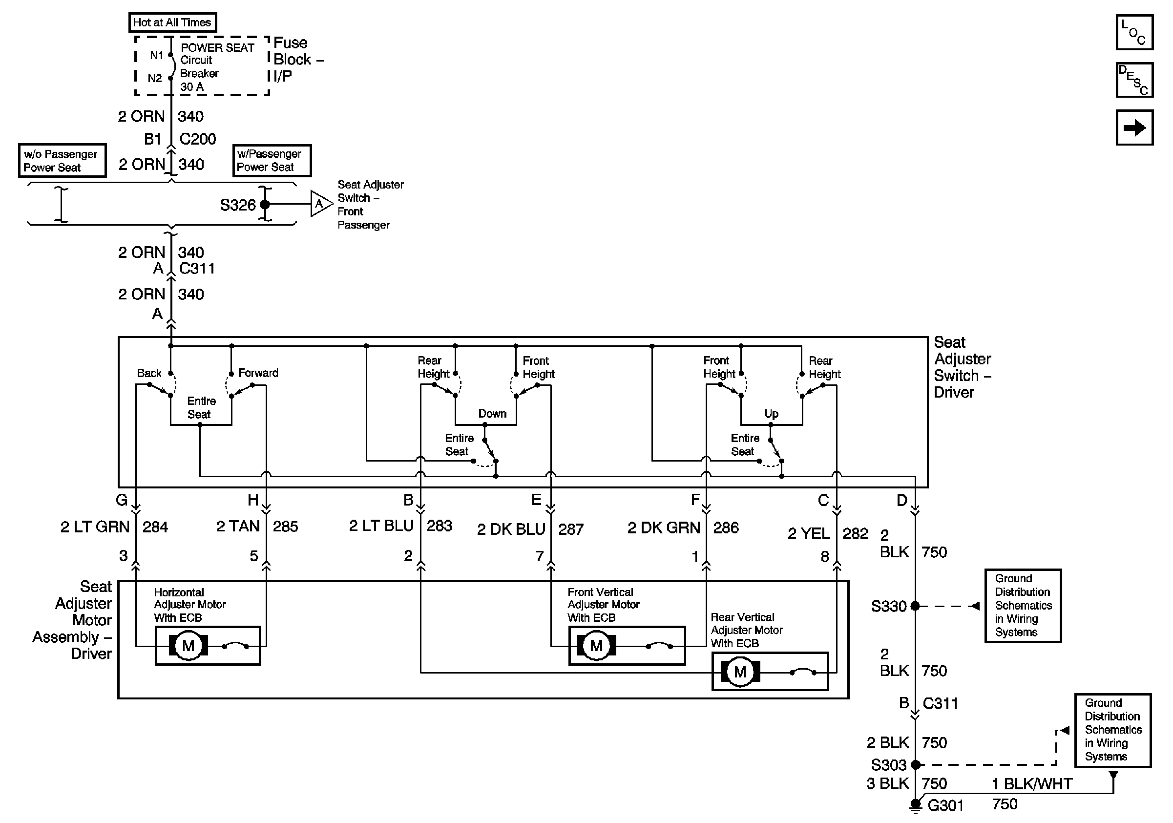
Figure
1:
Driver
Master Electrical Component List
Power Seats System Description and Operation
Passenger
Passenger
G301, Page 2 of 2
G301, Page 1 of 2
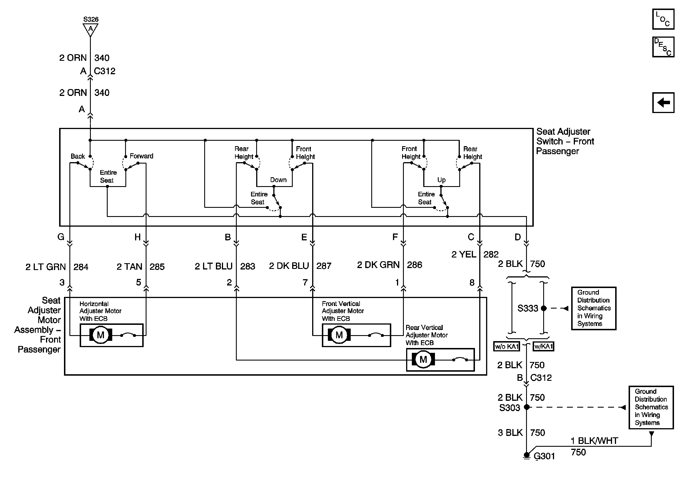
Figure
2:
Passenger
Master Electrical Component List
Power Seats System Description and Operation
Driver
Driver
G301, Page 2 of 2
G301, Page 1 of 2