GM Service Manual Online
For 1990-2009 cars only
Makes
🢒
Buick
🢒
2003
🢒
Century
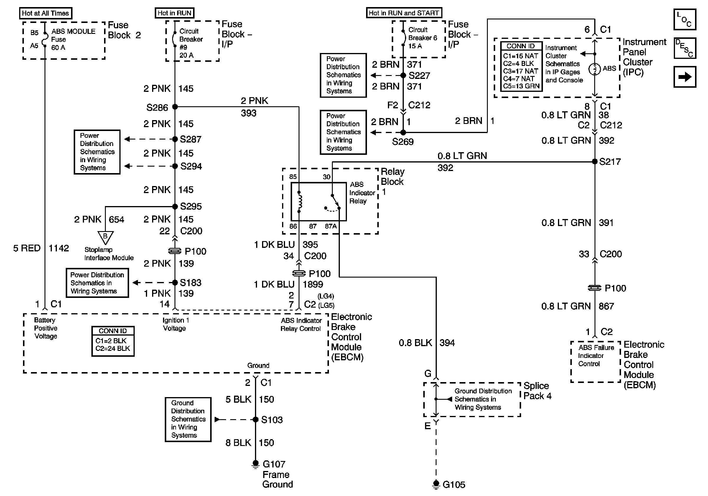
🢒 ABS Schematics - EBCM, ABS Indicator RLY, I/P Cluster
ABS Schematics - EBCM, ABS Indicator RLY, I/P Cluster
EBCM, ABS Indicator Relay, IPC
Master Electrical Component List
ABS Description and Operation
ABS Schematics - Stop Lamp SW Inteface Module, EBCM, Brake Fluid SW
Power Distribution System Schematics - FB I/P, Circuit Breaker 9
ABS Schematics - Stop Lamp SW Inteface Module, EBCM, Brake Fluid SW
Power Distribution System Schematics - Feed from Circuit Breaker 9
Ground Distribution Schematics - G107, G108, S101, S103 and S105
Power Distribution System Schematics - Fuse Block I/P, C.B. 6
Power Distribution System Schematics - Feed From Circuit Breaker 6
G105 Continued, Splice Pack 1, Splice Pack 4, S450
Isuzu IPC System Schematics - Seat Belt, Prim BRK, ABS, PRK BRK Lamps