GM Service Manual Online
For 1990-2009 cars only
Makes
🢒
Buick
🢒
2003
🢒
Century
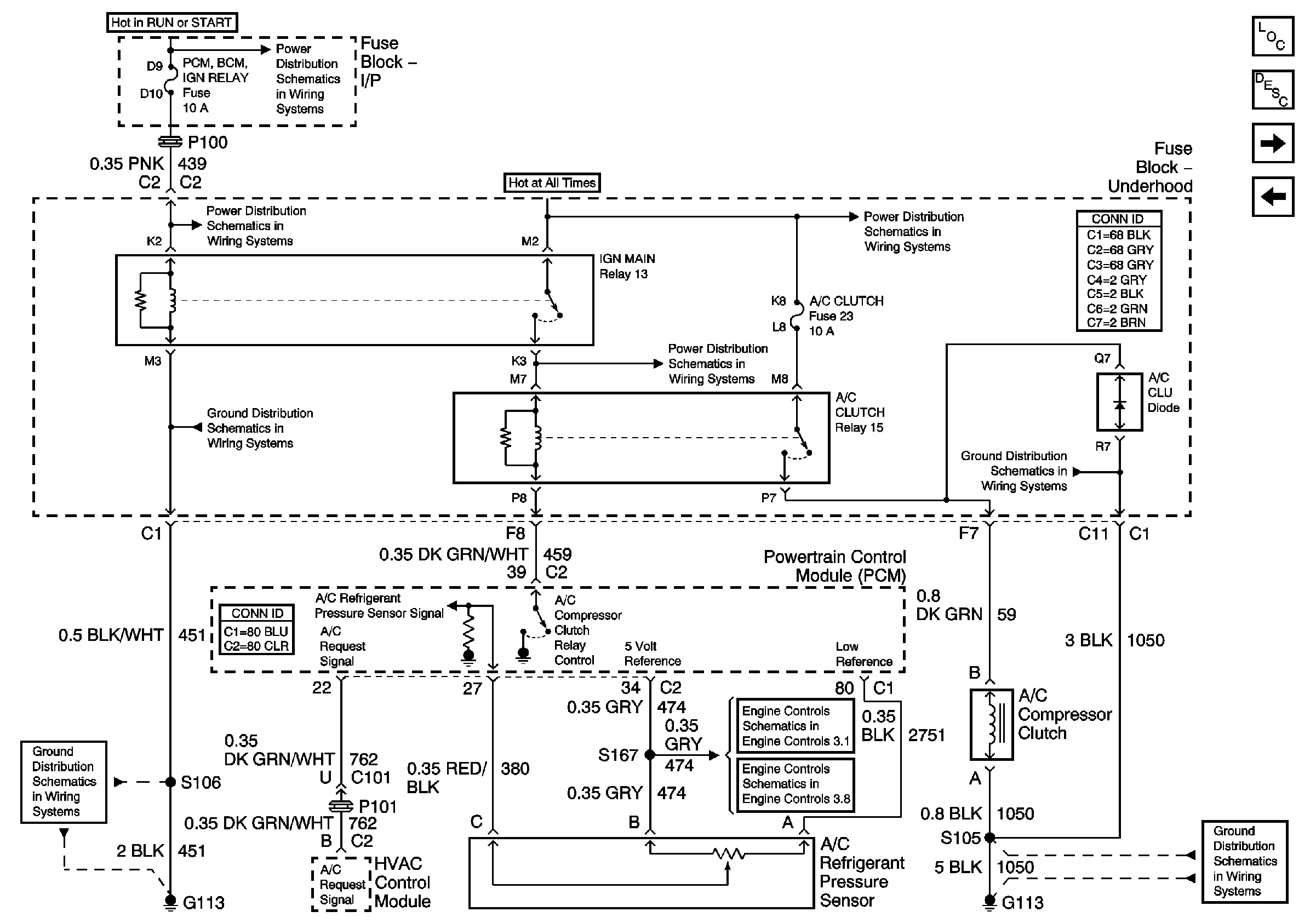
🢒 Compressor Controls
Compressor Controls
Compressor Controls
Master Electrical Component List
Air Temperature Description and Operation
Temperature Actuators
Blower Controls
Fuse Block-I/P Turn Signals,Corn Lps,Air Bag,Cluster,PCM,BCM U/H Relay Fuses,Fuse Block-U/H Crank, IGN Main Relays
Fuse Block-I/P Turn Signals,Corn Lps,Air Bag,Cluster,PCM,BCM U/H Relay Fuses,Fuse Block-U/H Crank, IGN Main Relays
G100, G113, and G171
G100, G113, and G171
Fuse Block-Underhood B+ Buss
Fuse Block-Underhood B+ Buss
G100, G113, and G171
EVAP Controls and FTP Sensor
Fuel Controls - EVAP and FTP
G100, G113, and G171