GM Service Manual Online
For 1990-2009 cars only
Makes
🢒
Buick
🢒
2003
🢒
Century
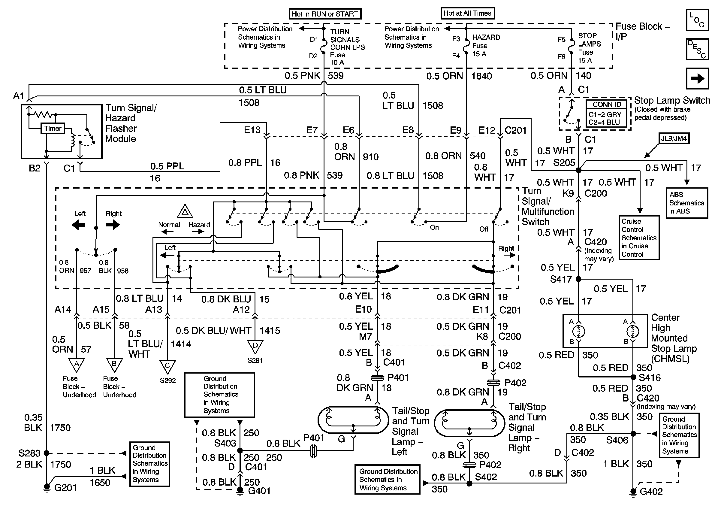
🢒 Stop Lamps and Rear Turn Lamps
Stop Lamps and Rear Turn Lamps
Stop Lamps and Rear Turn Lamps
Master Electrical Component List
Exterior Lighting Systems Description and Operation
Front Turn Lamps, Cornering Lamps, and DRL
Fuse Block-I/P Turn Signals,Corn Lps,Air Bag,Cluster,PCM,BCM U/H Relay Fuses,Fuse Block-U/H Crank, IGN Main Relays
Fuse Block-Underhood Batt 2 Fuse, Fuse Block-I/P HIGH BLOWER, HAZARD, STOP LAMPS, DOOR LOCKS, and POWER MIRRORS Fuses
Cruise Control Schematics
Stop Lamp and Torque Signals
Front Turn Lamps, Cornering Lamps, and DRL
Front Turn Lamps, Cornering Lamps, and DRL
Front Turn Lamps, Cornering Lamps, and DRL
Front Turn Lamps, Cornering Lamps, and DRL
G201
G401
G402, Page 2 of 2
G402, Page 2 of 2