GM Service Manual Online
For 1990-2009 cars only
Makes
🢒
Buick
🢒
2003
🢒
Century
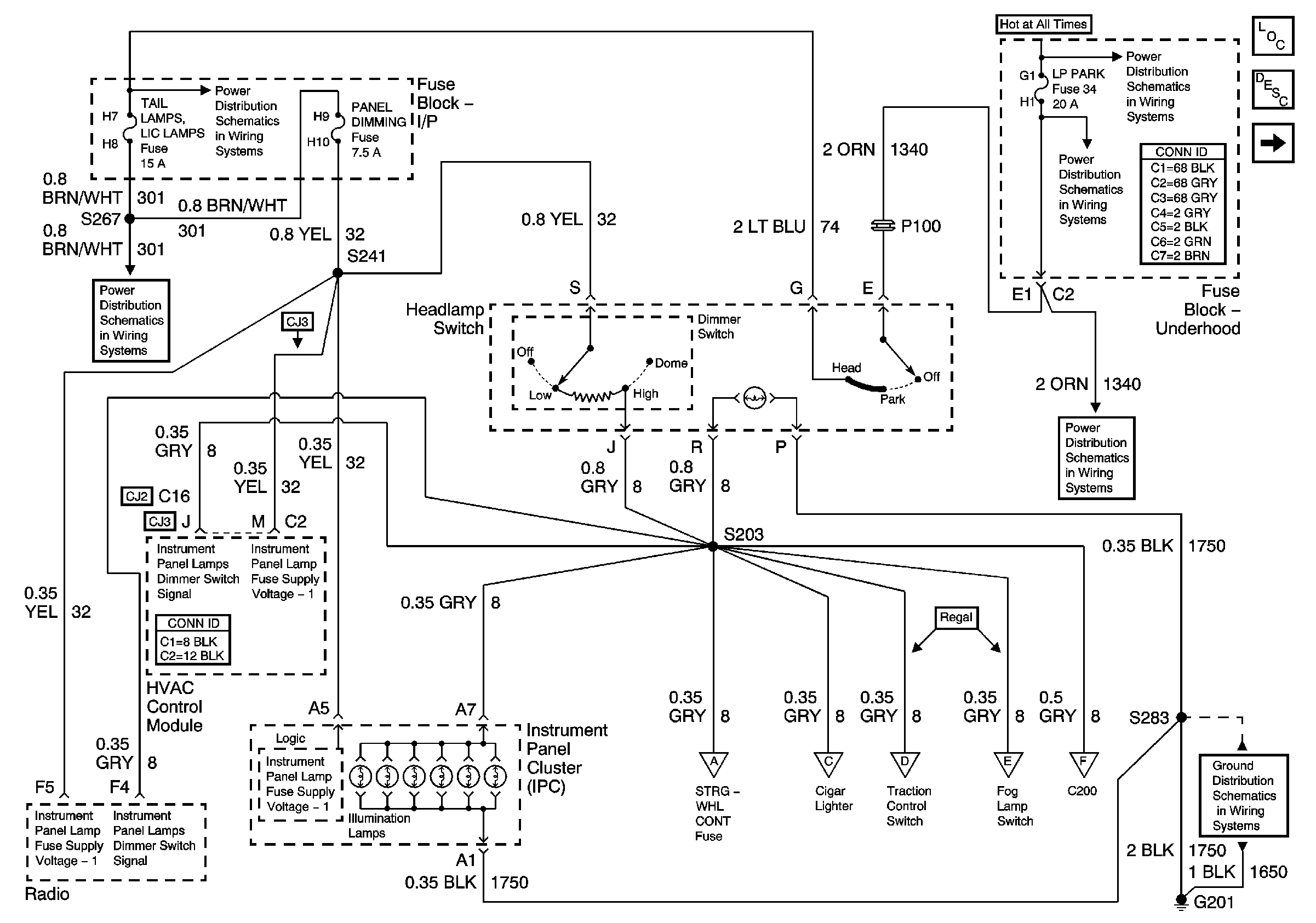
🢒 I/P Dimmer Switch, HVAC, and IPC
I/P Dimmer Switch, HVAC, and IPC
I/P Dimmer Switch, HVAC, and IPC
Master Electrical Component List
Interior Lighting Systems Description and Operation
Passenger Compartment Lamps
Fuse Block-I/P TAIL LAMPS, LIC LAMPS, and PANEL DIMMING Fuses
Fuse Block-I/P TAIL LAMPS, LIC LAMPS, and PANEL DIMMING Fuses
Passenger Compartment Lamps
Passenger Compartment Lamps
Passenger Compartment Lamps
Passenger Compartment Lamps
Door and Seat Swtiches
Fuse Block-Underhood B+ Buss
Fuse Block-Underhood LP PARK Fuse, Fuse Block-I/P FRT PARK LP, FOG LP, Fuse, and PWR WINDOWS, SUNROOF Circuit Breaker
Fuse Block-Underhood LP PARK Fuse, Fuse Block-I/P FRT PARK LP, FOG LP, Fuse, and PWR WINDOWS, SUNROOF Circuit Breaker
G201