GM Service Manual Online
For 1990-2009 cars only
Makes
🢒
Buick
🢒
2003
🢒
Century
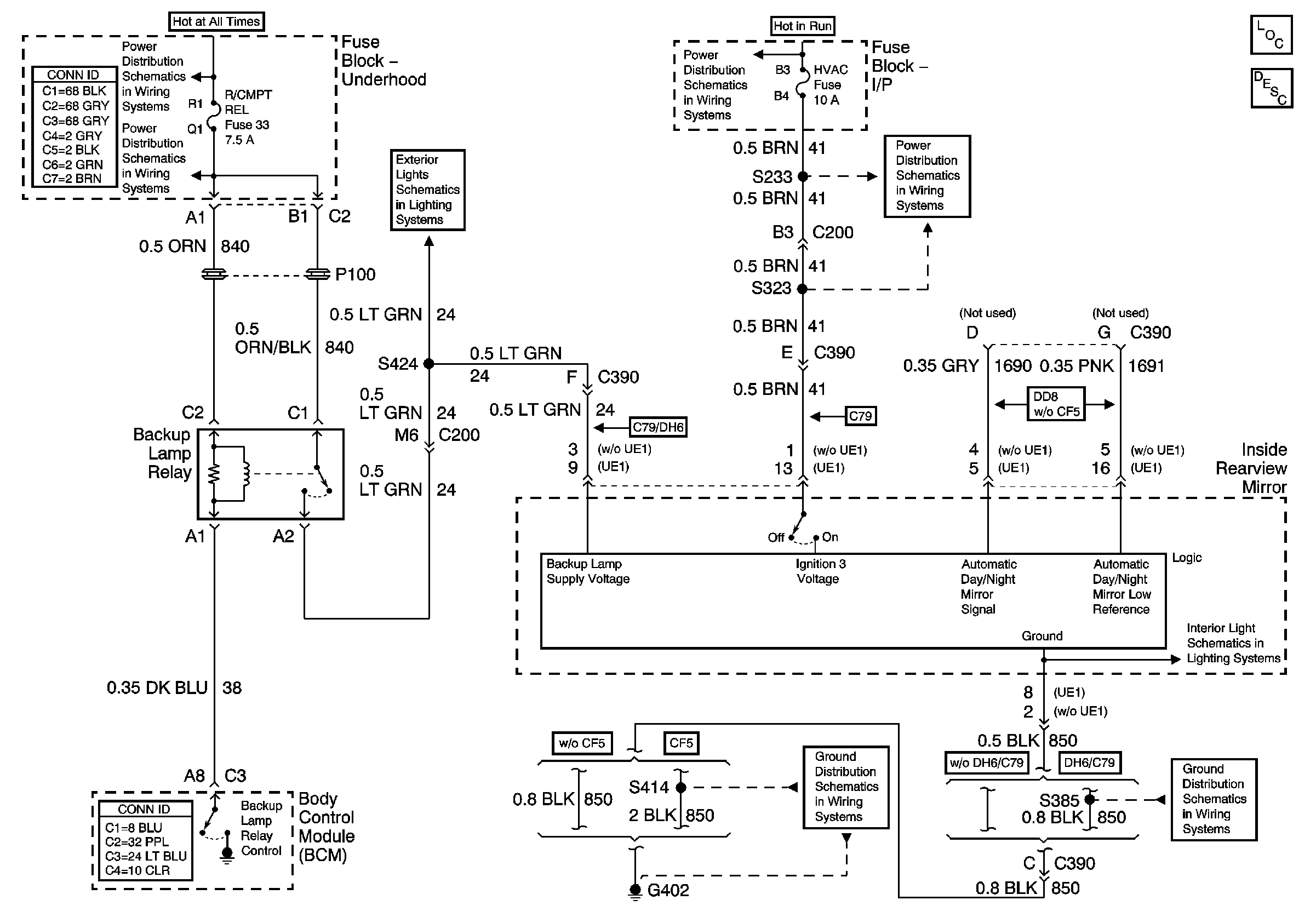
🢒 Inside Rearview Mirror Schematics
Inside Rearview Mirror Schematics
Master Electrical Component List
Automatic Day-Night Mirror Description and Operation
Fuse Block-Underhood B+ Buss
Fuse Block-Underhood HDLP,GEN,ABS,R/CMPT REL,ECM Fuses
Back Up Lights
Fuse Block-Underhood IGN 2 Fuse
Fuse Block-I/P LOW BLOWER, CRUISE, and HVAC Fuses
Outside Mirror Schematics
Mirror, Dome, and Courtesy/Reading Lamps
G402, Page 1 of 2
G402, Page 1 of 2