GM Service Manual Online
For 1990-2009 cars only
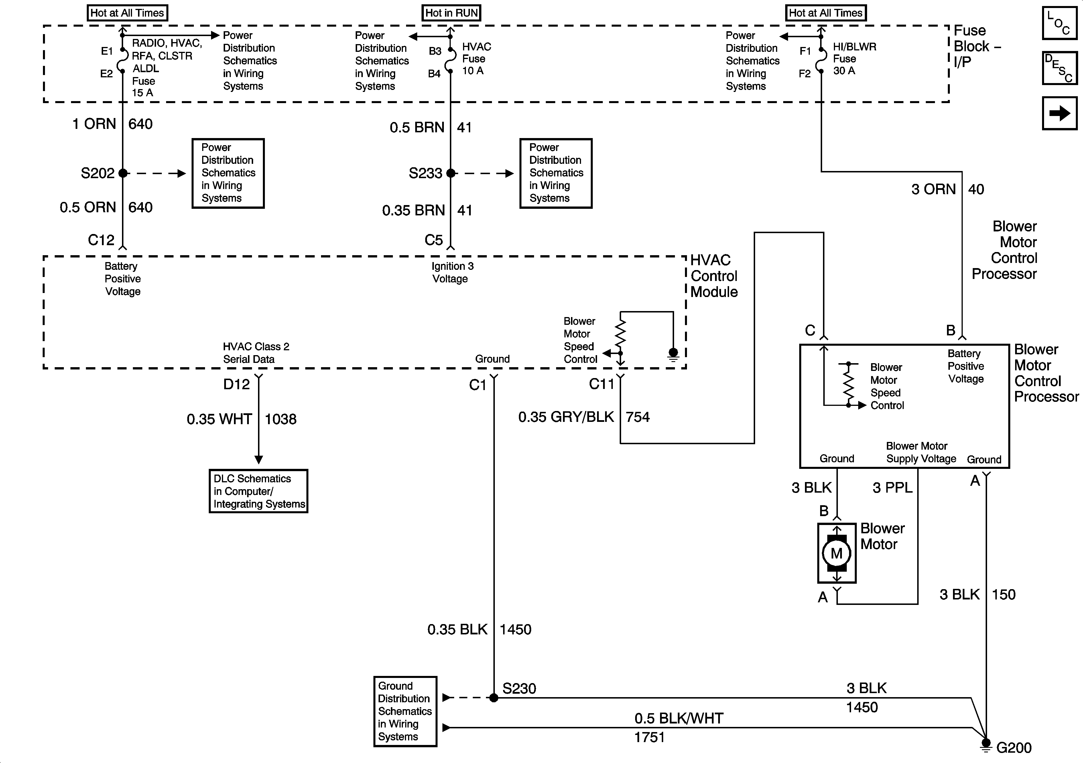
Figure 1:

Blower Controls


Object Number: 1469693  Size: FS
Master Electrical Component List
Air Delivery Description and Operation
Compressor Controls
Fuse Block - Underhood BAT 1 Fuse, Fuse Block - I/P RADIO, HVAC, RFA, CLSTR ALDL, BCM PWR, ACCY PWR BUS, RADIO PREM SOUND, and LTR Fuses
Fuse Block - Underhood IGN 2 Fuse
Fuse Block - Underhood BAT 2 Fuse, Fuse Block - I/P HI/BLWR, HAZRD, STOP LAMPS, DR/LCK, and PWR/MIR Fuses
Fuse Block - Underhood BAT 1 Fuse, Fuse Block - I/P RADIO, HVAC, RFA, CLSTR ALDL, BCM PWR, ACCY PWR BUS, RADIO PREM SOUND, and LTR Fuses
Fuse Block - I/P LOW BLWER, CRUISE, and HVAC Fuses
Data Link Connector (DLC) Schematics
G200
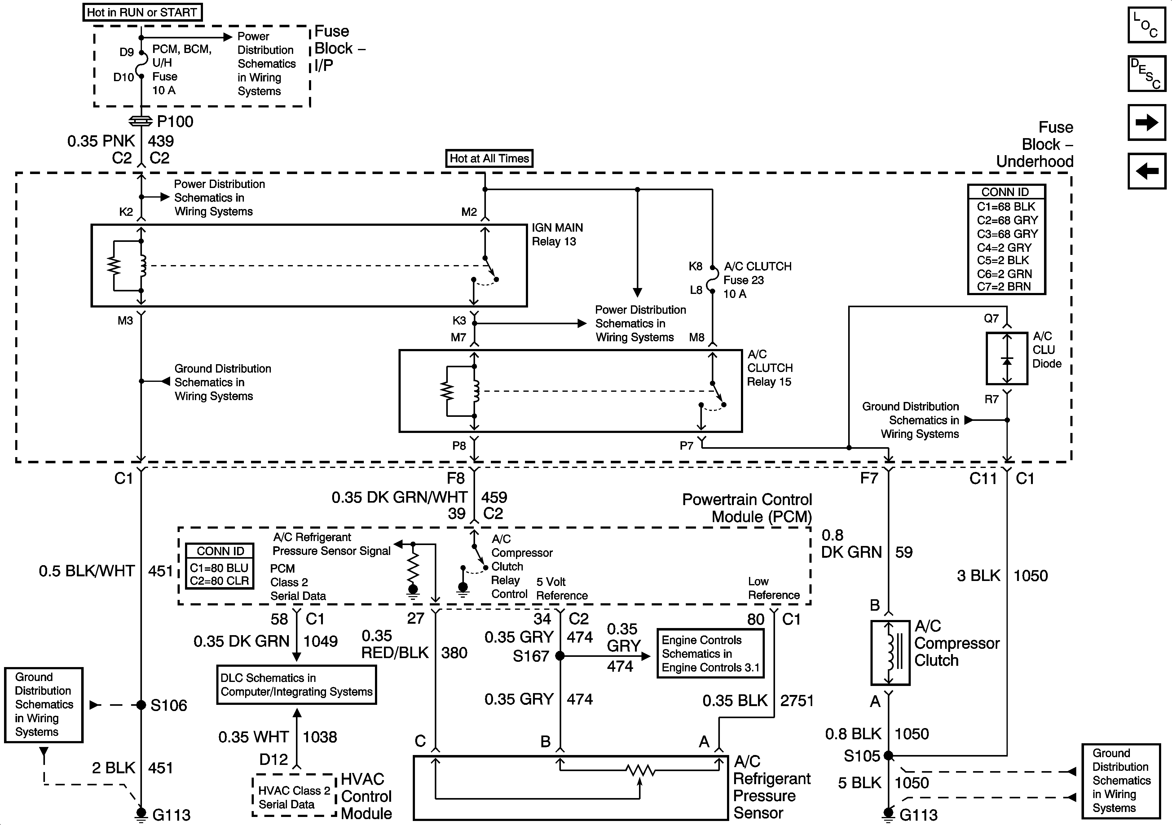
Figure 2:

Compressor Controls


Object Number: 1379233  Size: FS
Master Electrical Component List
Air Temperature Description and Operation
Air Temperature and Sunload Sensors
Blower Controls
Fuse Block - Underhood IGN 1 Fuse
Fuse Block - I/P TRN/SIG, AIRBAG, CLSTR, and PCM, BCM, U/H Fuses, Fuse Block-Underhood CRANK and IGN MAIN Relays
G100, G113, and G171
G100, G113, and G171
Data Link Connector (DLC) Schematics
Fuse Block-Underhood B+ Bus
G100, G113, and G171
EVAP Controls
G100, G113, and G171
Figure 3:

Air Temperature and Sunload Sensors


Object Number: 1031685  Size: FS
Master Electrical Component List
Air Temperature Description and Operation
Air Delivery/Temperature Controls
Compressor Controls
Air Delivery/Temperature Controls
Air Delivery/Temperature Controls
Figure 4:

Air Delivery/Temperature Controls


Object Number: 1275248  Size: FS
Master Electrical Component List
Air Temperature Description and Operation
Vacuum Solenoids
Air Temperature and Sunload Sensors
Fuse Block - Underhood IGN 2 Fuse
Fuse Block - I/P LOW BLWER, CRUISE, and HVAC Fuses
Air Temperature and Sunload Sensors
Air Temperature and Sunload Sensors
Figure 5:

Vacuum Solenoids


Object Number: 818811  Size: FS
Master Electrical Component List
Air Temperature Description and Operation
Air Delivery/Temperature Controls
Fuse Block - Underhood IGN 2 Fuse
Fuse Block - I/P LOW BLWER, CRUISE, and HVAC Fuses