GM Service Manual Online
For 1990-2009 cars only
Makes
🢒
Buick
🢒
2005
🢒
Century
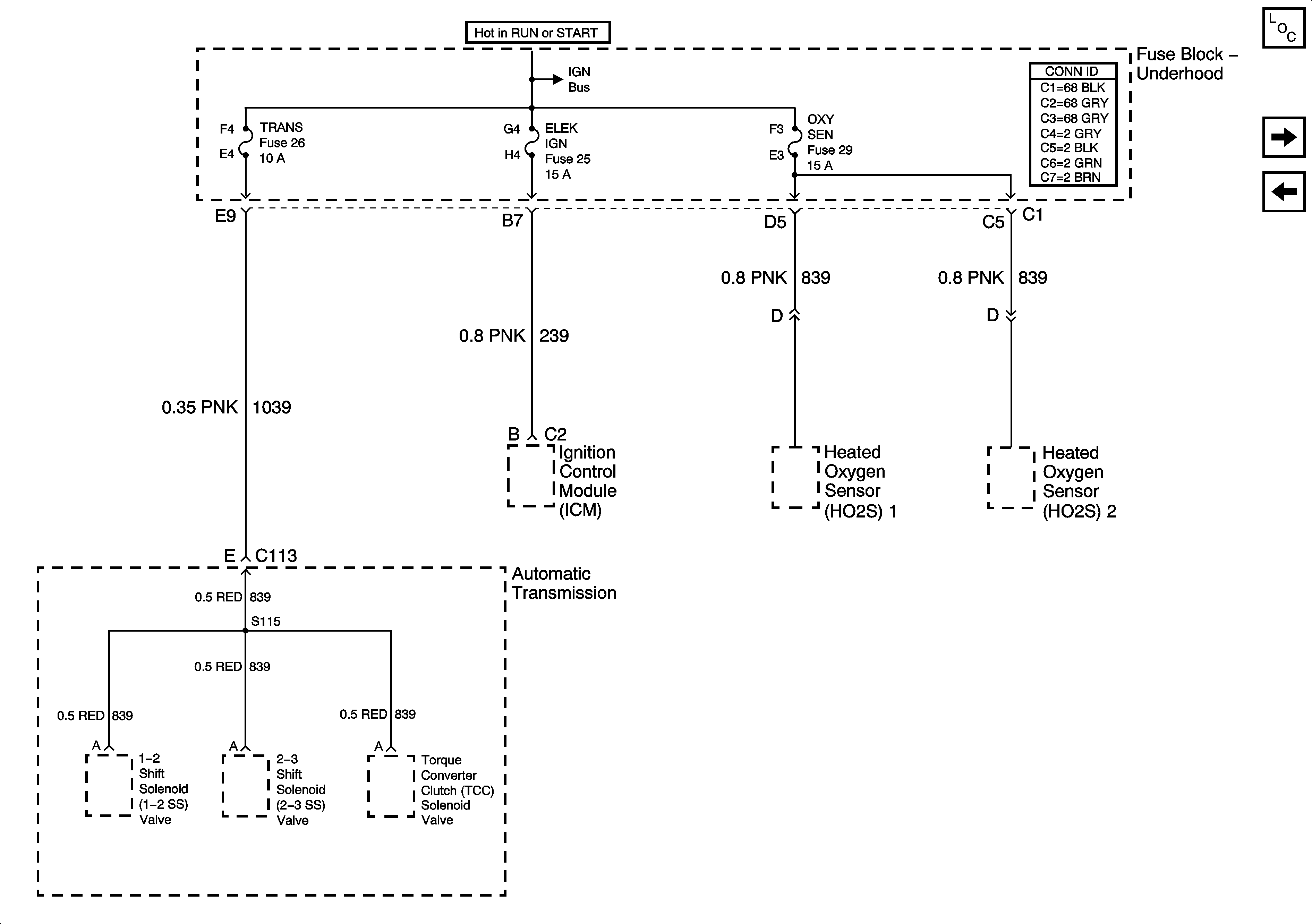
🢒 Fuse Block - Underhood TRANS, ELEK IGN, and OXY SEN Fuses
Fuse Block - Underhood TRANS, ELEK IGN, and OXY SEN Fuses
Fuse Block - Underhood TRANS, ELEK IGN, and OXY SEN Fuses
Master Electrical Component List
Fuse Block - Underhood ENG EMIS Fuse
Fuse Block - Underhood F/INJR Fuse
Fuse Block-Underhood B+ Bus