GM Service Manual Online
For 1990-2009 cars only
Makes
🢒
Buick
🢒
2005
🢒
Century
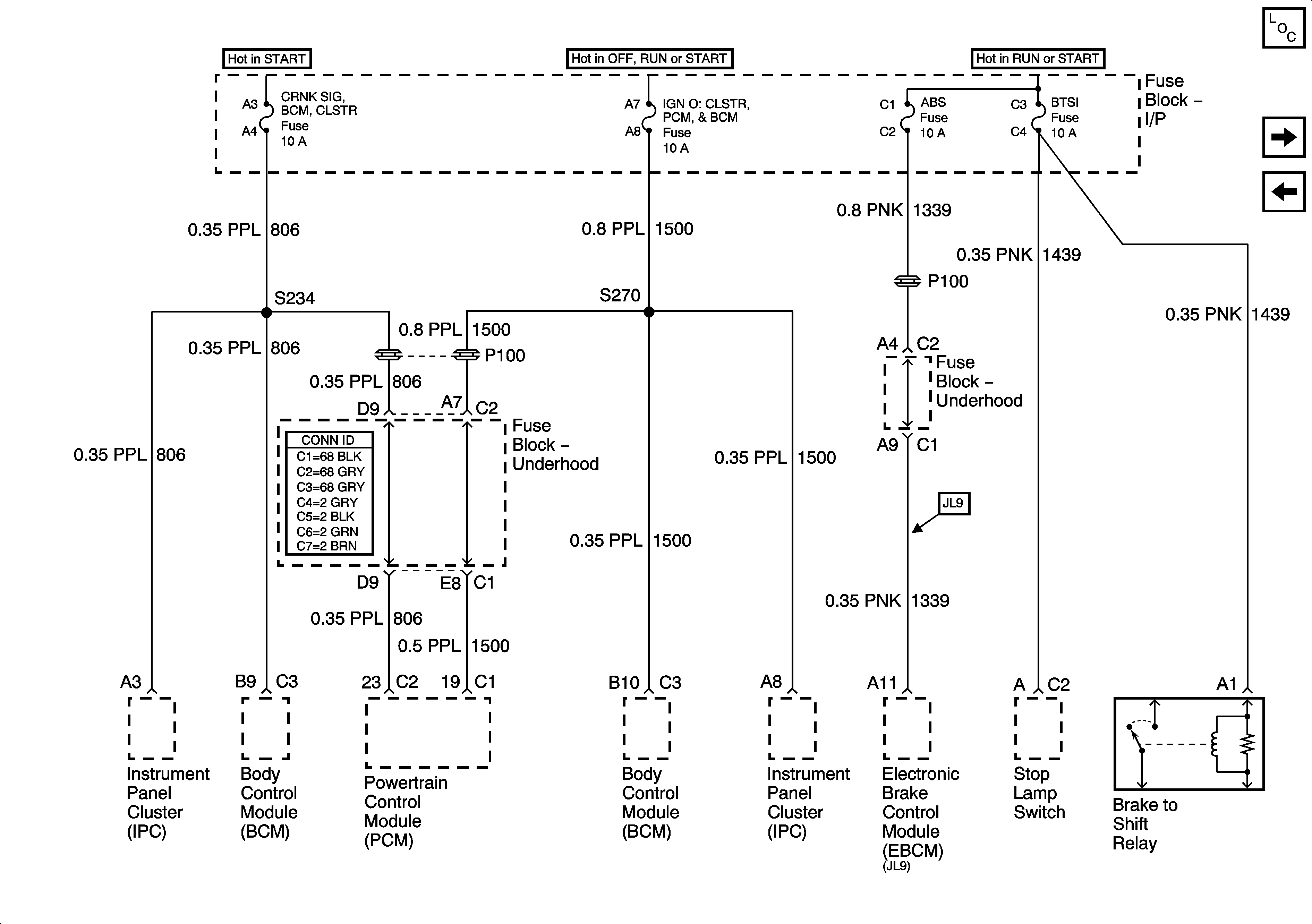
🢒 Fuse Block - I/P CRNK SIG, BCM, CLSTR, IGN0: CLSTR, PCM, BCM, ABS, and BTSI Fuses
Fuse Block - I/P CRNK SIG, BCM, CLSTR, IGN0: CLSTR, PCM, BCM, ABS, and BTSI Fuses
Fuse Block - I/P CRNK SIG, BCM, CLSTR, IGN 0: CLSTR, PCM, BCM, ABS and BTSI Fuses
Master Electrical Component List
Fuse Block - Underhood LP PARK Fuse, Fuse Block - I/P PRK/LGHT Fuse and PWR WNDW PWR S/ROOF Circuit Breaker
Fuse Block - I/P TRN/SIG, AIRBAG, CLSTR, and PCM, BCM, U/H Fuses, Fuse Block-Underhood CRANK and IGN MAIN Relays