GM Service Manual Online
For 1990-2009 cars only
Makes
🢒
Buick
🢒
2005
🢒
Century
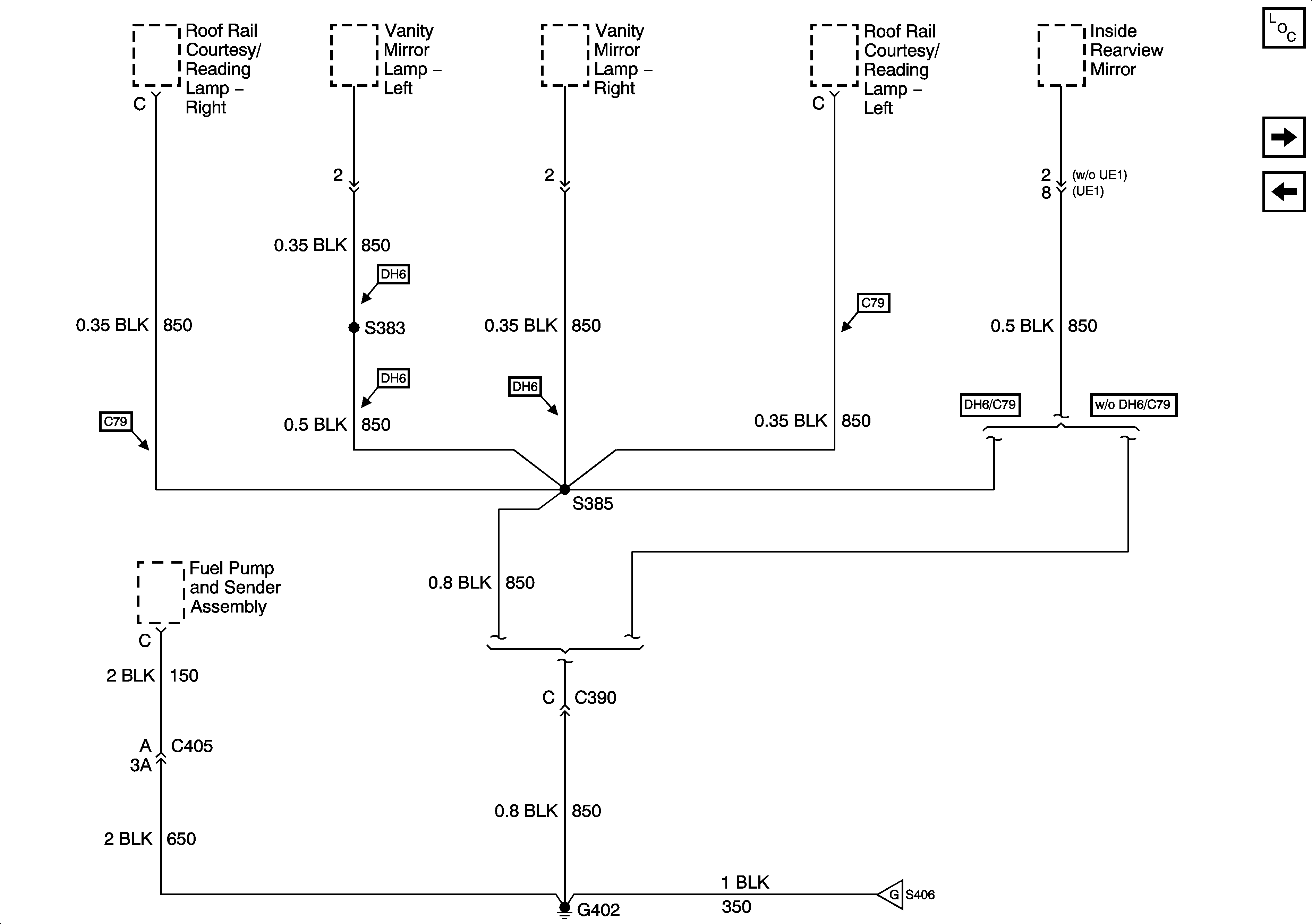
🢒 G402, Page 1 of 2
G402, Page 1 of 2
G402 1 of 2
Master Electrical Component List
G402, Page 2 of 2
G401
G402, Page 2 of 2