GM Service Manual Online
For 1990-2009 cars only
Makes
🢒
Buick
🢒
2005
🢒
Century
🢒 Charging
Charging
Charging
Master Electrical Component List
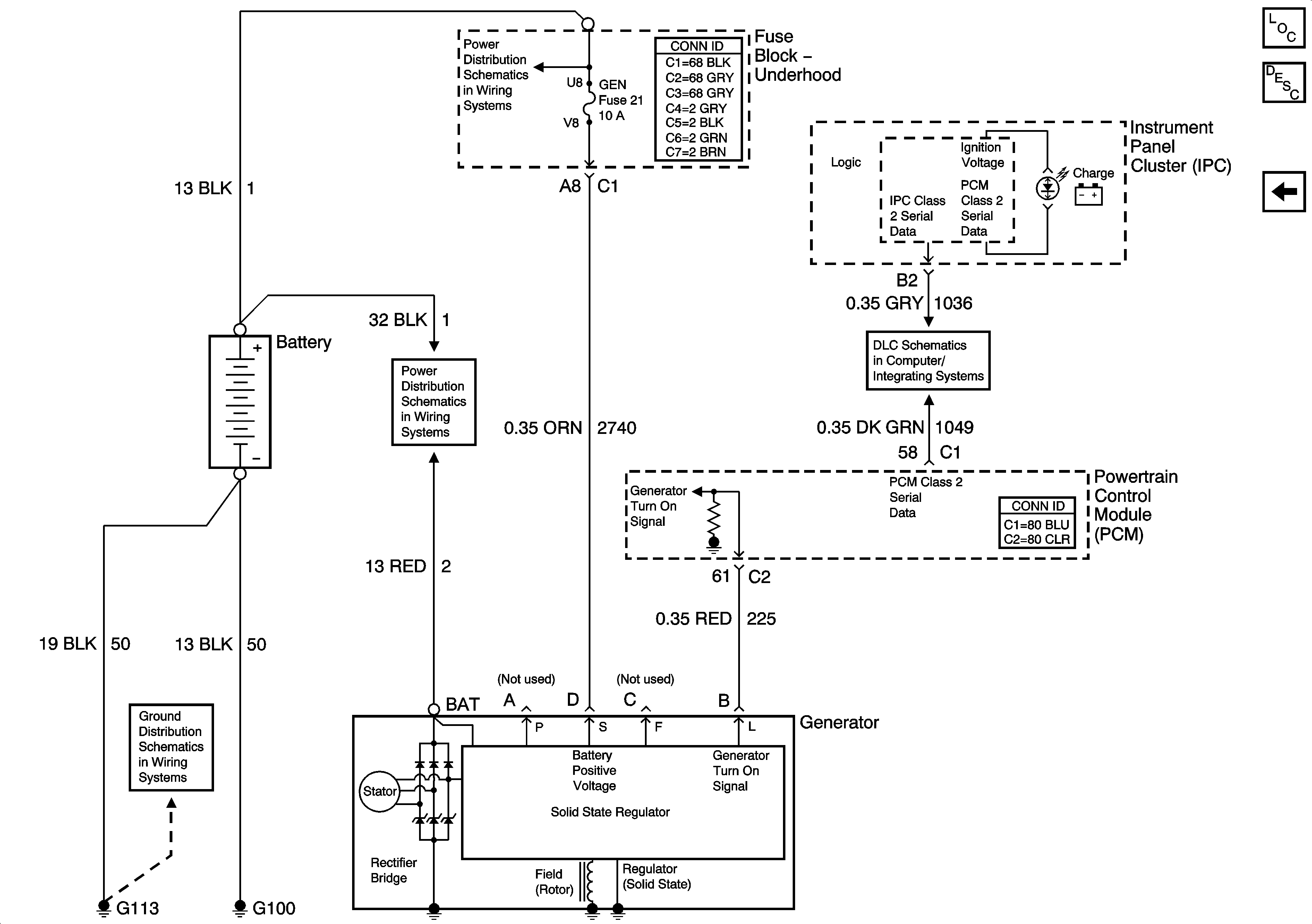
Charging System Description and Operation
Starting
Fuse Block-Underhood B+ Bus
Fuse Block-Underhood B+ Bus
Data Link Connector (DLC) Schematics
G100, G113, and G171