GM Service Manual Online
For 1990-2009 cars only
Makes
🢒
Buick
🢒
2005
🢒
Century
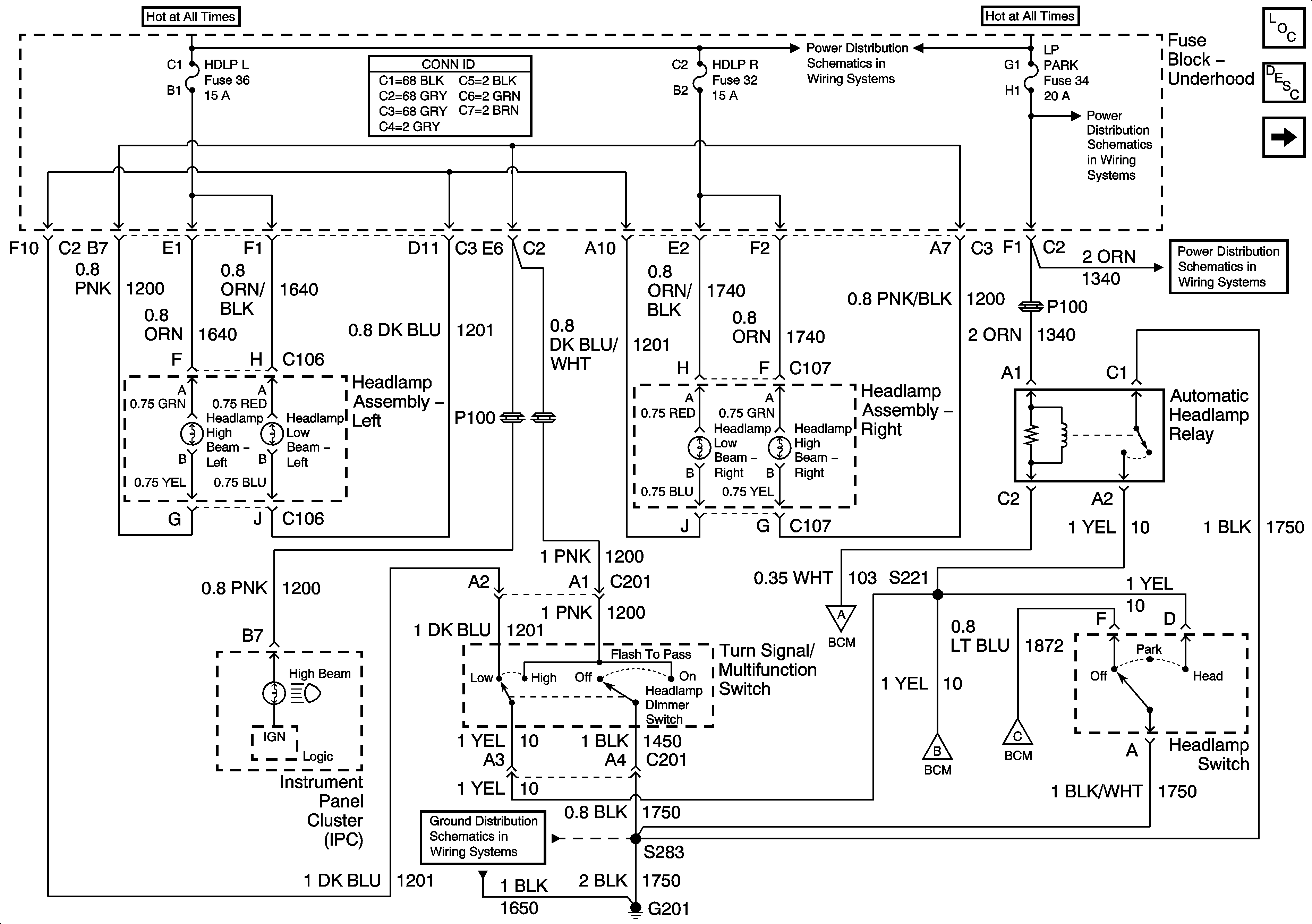
🢒 Headlamps
Headlamps
Headlamps
Master Electrical Component List
Exterior Lighting Systems Description and Operation
Daytime Running Lamps (DRL)
Fuse Block-Underhood B+ Bus
Fuse Block - Underhood LP PARK Fuse, Fuse Block - I/P PRK/LGHT Fuse and PWR WNDW PWR S/ROOF Circuit Breaker
Fuse Block - Underhood LP PARK Fuse, Fuse Block - I/P PRK/LGHT Fuse and PWR WNDW PWR S/ROOF Circuit Breaker
Daytime Running Lamps (DRL)
Daytime Running Lamps (DRL)
Daytime Running Lamps (DRL)
G201