GM Service Manual Online
For 1990-2009 cars only
Makes
🢒
Buick
🢒
2005
🢒
Century
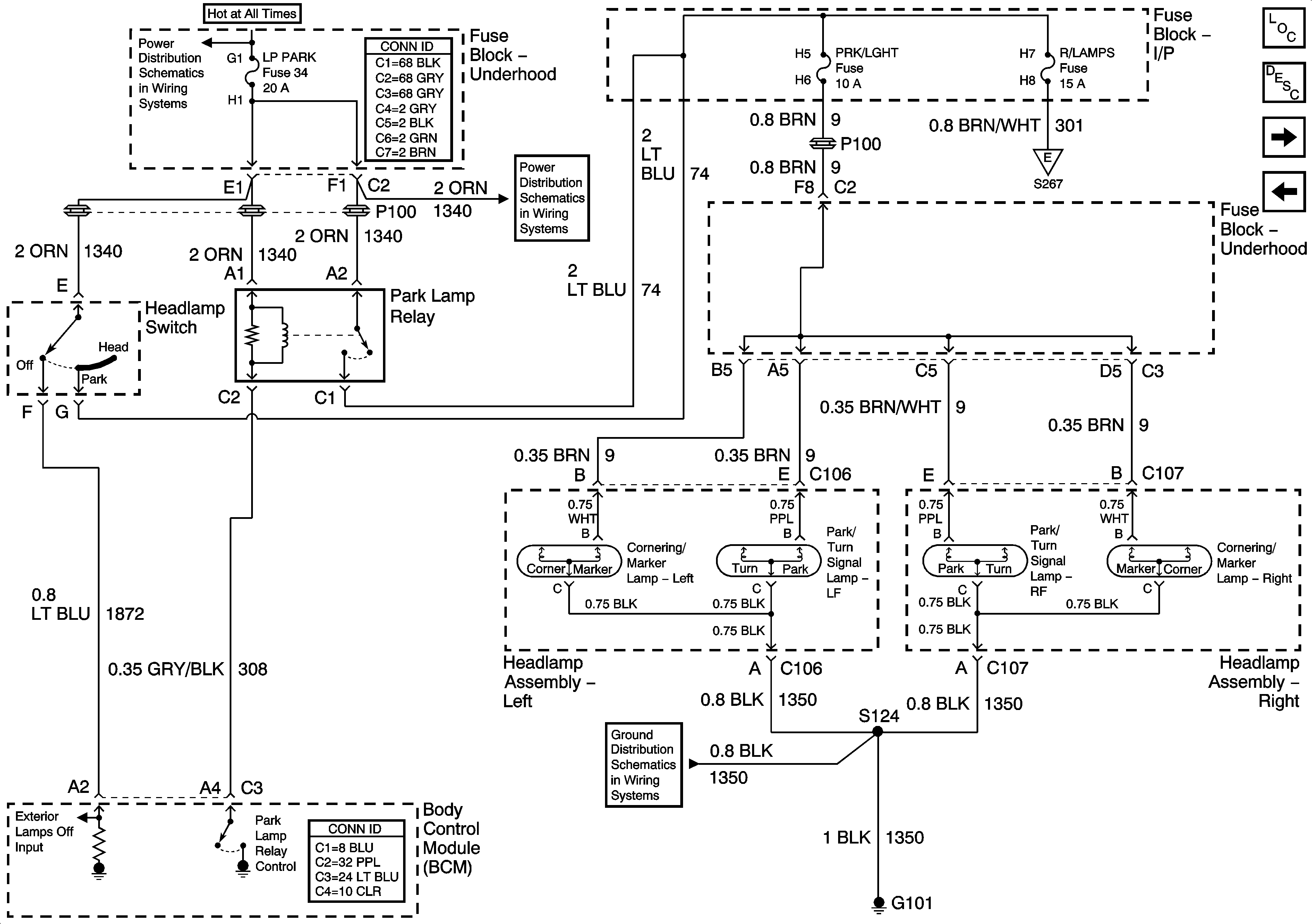
🢒 Front Park Lamps
Front Park Lamps
Front Park Lamps
Master Electrical Component List
Exterior Lighting Systems Description and Operation
Rear License, Marker, and Tail Lamps
DRL, Cornering and Front Turn Lamps
Fuse Block-Underhood B+ Bus
Fuse Block - Underhood LP PARK Fuse, Fuse Block - I/P PRK/LGHT Fuse and PWR WNDW PWR S/ROOF Circuit Breaker
Rear License, Marker, and Tail Lamps
G101 and G111