GM Service Manual Online
For 1990-2009 cars only
Makes
🢒
Buick
🢒
2005
🢒
Century
🢒 Front
Front
Front
Master Electrical Component List
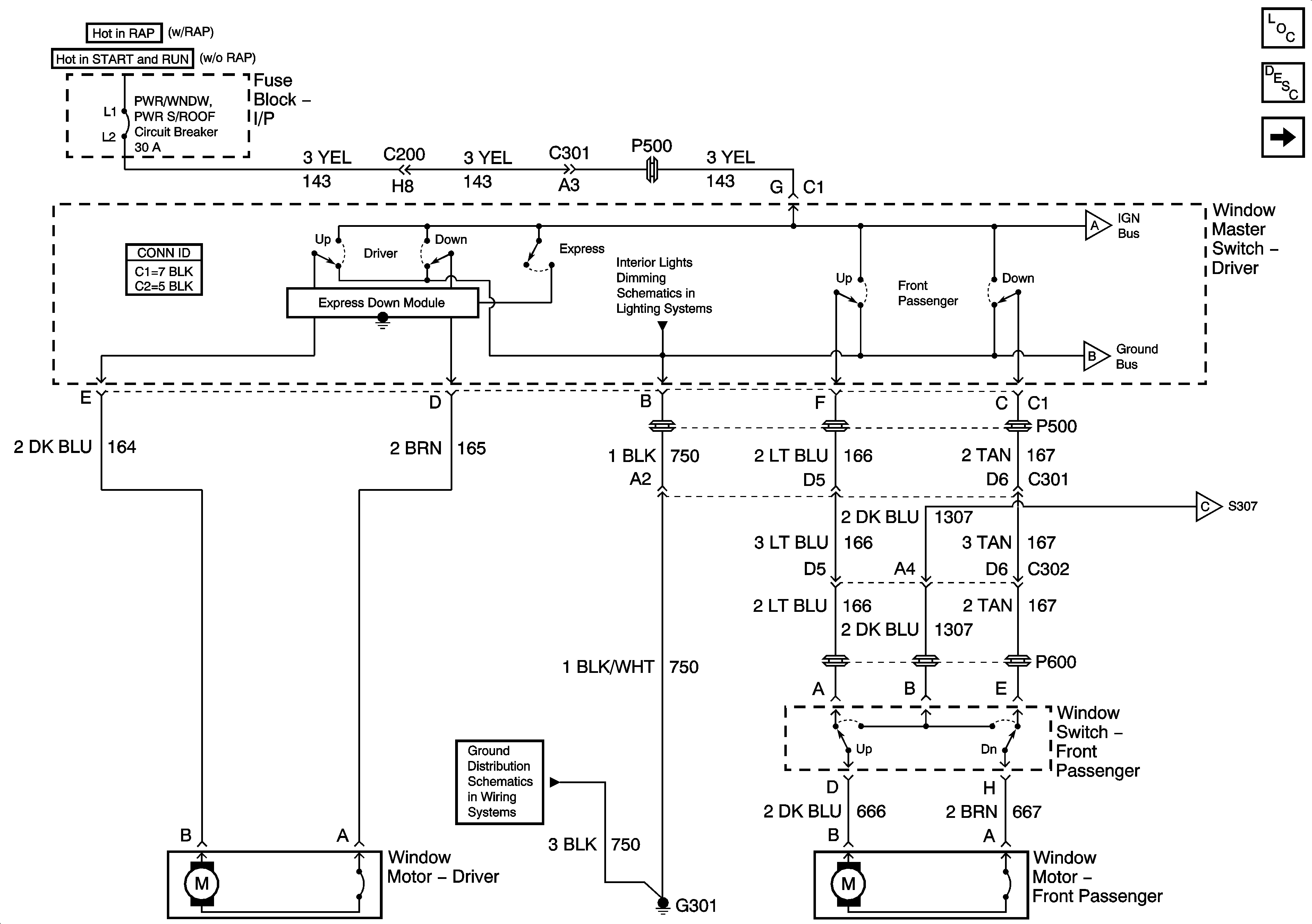
Power Windows Description and Operation
Rear
Passenger Compartment Lamps
Rear
Rear
Rear
G301, Page 1 of 2